电脑桌面
添加小米粒文库到电脑桌面
安装后可以在桌面快捷访问

升降机卸料平台及防护门方案最新(同名13101)VIP免费

升降机卸料平台及防护门方案最新(同名13101)_第1页
1/27
升降机卸料平台及防护门方案最新(同名13101)_第2页
2/27
升降机卸料平台及防护门方案最新(同名13101)_第3页
3/27
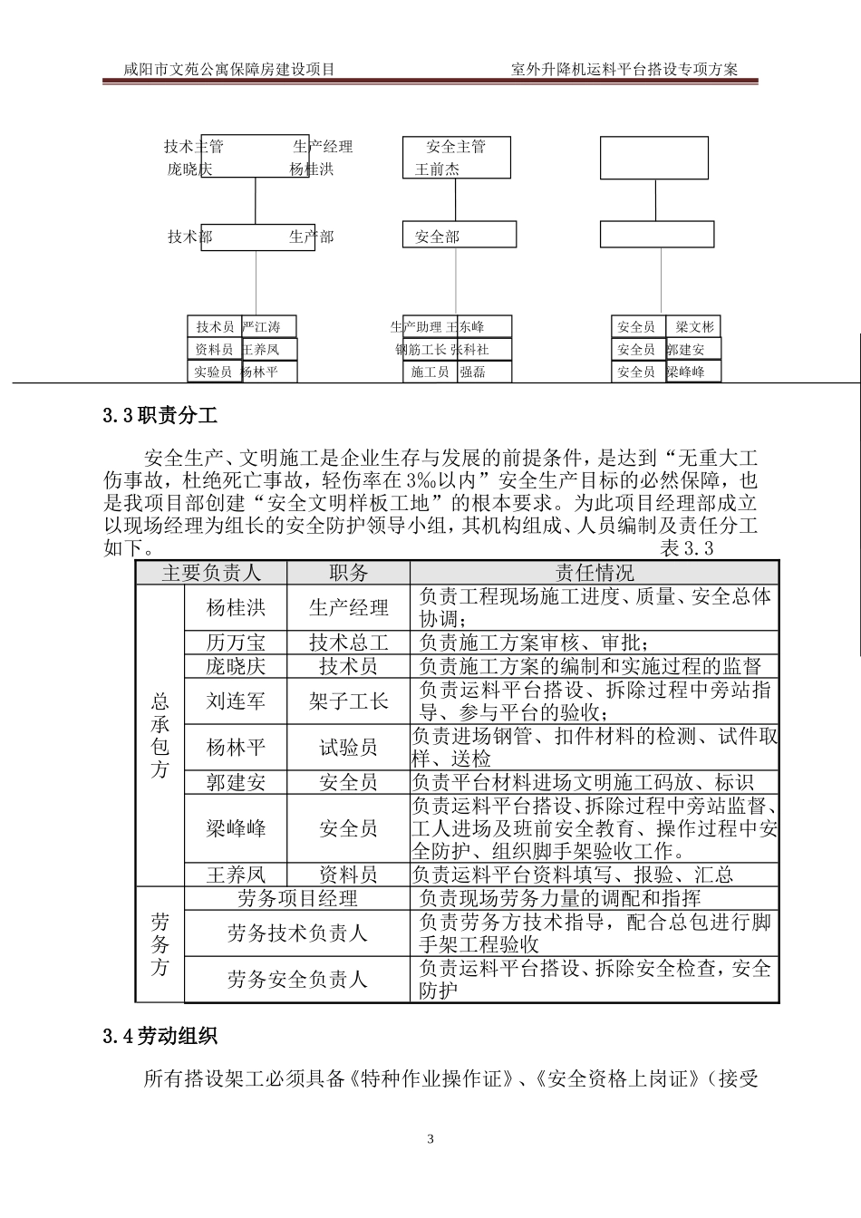
1咸阳市文苑公寓保障房建设项目室外升降机运料平台搭设专项方案1、编制依据序号名称编号1建筑结构荷载规范GB50009-20122钢管脚手架扣件GB15831-20063建筑施工扣件式钢管脚手架安全技术规范JGJ130-20114建筑施工安全检查标准JGJ59-20115建筑施工高处作业安全技术规范JGJ80-916施工现场临时用电安全技术规范JGJ46-20057质量环境职业健康安全手册THQEOM—20122、工程概况2.1总体概况序号项目内容1工程名称咸阳市文苑公寓保障房建设项目2工程地址咸阳市迎宾大道西侧3工程用途住宅4建设单位咸阳市住房公积金管理中心5监理单位陕西百威建设监理有限公司西安凌辉咨询有限公司6施工总承包单位北京市朝阳田华建筑集团公司7工程质量标准陕西省优质工程“长安杯”目标8安全文明施工目标省级安全文明工地2.2设计概况序号项目内容1建筑类别高层一类2建筑功能地下地下一层:戊类库房、设备用房地上住宅机房层电梯机房、人防报警室31#、2#、3#、4#、5#、6#、7#、8#、9#、10#、11#、12#、13#、14#、15#2咸阳市文苑公寓保障房建设项目室外升降机运料平台搭设专项方案建筑面积(m2总建筑面积304614.45m24建筑层数地下部分地下1层(其中8#、9#、11#楼为地下二层)地上部分33层标准层高2.80m建筑高度92.9m7墙体地下室外墙钢筋混凝土墙抗渗地上内、外墙钢筋砼墙8混凝土强度剪力墙C40、C35、C30楼板C40、C35、C309钢筋等级HPB300、HRB40010结构断面尺寸混凝土外墙200mm、250mm混凝土内墙200mm、250mm二次结构墙250mm、200mm、120mm楼板厚度100mm、140mm2.3、现场施工概况本方案适用于文苑公寓工程根据各楼工程进度,计划1#、2#、3#、4#、8#、9#、10#、11#、12#、13#、14#、15#楼各设置1台SCD200/200双笼升降机,7#设置2台SCD200/200双笼升降机,主要用于各楼施工作业人员上、下通行,二次结构及装修施工材料的垂直运输。8#、9#、11#楼施工升降机设置于各楼北侧车库顶板上,其余楼施工升降机设置于各楼回填土上。具体位置见室外电梯平面图3、施工安排3.1组织机构体系图室外升降机卸料平台脚手架搭设工程施工组织项目经理邱俊生项目总工历万宝3咸阳市文苑公寓保障房建设项目室外升降机运料平台搭设专项方案技术主管生产经理安全主管庞晓庆杨桂洪王前杰技术部生产部安全部技术员严江涛生产助理王东峰安全员梁文彬资料员王养凤钢筋工长张科社安全员郭建安实验员杨林平施工员强磊安全员梁峰峰3.3职责分工安全生产、文明施工是企业生存与发展的前提条件,是达到“无重大工伤事故,杜绝死亡事故,轻伤率在3‰以内”安全生产目标的必然保障,也是我项目部创建“安全文明样板工地”的根本要求。为此项目经理部成立以现场经理为组长的安全防护领导小组,其机构组成、人员编制及责任分工如下。表3.3主要负责人职务责任情况总承包方杨桂洪生产经理负责工程现场施工进度、质量、安全总体协调;历万宝技术总工负责施工方案审核、审批;庞晓庆技术员负责施工方案的编制和实施过程的监督刘连军架子工长负责运料平台搭设、拆除过程中旁站指导、参与平台的验收;杨林平试验员负责进场钢管、扣件材料的检测、试件取样、送检郭建安安全员负责平台材料进场文明施工码放、标识梁峰峰安全员负责运料平台搭设、拆除过程中旁站监督、工人进场及班前安全教育、操作过程中安全防护、组织脚手架验收工作。王养凤资料员负责运料平台资料填写、报验、汇总劳务方劳务项目经理负责现场劳务力量的调配和指挥劳务技术负责人负责劳务方技术指导,配合总包进行脚手架工程验收劳务安全负责人负责运料平台搭设、拆除安全检查,安全防护3.4劳动组织所有搭设架工必须具备《特种作业操作证》、《安全资格上岗证》(接受4咸阳市文苑公寓保障房建设项目室外升降机运料平台搭设专项方案相应三级安全教育)等准许施工证件。必须定期进行体检,合格者方可持证上岗,凡患有高血压、心脏病、癫痫病、晕高或视力低下者等不得从事脚手架搭设。全体管理人员除已参加过年审及其教育外,每周一都要参加经理部组织的安全教育。所有架子工人进场必须进行三级安全教育和相应考核,每周一参加经理部组织的安全教育,必须建立班前安全会制度,并有会议纪录。项目安全部...

1、当您付费下载文档后,您只拥有了使用权限,并不意味着购买了版权,文档只能用于自身使用,不得用于其他商业用途(如 [转卖]进行直接盈利或[编辑后售卖]进行间接盈利)。
2、本站所有内容均由合作方或网友上传,本站不对文档的完整性、权威性及其观点立场正确性做任何保证或承诺!文档内容仅供研究参考,付费前请自行鉴别。
3、如文档内容存在违规,或者侵犯商业秘密、侵犯著作权等,请点击“违规举报”。

碎片内容

升降机卸料平台及防护门方案最新(同名13101)

确认删除?
VIP
微信客服
  • 扫码咨询
会员Q群
  • 会员专属群点击这里加入QQ群
客服邮箱
回到顶部