电脑桌面
添加小米粒文库到电脑桌面
安装后可以在桌面快捷访问

220KV级电力变压器说明书样本

220KV级电力变压器说明书样本_第1页
1/10
220KV级电力变压器说明书样本_第2页
2/10
220KV级电力变压器说明书样本_第3页
3/10
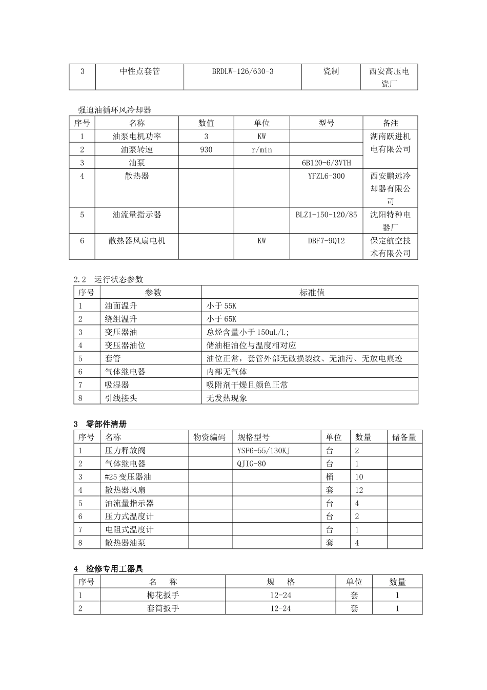
220KV 级电力变压器说明书1 概述该三相电力变压器型号为 SFP10-260000/220, 西安西电变压器有限责任公司出厂,容量260MVA,额定电压为 220KV,冷却方式为强迫油循环风冷却。2 设备参数2.1 技术法律规范2.1.1 变压器本体序号名称型号及参数单位备注1变压器SFP10-260000/220,2联结组标号Ynd113频率50Hz4相数35高压侧额定电压242KV6高压侧额定电流A7低压侧额定电压KV8低压侧额定电流A9冷却方式ODAF10器身吊重128500Kg11变压器油重34200Kg2.1.2 套管电流互感器序号型号额定电流比准确级次数量备注1LR-2201200/512LR-220600/5131200/50.53LRB-220600/510P1261200/510P234LRB-110200/510P111600/510P20 变压器套管序号名称规格型号材质备注1高压侧套管GRDL1W-252/1250-4瓷制西安西电高压电瓷有限责任公司2低压侧套管瓷制3中性点套管BRDLW-126/630-3瓷制西安高压电瓷厂 强迫油循环风冷却器序号名称数值单位型号备注1油泵电机功率3KW湖南跃进机电有限公司2油泵转速930r/min3油泵6B120-6/3VTH4散热器YFZL6-300西安鹏远冷却器有限公司5油流量指示器BLZ1-150-120/85沈阳特种电器厂6散热器风扇电机KWDBF7-9Q12保定航空技术有限公司 2.2 运行状态参数序号参数标准值1油面温升小于 55K2绕组温升小于 65K3变压器油总烃含量小于 150uL/L;4变压器油位储油柜油位与温度相对应5套管油位正常,套管外部无破损裂纹、无油污、无放电痕迹6气体继电器内部无气体7吸湿器吸附剂干燥且颜色正常8引线接头无发热现象3 零部件清册序号名称物资编码规格型号单位数量储备量1压力释放阀YSF6-55/130KJ台22气体继电器QJIG-80台13#25 变压器油桶104散热器风扇套125油流量指示器台46压力式温度计台27电阻式温度计台18散热器油泵套44 检修专用工器具序号名 称规 格单位数量1梅花扳手12-24套12套筒扳手12-24套13撬棍根24铜棒根15U 型卡环12个26钢丝绳19mm×6mm根27枕木根28手拉葫芦1.5 吨个19摇表2500V块110摇表1000V台111双臂电桥台112吹尘器个113电线轴套114润滑脂桶115塑料布米1016耐油胶皮米517绝缘清洗剂桶118白布米519棉丝Kg520绝缘胶带黄绿红盘各 121绝缘塑料带黄绿红盘各 122汽油#90升323千斤顶台224油罐容积 30 立方个125真空表最小值小于26烘箱调节式,最高温度+150℃27绝缘纸板QR342-7328酚醛纸板GB1302-7729导电膏桶15 检修特别安全措施5.1 解体阶段条件与要求 吊钟罩宜在室内进行,以保持器身清洁。在露天进行时,应选在无尘土飞扬及其它污染...

1、当您付费下载文档后,您只拥有了使用权限,并不意味着购买了版权,文档只能用于自身使用,不得用于其他商业用途(如 [转卖]进行直接盈利或[编辑后售卖]进行间接盈利)。
2、本站所有内容均由合作方或网友上传,本站不对文档的完整性、权威性及其观点立场正确性做任何保证或承诺!文档内容仅供研究参考,付费前请自行鉴别。
3、如文档内容存在违规,或者侵犯商业秘密、侵犯著作权等,请点击“违规举报”。

碎片内容

220KV级电力变压器说明书样本

确认删除?
VIP
微信客服
  • 扫码咨询
会员Q群
  • 会员专属群点击这里加入QQ群
客服邮箱
回到顶部