电脑桌面
添加小米粒文库到电脑桌面
安装后可以在桌面快捷访问

XXX电梯公司TT维修人员使用手册

XXX电梯公司TT维修人员使用手册_第1页
1/49
XXX电梯公司TT维修人员使用手册_第2页
2/49
XXX电梯公司TT维修人员使用手册_第3页
3/49
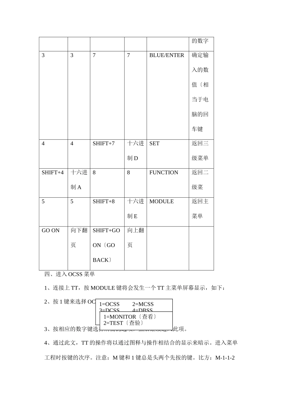
XXX 电梯公司 TT 维修人员使用手册TT 是奥的斯电梯的专用效劳器,主要用于调试人员的现场调试操作,但假如维修人员能熟悉它,充实操纵它,将能缩短故障排查时间,在相对短的时间内解决问题。下面将以西奥 21VF 型号的电梯说明 TT 在此类电梯中的使用方法。 第一篇XO21VF 概述XO21VF 用了 MECS,即模块化控制系统。它由四个子系统组成,这些 子系统包罗 操作控制子系统〔OCSS〕、运行指令子系统〔LMCSS〕、门控制子系统〔DISS〕、驱动控制子系统〔DBSS〕。每个子系统〔也叫效劳系统〕已经电脑化并能按设计好的要求完成专门的功能。此外,每个效劳系统靠串行传输线传送参数,交换信息。 第二篇OCSS 操作子系统(即 RCBII 板子)一、概述。OCSS 是一个办理操作功能的效劳系统,负责此系统的 PC 板是 RCBII。OCSS 的功能是:负责指令、呼唤、层楼显示、地动、消防运行目的层、开关门标的目的等的接受处置。几乎所有的输入、输出信号〔如:指令、呼唤、层楼显示、停电自挽救、地动、消防、标的目的灯、蜂鸣器、厅外铃、遏制开关等〕都靠一个远站〔RS5〕与 OCSS 串行传输,此系统能靠一小组电线完成。在 OCSS 和远站〔RS〕之间,考 4 根电线通讯,此中两根电源线〔DC30V,HL2〕,两根信号线〔L1,L2〕。OCSS 有三组不同的串行信号线,别离是 C/C〔连接轿厢〕、C/H〔连接厅外〕、G/H〔连接群控〕。二、TT 简介A、TT 的前面板由一个显示屏和 16 个键组成,显示屏有两行。B、激活键的蓝键功能:按 SHIFT 键〔左下角没有标识的键〕,然后按相应的键。比方,假如按下 GO ON/GO BACK 键,将会呈现 GO ON〔往下翻页〕功能,但是按住 SHIFT 键,然后按 GO ON/GO BACK 键,将会呈现 GO BACK〔往上翻页〕功能。C、当按下 SHIFT 键后,显示屏的第一个字符那里将会有指针闪耀。图一:TT 按键摆列示意图 各按键的功能见下表: 三、如何连接 TT TT 是连接在 RCB 上的 P1 端口,这样的连接可以进入 OCSS 和有限的进入MCSS,DBSS,DCSS。但是当 TT 连接到 MCSS 时那么不克不及进入到OCSS。1.将 TT 插入板子。2.TT 将会执行自检,假如正确地执行了自检,TT 将显示:按键功能按键功能按键功能00SHIFT+5十六进制 B991166SHIFT+9十六进制 F22SHIFT+6十六进制 CCLEAR去除最后一位所输入SELF TEST-OK-MECS-MODE的数字3377BLUE/ENTER确定输入的数值〔相当于电脑的回车键44SHIFT+7十六进制 DSET返...

1、当您付费下载文档后,您只拥有了使用权限,并不意味着购买了版权,文档只能用于自身使用,不得用于其他商业用途(如 [转卖]进行直接盈利或[编辑后售卖]进行间接盈利)。
2、本站所有内容均由合作方或网友上传,本站不对文档的完整性、权威性及其观点立场正确性做任何保证或承诺!文档内容仅供研究参考,付费前请自行鉴别。
3、如文档内容存在违规,或者侵犯商业秘密、侵犯著作权等,请点击“违规举报”。

碎片内容

XXX电梯公司TT维修人员使用手册

您可能关注的文档

确认删除?
VIP
微信客服
  • 扫码咨询
会员Q群
  • 会员专属群点击这里加入QQ群
客服邮箱
回到顶部