电脑桌面
添加小米粒文库到电脑桌面
安装后可以在桌面快捷访问

自动喷水灭火系统试压记录表

自动喷水灭火系统试压记录表_第1页
1/10
自动喷水灭火系统试压记录表_第2页
2/10
自动喷水灭火系统试压记录表_第3页
3/10
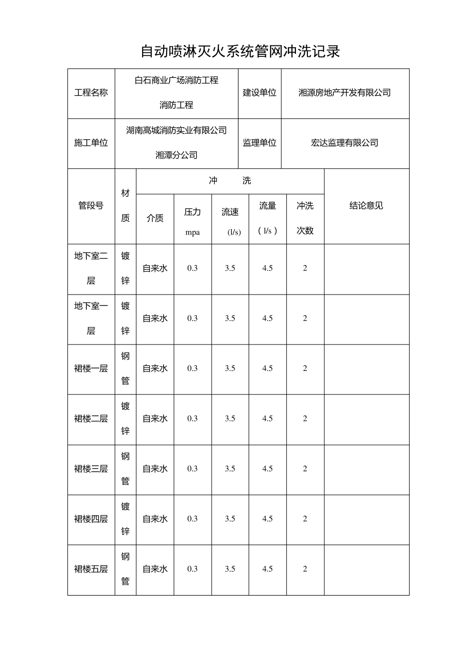
自动喷水灭火系统试压记录表 工程名称 白石商业广场消防工程消防工程 建设单位 湘源房地产开发有限公司 施工单位 湖南高城消防实业有限公司湘潭分公司 监理单位 宏达监理有限公司 管段号 材质 设计工作压力(Mpa) 温度 (℃) 强度试验 严密性试验 介质 压力 时间 结论意见 介质 压力(Mpa) 时间 结论意见 九层 镀锌钢管 1 11 自来水 1.5 30 分钟 合格 空气 0.28 24h 合格 十层 镀锌钢管 1 12 自来水 1.5 30 分钟 合格 空气 0.28 24h 合格 十一层 镀锌钢管 1 12 自来水 1.5 30 分钟 合格 空气 0.28 24h 合格 十二层 镀锌钢管 1 11 自来水 1.5 30 分钟 合格 空气 0.28 24h 合格 十三层 镀锌钢管 1 15 自来水 1.5 30 分钟 合格 空气 0.28 24h 合格 十四层 镀锌钢管 1 15 自来水 1.5 30 分钟 合格 空气 0.28 24h 合格 十五层 镀锌钢管 1 16 自来水 1.5 30 分钟 合格 空气 0.28 24h 合格 参 加 单 位 施工单位项目负责人: 年 月 日 监理工程师: 年 月 日 建设单位项目负责人: 年 月 日 自动喷水灭火系统试压记录表 工程名称 白石商业广场消防工程消防工程 建设单位 湘源房地产开发有限公司 施工单位 湖南高城消防实业有限公司湘潭分公司 监理单位 宏达监理有限公司 管段号 材质 设计工作压力(Mpa) 温度 (℃) 强度试验 严密性试验 介质 压力 时间 结论意见 介质 压力(Mpa) 时间 结论意见 地下室二层 镀锌钢管 1 11 自来水 1.5 30 分钟 合格 空气 0.28 24h 合格 地下室 一 层 镀锌钢管 1 12 自来水 1.5 30 分钟 合格 空气 0.28 24h 合格 一层 镀锌钢管 1 12 自来水 1.5 30 分钟 合格 空气 0.28 24h 合格 二层 镀锌钢管 1 11 自来水 1.5 30 分钟 合格 空气 0.28 24h 合格 三层 镀锌钢管 1 15 自来水 1.5 30 分钟 合格 空气 0.28 24h 合格 四层 镀锌钢管 1 15 自来水 1.5 30 分钟 合格 空气 0.28 24h 合格 五层 镀锌钢管 1 16 自来水 1.5 30 分钟 合格 空气 0.28 24h 合格 六层 镀锌钢管 1 16 自来水 1.5 30 分钟 合格 空气 0.28 24h 合格 七层 镀锌钢管 1 16 自来水 1.5 30 分钟 合格 空气 0.28 24h 合格 八层 镀锌钢管 1 16 自来水 1.5 30 分钟 合...

1、当您付费下载文档后,您只拥有了使用权限,并不意味着购买了版权,文档只能用于自身使用,不得用于其他商业用途(如 [转卖]进行直接盈利或[编辑后售卖]进行间接盈利)。
2、本站所有内容均由合作方或网友上传,本站不对文档的完整性、权威性及其观点立场正确性做任何保证或承诺!文档内容仅供研究参考,付费前请自行鉴别。
3、如文档内容存在违规,或者侵犯商业秘密、侵犯著作权等,请点击“违规举报”。

碎片内容

自动喷水灭火系统试压记录表

您可能关注的文档

小辰4+ 关注
实名认证
内容提供者

出售各种资料和文档

确认删除?
VIP
微信客服
  • 扫码咨询
会员Q群
  • 会员专属群点击这里加入QQ群
客服邮箱
回到顶部