电脑桌面
添加小米粒文库到电脑桌面
安装后可以在桌面快捷访问

一通三防安全质量标准化标准及考核评分表

一通三防安全质量标准化标准及考核评分表_第1页
1/40
一通三防安全质量标准化标准及考核评分表_第2页
2/40
一通三防安全质量标准化标准及考核评分表_第3页
3/40
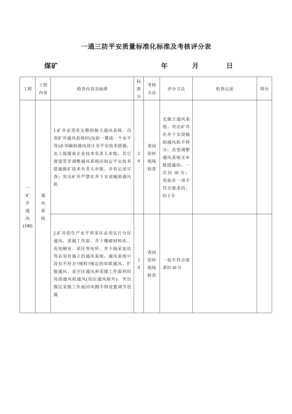
一通三防平安质量标准化标准及考核评分表煤矿 年 月 日 工程工程内容检查内容及标准标准分考核方法评分方法检查记录得分一矿井通风(100)通风系统1.矿井必须有完整的独立通风系统。改变矿井通风系统时(包括一翼或一个水平等)必须编制通风设计及平安技术措施,由上级煤炭企业技术负责人审批,其它巷道贯穿调整通风系统应制定平安技术措施报矿技术负责人审批,并有记录可查;突出矿井严禁在井下安设辅助通风机20查阅资料现场检查无独立通风系统、突出矿井在井下安设辅助通风机不得分;改变调整通风系统无审批措施的,一次 扣 10 分 ;其他有一项不符合要求的,扣 2 分2.矿井的生产水平和采区必须实行分区通风,采掘工作面、井下爆破材料库、充电硐室、采区变电所、井下抽采泵站等必须有独立的通风系统,通风系统中没有不符合?规程?规定的串联通风、扩散通风、采空区通风和采煤工作面利用局部通风机通风(均压通风除外)。突出煤层采掘工作面回风侧不得设置调节设施20查阅资料现场检查一处不符合要求扣 10 分3.矿井、采区设置专用回风巷10查 阅资 料现 场检查瓦斯矿井有一处非专用回风巷的扣 5 分;其他矿井一处不符合要求该项不得分4.矿技术负责人每月至少组织一次通风系统审查、每季度至少组织一次反风设施检查;每半年对防爆门至少进行一次检查;每年进行一次反风演习,反风演习方案、措施经矿技术负责人审批,报上级煤炭企业备案,反风效果符合?规程?的规定,有反风演习报告10查阅记录和演习报告未进行反风演习扣 5 分(经上级企业技术负责人批准的不扣 分 ) ; 其 它一处不符合要求扣 1 分检测检验平安投入5.矿井必须按规定进行通风能力核定,矿井、采区的风量必须满足生产需求。采掘工作面、硐室和矿井各地点的供风量、风速符合?规程?规定。矿井有效风量率≥87%。矿井每月必须编制月度配风方案,并报矿技术负责人审批。矿井通风阻力必须满足“AQ 1028-2024〞的要求10查 阅资料及现场检查未进行通风能力核定、通风能力缺乏,该项不得分;有效风量率每低1% , 扣1分;矿井通风阻力、主要井巷风速超过规定,一处扣 2分;其它一处不符合要求,扣 1 分6.新安装的主要通风机投入使用前,必须进行一次通风机性能测定和试运转工作,以后每五年至少进行一次性能测定。新井投产前必须进行一次矿井通风阻力测定,以后每三年至少进行一次。矿井转入新水 平生产或改变一翼通风系统后,必须重新进行矿井通风阻力测定5查阅资料及...

1、当您付费下载文档后,您只拥有了使用权限,并不意味着购买了版权,文档只能用于自身使用,不得用于其他商业用途(如 [转卖]进行直接盈利或[编辑后售卖]进行间接盈利)。
2、本站所有内容均由合作方或网友上传,本站不对文档的完整性、权威性及其观点立场正确性做任何保证或承诺!文档内容仅供研究参考,付费前请自行鉴别。
3、如文档内容存在违规,或者侵犯商业秘密、侵犯著作权等,请点击“违规举报”。

碎片内容

一通三防安全质量标准化标准及考核评分表

确认删除?
VIP
微信客服
  • 扫码咨询
会员Q群
  • 会员专属群点击这里加入QQ群
客服邮箱
回到顶部