电脑桌面
添加小米粒文库到电脑桌面
安装后可以在桌面快捷访问

船用柴油机功率

船用柴油机功率_第1页
1/7
船用柴油机功率_第2页
2/7
船用柴油机功率_第3页
3/7
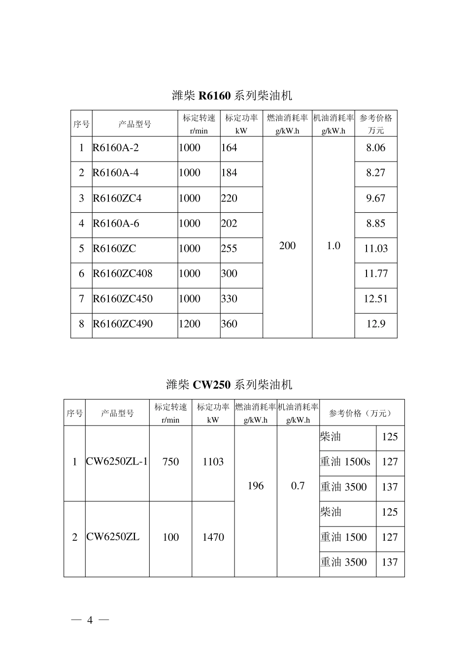
— 2 — 浙江省第二批渔业船舶节能型柴油机参考目录 — 3 — 淄柴150 系列柴油机 序号 产品型号 标定转速 标定功率 燃油消耗率 机油消耗率 参考价格 万元 r/min kW g/kW.h g/kW.h 1 Z6150ZLCZ-5 1000 240 200 1.0 9.6 2 Z6150ZLCZ-8 1200 242 10.0 3 Z6150ZLCZ-9 1200 265 10.4 4 Z6150ZLCZ-10 1200 288 10.8 5 Z6150ZLCZ-15 1500 360 12.9 上柴昇龙系列柴油机 序号 产品型号 标定转速 标定功率 燃油消耗率 机油消耗率 参考价格 万元 r/min kW g/kW.h g/kW.h 1 昇龙 1206135ACa3-2 1500 91.0 200 1.0 3.6 2 昇龙 1506135ACa3-1 1500 112.5 200 1.0 3.8 3 昇龙 1606135ACa3 1500 1170. 200 1.0 3.85 4 昇龙 1906135AZCa3-1 1500 144.2 199 0.7 4.8 5 昇龙 2206135AZCa3 1500 162 199 0.7 5.0 6 昇龙 2406135AZLCa3 1500 17803 198 0.7 5.2 — 4 — 潍柴 R6160 系列柴油机 序号 产品型号 标定转速 标定功率 燃油消耗率 机油消耗率 参考价格 万元 r/min kW g/kW.h g/kW.h 1 R6160A-2 1000 164 200 1.0 8.06 2 R6160A-4 1000 184 8.27 3 R6160ZC4 1000 220 9.67 4 R6160A-6 1000 202 8.85 5 R6160ZC 1000 255 11.03 6 R6160ZC408 1000 300 11.77 7 R6160ZC450 1000 330 12.51 8 R6160ZC490 1200 360 12.9 潍柴 CW 250 系列柴油机 序号 产品型号 标定转速 标定功率 燃油消耗率 机油消耗率 参考价格(万元) r/min kW g/kW.h g/kW.h 1 CW6250ZL-1 750 1103 196 0.7 柴油 125 重油 1500s 127 重油 3500 137 2 CW6250ZL 100 1470 柴油 125 重油 1500 127 重油 3500 137 — 5 — 玉柴 Y C 系列渔船用柴油机 序号 产品型号 标定转速 标定功率 燃油消耗率 机油消耗率 参考价格 万元 r/min kW g/kW.h g/kW.h 1 YC4108ZC 1500 50 197 0.5 1.87 2 YC6108CA 1500 58.8 198 2.59 3 YC6108CA 1500 63 198 2.67 4 YC6108CAI 2000 82 198 2.76 5 YC6108ZC 1500 80 197 2.96 6 YC6108ZCA 2300 103 197 3.16 7 YC6108ZLCA 1500 88 195 0.4 3.55 8 YC6B150C 1800 110 195 3.7 9 YC6B165C 2300 120 195 3.82 10 YC6108ZLCB 1500 112 195 4.02 11 YC6A170C 15...

1、当您付费下载文档后,您只拥有了使用权限,并不意味着购买了版权,文档只能用于自身使用,不得用于其他商业用途(如 [转卖]进行直接盈利或[编辑后售卖]进行间接盈利)。
2、本站所有内容均由合作方或网友上传,本站不对文档的完整性、权威性及其观点立场正确性做任何保证或承诺!文档内容仅供研究参考,付费前请自行鉴别。
3、如文档内容存在违规,或者侵犯商业秘密、侵犯著作权等,请点击“违规举报”。

碎片内容

船用柴油机功率

小辰3+ 关注
实名认证
内容提供者

出售各种资料和文档

相关文档

确认删除?
VIP
微信客服
  • 扫码咨询
会员Q群
  • 会员专属群点击这里加入QQ群
客服邮箱
回到顶部