电脑桌面
添加小米粒文库到电脑桌面
安装后可以在桌面快捷访问

船舶电气焊接件焊接工艺规程

船舶电气焊接件焊接工艺规程_第1页
1/6
船舶电气焊接件焊接工艺规程_第2页
2/6
船舶电气焊接件焊接工艺规程_第3页
3/6
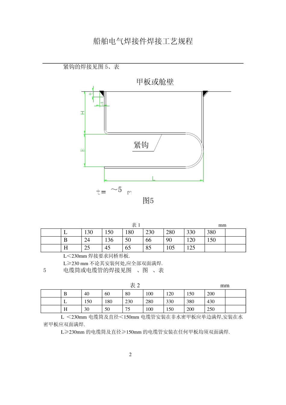
船舶电气焊接件焊接工艺规程 蓬莱中柏京鲁船业有限公司编制 船舶电气焊接件焊接工艺规程 1 主题内容与适用范围 本标准规定了船舶电气焊接件(复板、托架桥形板、紧钩、电缆筒、管、框、填料函) 的焊接工艺要求. 本标准适用于民用船舶及无特殊要求的军用舰船. 2 电气焊接件的焊接 电气焊接件不得直接焊接在油柜(舱)、水柜、二层底的外壁上.必须焊接时须在焊接件烧焊处加焊复板要求满焊见图 1、图 2. 图2图1船体二层底复板电气焊接件油柜外壁复板电气焊接件 3 电缆托架、桥形板的焊接见图 3、图 4. 4~5图4图34~5电缆托架桥形板甲板或舱壁 桥形板、电缆托架、扁铁等应单边满焊. 但是,如果上述紧固件安装在露天甲板或潮湿场所,如浴室、厕所、厨房、洗衣间等处时应予双面满焊. 1 船舶电气焊接件焊接工艺规程 4 紧钩的焊接见图5、表1. 4~5图5紧钩甲板或舱壁 表1 m m L 130 150 180 230 280 330 380 B 24 136 50 66 90 120 150 H 25 45 65 85 105 125 L<230m m 焊接要求同桥形板. L≥230 m m 不论其安装何处,应全部双面满焊. 5 电缆筒或电缆管的焊接见图6、图7、表2. 表2 m m B 40 60 80 100 120 150 200 L 150 180 230 280 330 380 430 H 30 50 75 100 150 200 250 L <230m m 电缆筒及直径<150m m 电缆管安装在非水密甲板应单边满焊,安装在水密甲板应双面满焊. L≥230m m 的电缆筒及直径≥150m m 的电缆管安装在任何甲板均须双面满焊. 2 船舶电气焊接件焊接工艺规程 4~54~5图7图6绝缘层甲板电缆筒或管甲板电缆筒或管6 电缆框的焊接见图8、图9. 4~5图8甲板电缆框(筒式)甲板隔壁图9甲板隔壁电缆框(管式)甲板4~5 3 船舶电气焊接件焊接工艺规程 L<230m m 的电缆筒及直径D≥150 m m 的电缆管,安装在水密舱壁或横梁上,应单边满焊. 潮湿空间及L≥230m m 的电缆框及直径D≥150m m 的电缆管须双面满焊. 7 填料函的焊接见图 10、图 11. 填料函板上填料函间距为30~50m m 。原则上,填料函与舱壁重迭宽度为每边30~50m m .填料函板厚度与舱壁厚度相同。除去在浴室、厕所、厨房及洗衣间内安装的填料函双面满焊以外,其它地方的填料函应单面满焊。安装在气密舱壁上的填料函应双面满焊。图11t=4mm左右t1=t230~5020~25ttt2t1图10t=4mm左右舱壁填料函tt 4 船舶电气焊接件焊接工艺规程 8 设备支架的焊接见图1 2、图13. ...

1、当您付费下载文档后,您只拥有了使用权限,并不意味着购买了版权,文档只能用于自身使用,不得用于其他商业用途(如 [转卖]进行直接盈利或[编辑后售卖]进行间接盈利)。
2、本站所有内容均由合作方或网友上传,本站不对文档的完整性、权威性及其观点立场正确性做任何保证或承诺!文档内容仅供研究参考,付费前请自行鉴别。
3、如文档内容存在违规,或者侵犯商业秘密、侵犯著作权等,请点击“违规举报”。

碎片内容

船舶电气焊接件焊接工艺规程

您可能关注的文档

确认删除?
VIP
微信客服
  • 扫码咨询
会员Q群
  • 会员专属群点击这里加入QQ群
客服邮箱
回到顶部