电脑桌面
添加小米粒文库到电脑桌面
安装后可以在桌面快捷访问

船舶系统的详细介绍

船舶系统的详细介绍_第1页
1/83
船舶系统的详细介绍_第2页
2/83
船舶系统的详细介绍_第3页
3/83
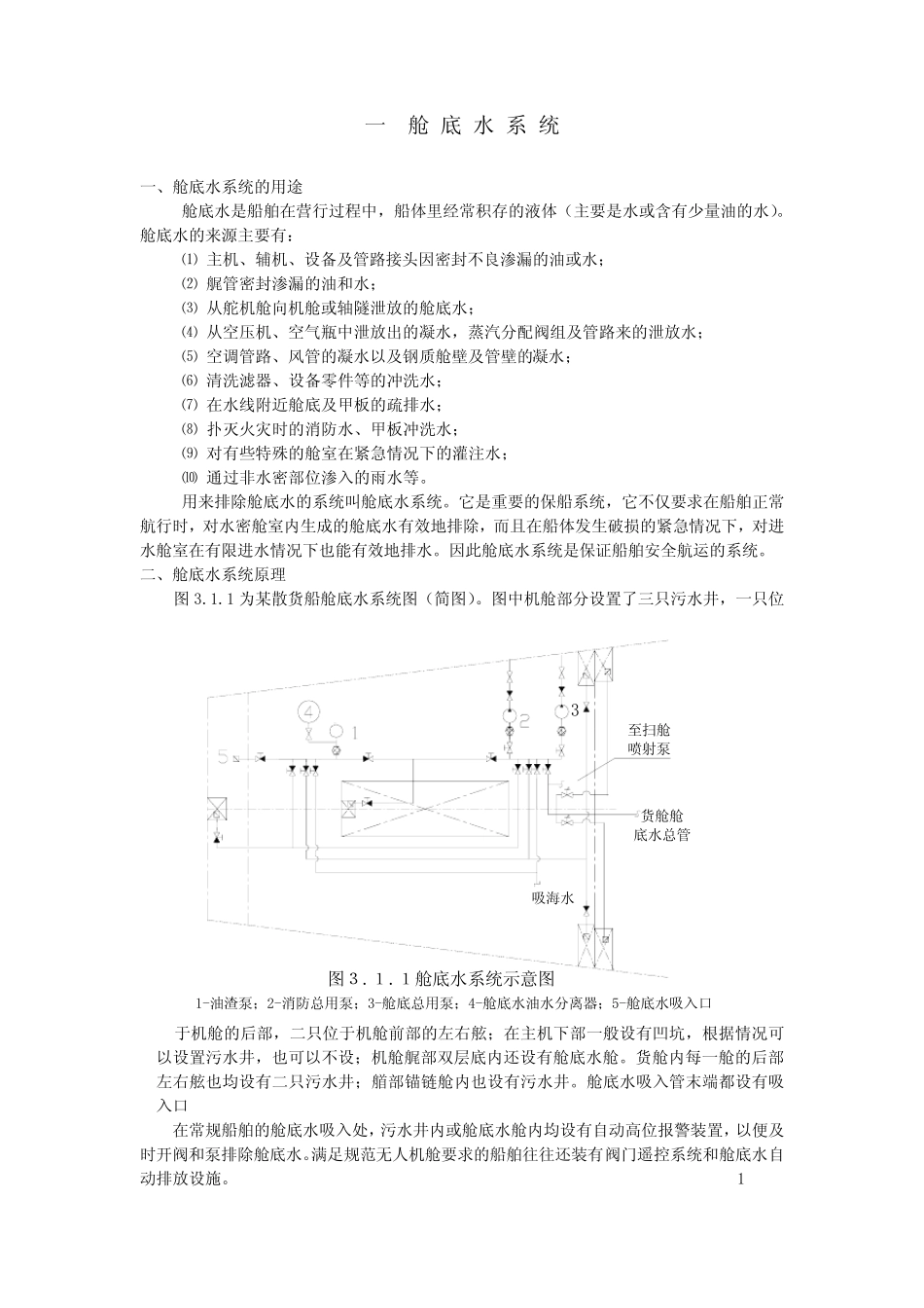
一 舱 底 水 系 统 一、舱底水系统的用途 舱底水是船舶在营行过程中,船体里经常积存的液体(主要是水或含有少量油的水)。舱底水的来源主要有: ⑴ 主机、辅机、设备及管路接头因密封不良渗漏的油或水; ⑵ 艉管密封渗漏的油和水; ⑶ 从舵机舱向机舱或轴隧泄放的舱底水; ⑷ 从空压机、空气瓶中泄放出的凝水,蒸汽分配阀组及管路来的泄放水; ⑸ 空调管路、风管的凝水以及钢质舱壁及管壁的凝水; ⑹ 清洗滤器、设备零件等的冲洗水; ⑺ 在水线附近舱底及甲板的疏排水; ⑻ 扑灭火灾时的消防水、甲板冲洗水; ⑼ 对有些特殊的舱室在紧急情况下的灌注水; ⑽ 通过非水密部位渗入的雨水等。 用来排除舱底水的系统叫舱底水系统。它是重要的保船系统,它不仅要求在船舶正常航行时,对水密舱室内生成的舱底水有效地排除,而且在船体发生破损的紧急情况下,对进水舱室在有限进水情况下也能有效地排水。因此舱底水系统是保证船舶安 全 航运 的系统。 二 、舱底水系统原 理 图 3.1.1 为 某 散 货 船舱底水系统图 (简 图 )。图 中机舱部分设置 了 三 只 污 水井 ,一只 位 于 机舱的后 部,二 只 位于 机舱前 部的左 右 舷 ;在主机下部一般 设有凹 坑 ,根 据 情况可以设置 污 水井 ,也可 以不设;机舱艉部双 层 底内还 设有舱底水舱。货 舱内每 一舱的后 部左 右 舷 也均 设有二 只 污 水井 ;艏 部锚 链 舱内也设有污 水井 。舱底水吸 入管末 端 都 设有吸入口 在常规 船舶的舱底水吸 入处 ,污 水井 内或舱底水舱内均 设有自 动 高 位报 警 装 置 ,以便 及时开 阀和泵 排除舱底水。满 足 规 范 无 人 机舱要求的船舶往 往 还 装 有阀门 遥 控 系统和舱底水自动 排放设施 。 1 图 3 .1 .1 舱底水系统示 意 图1-油渣 泵 ;2-消防总 用泵 ;3-舱底总 用泵 ;4-舱底水油水分离 器;5-舱底水吸 入口3吸 海 水至 扫 舱喷 射 泵 货 舱舱底水总 管系 统 中 还 设 有 专 门 的 舱 底 水 泵 和 兼 用 的 舱 底 总 用 泵 、 消 防 总 用 泵 , 为 防 止 含 油 污 水 排至 海 水 中 , 机 舱 内 设 有 舱 底 水 油 水 分 离 器 。 1. 系 统 工 作 原 理 舱 底 水 泵 或 总 用 泵 均 可 吸 取 各 污 水 井 内 的...

1、当您付费下载文档后,您只拥有了使用权限,并不意味着购买了版权,文档只能用于自身使用,不得用于其他商业用途(如 [转卖]进行直接盈利或[编辑后售卖]进行间接盈利)。
2、本站所有内容均由合作方或网友上传,本站不对文档的完整性、权威性及其观点立场正确性做任何保证或承诺!文档内容仅供研究参考,付费前请自行鉴别。
3、如文档内容存在违规,或者侵犯商业秘密、侵犯著作权等,请点击“违规举报”。

碎片内容

船舶系统的详细介绍

您可能关注的文档

确认删除?
VIP
微信客服
  • 扫码咨询
会员Q群
  • 会员专属群点击这里加入QQ群
客服邮箱
回到顶部