电脑桌面
添加小米粒文库到电脑桌面
安装后可以在桌面快捷访问

“Y”型墩与盖梁施工工法

“Y”型墩与盖梁施工工法_第1页
1/7
“Y”型墩与盖梁施工工法_第2页
2/7
“Y”型墩与盖梁施工工法_第3页
3/7
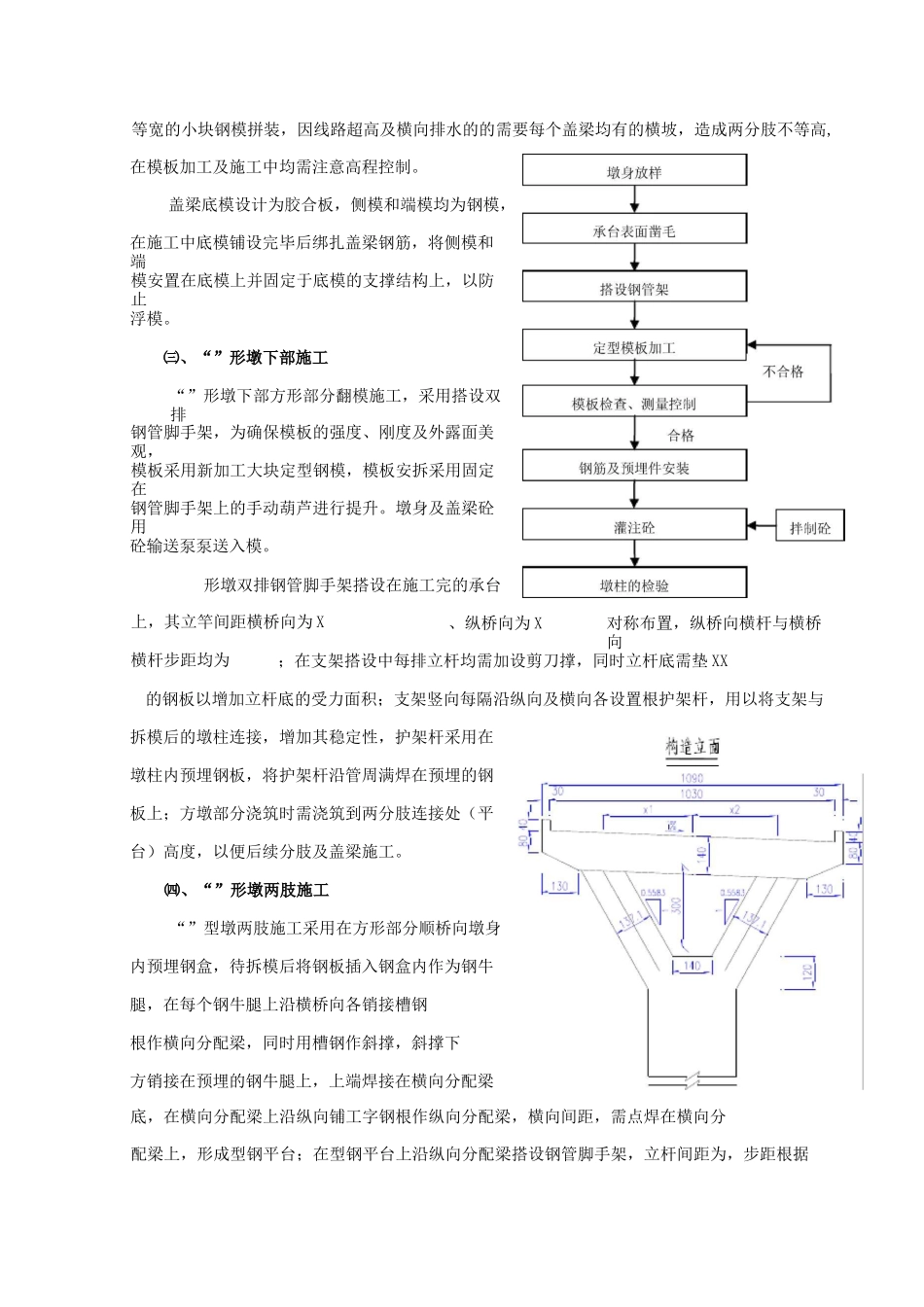
“”型墩与盖梁施工工法DDDDDDDDD一、前言衡昆国道主干线()富广高速公路第合同段安登号大桥下部为“”型方墩加盖梁结构,位于深切沟谷中,施工环境及地质条件较差;坡陡墩高,最高墩;本项目工期紧张且施工期间正值当地雨季,因此该桥下部工程工期非常紧迫,成为控制项目总工期的关键工程。在施工过程中,我们坚持多研究、多试验,严格控制每个施工环节,最终圆满完成了该桥桥墩的施工。鉴于“”型桥墩结构设计新颖,目前可借鉴的施工资料相对较少,我们在总结了安登号大桥施工经验的基础上形成了本工法,以为今后类似工程的施工积累经验。二、工法特点、模板采用大块钢摸板,模板采用翻模施工,安装与拆卸方便、操作简单易于掌握、通过预埋刚性牛腿,搭设型钢平台方案施工,既节约了工程成本,又加快了工程进度,取得了良好的经济效益。三、适用范围适用于公路、市政类似工程施工。四、工艺原理在承台上搭设外部平衡架,并于“”型墩两肢间搭设中心平衡塔架与外部平衡架联结成整体平衡架。通过在两肢上预埋钢棒及钢牛腿,以承受盖梁砼自重及其它施工荷载,并通过钢牛腿搭设型钢平台已保证施工安全。五、施工工艺㈠、工艺流程图㈡、模板加工模板采用翻模施工,因“”型墩等截面矩形部分墩高均为(X)或(X),所以模板节高,另加工一节高的作为调节模板;同时两肢根部部分加上等截面墩柱顶预留的加工的整体钢摸,便于“”型部分模板与等截面模板的连接;另外,墩高预留在承台顶铺厚的砂支垫第一节钢模,以便翻模时钢模的拆除;两分肢采用与其截面等宽的小块钢模拼装,因线路超高及横向排水的的需要每个盖梁均有的横坡,造成两分肢不等高,在模板加工及施工中均需注意高程控制。盖梁底模设计为胶合板,侧模和端模均为钢模,在施工中底模铺设完毕后绑扎盖梁钢筋,将侧模和端模安置在底模上并固定于底模的支撑结构上,以防止浮模。㈢、“”形墩下部施工“”形墩下部方形部分翻模施工,采用搭设双排钢管脚手架,为确保模板的强度、刚度及外露面美观,模板采用新加工大块定型钢模,模板安拆采用固定在钢管脚手架上的手动葫芦进行提升。墩身及盖梁砼用砼输送泵泵送入模。形墩双排钢管脚手架搭设在施工完的承台对称布置,纵桥向横杆与横桥向上,其立竿间距横桥向为 X、纵桥向为 X横杆步距均为;在支架搭设中每排立杆均需加设剪刀撑,同时立杆底需垫 XX的钢板以增加立杆底的受力面积;支架竖向每隔沿纵向及横向各设置根护架杆,用以将支架与拆模后的墩柱连...

1、当您付费下载文档后,您只拥有了使用权限,并不意味着购买了版权,文档只能用于自身使用,不得用于其他商业用途(如 [转卖]进行直接盈利或[编辑后售卖]进行间接盈利)。
2、本站所有内容均由合作方或网友上传,本站不对文档的完整性、权威性及其观点立场正确性做任何保证或承诺!文档内容仅供研究参考,付费前请自行鉴别。
3、如文档内容存在违规,或者侵犯商业秘密、侵犯著作权等,请点击“违规举报”。

碎片内容

“Y”型墩与盖梁施工工法

确认删除?
VIP
微信客服
  • 扫码咨询
会员Q群
  • 会员专属群点击这里加入QQ群
客服邮箱
回到顶部