电脑桌面
添加小米粒文库到电脑桌面
安装后可以在桌面快捷访问

太阳能路灯 单元工程施工质量报验单

太阳能路灯 单元工程施工质量报验单_第1页
1/8
太阳能路灯 单元工程施工质量报验单_第2页
2/8
太阳能路灯 单元工程施工质量报验单_第3页
3/8
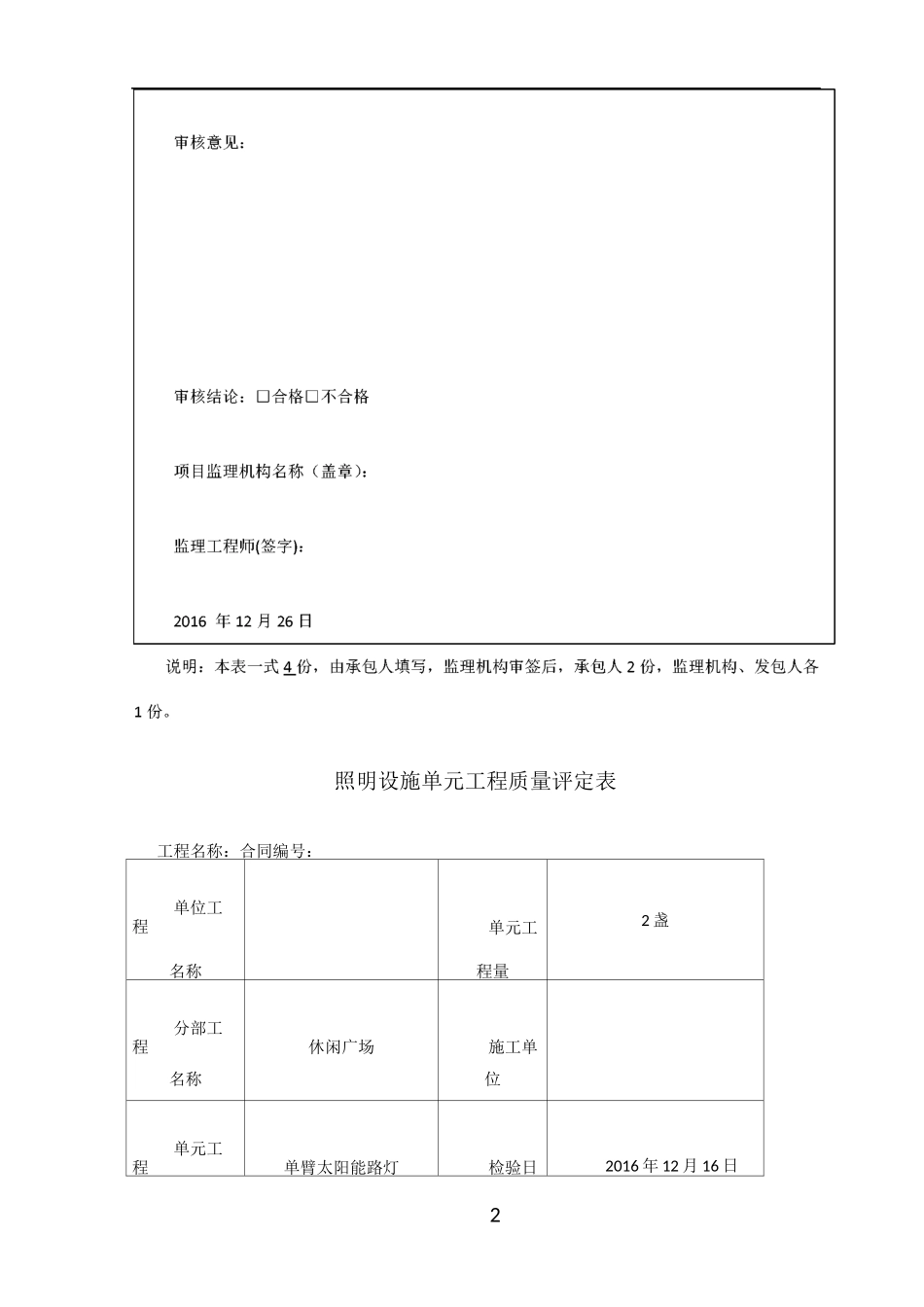
1CB18 单元工程施工质量报验单工程名称:合同编号:致:河南海纳建设管理有限公司现我方已完成村休闲广场(分部工程)单臂太阳能路灯(单元工程)工程,经我方检验符合设计、规范要求,请予以验收。附件:单元工程质量评定表_页2.・其他页3.□页承包单位名称(盖章):项目经理(签字):2016 年 12 月 26 日2照明设施单元工程质量评定表工程名称:合同编号:单位工程名称单元工程量2 盏分部工程休闲广场施工单名称位单元工程单臂太阳能路灯检验日2016 年 12 月 16 日3等级两个工序质承包单位工序名路灯质质量评定质量保证资料齐质量保证资料齐全,路灯外观质量良好。全,路灯外观质量良好位置符合设计要位置符合设计要求,路灯安装符合规范求,路灯安装符合规范要求。要求灯质量优良,安装质量合格。4灯座基础质量检验评定表工程名称:合同编号:单位工程名称单元工程量2 盏分部工程休闲广场施工单名称位单元工程单臂太阳能路灯检验日2016 年 12 月 26 日名称期次项检查项目质量标准检查记录1 基础处理基层上层应平整、夯符合施工要求实、无积水。2A 材料及混凝土配符合设计及规范规定C25合比要求5太阳能路灯安装工程质量检验评定表项目质量情况证项目1呆太阳能灯具规格,型号符合设计要求,灯座基础牢固。路灯型号 LED30W光伏组件、灯具、蓄电池安装要求符合施工规范规定符合要求678查项目检保证项目出厂检验报告齐全。基本项目检查 4 项其中合格 4 项合格率 100%允许偏差项目实测 12 点其中合格 11 点合格率 91.7%工单位施技术负责人:2016 年 12 月 7日定等级核合格监理工程师:2016 年 12 月7 日

1、当您付费下载文档后,您只拥有了使用权限,并不意味着购买了版权,文档只能用于自身使用,不得用于其他商业用途(如 [转卖]进行直接盈利或[编辑后售卖]进行间接盈利)。
2、本站所有内容均由合作方或网友上传,本站不对文档的完整性、权威性及其观点立场正确性做任何保证或承诺!文档内容仅供研究参考,付费前请自行鉴别。
3、如文档内容存在违规,或者侵犯商业秘密、侵犯著作权等,请点击“违规举报”。

碎片内容

太阳能路灯 单元工程施工质量报验单

您可能关注的文档

wxg+ 关注
实名认证
内容提供者

该用户很懒,什么也没介绍

相关文档

确认删除?
VIP
微信客服
  • 扫码咨询
会员Q群
  • 会员专属群点击这里加入QQ群
客服邮箱
回到顶部