电脑桌面
添加小米粒文库到电脑桌面
安装后可以在桌面快捷访问

动火作业审批表及用火证

动火作业审批表及用火证_第1页
1/2
动火作业审批表及用火证_第2页
2/2
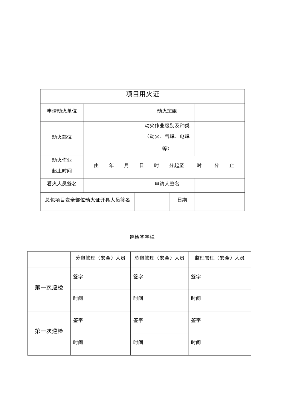
动火作业审批表及用火证申请动火单位动火班组动火部位动火作业级别及种类(动火、气焊、电焊等)动火作业起止时间由 年 月 日 时 分起至 时 分 止看火人员签字申请人签名分包单位项目负责人、施工员审核意见:审核人签字: 年 月 日审核审批签字:确认为( )级动火职务工长项目总工项目经理审批意见签字确认总包项目安全部动火证开具人员签名日期监理(总监)审批审核人签字: 年 月 日项目用火证申请动火单位动火班组动火部位动火作业级别及种类(动火、气焊、电焊等)动火作业起止时间由 年 月 日 时 分起至 时 分 止看火人员签名申请人签名总包项目安全部位动火证开具人员签名日期巡检签字栏分包管理(安全)人员 总包管理(安全)人员监理管理(安全)人员第一次巡检签字签字签字时间时间时间第一次巡检签字签字签字时间时间时间

1、当您付费下载文档后,您只拥有了使用权限,并不意味着购买了版权,文档只能用于自身使用,不得用于其他商业用途(如 [转卖]进行直接盈利或[编辑后售卖]进行间接盈利)。
2、本站所有内容均由合作方或网友上传,本站不对文档的完整性、权威性及其观点立场正确性做任何保证或承诺!文档内容仅供研究参考,付费前请自行鉴别。
3、如文档内容存在违规,或者侵犯商业秘密、侵犯著作权等,请点击“违规举报”。

碎片内容

动火作业审批表及用火证

文旅传媒+ 关注
实名认证
内容提供者

传播文化,成就未来

确认删除?
VIP
微信客服
  • 扫码咨询
会员Q群
  • 会员专属群点击这里加入QQ群
客服邮箱
回到顶部