电脑桌面
添加小米粒文库到电脑桌面
安装后可以在桌面快捷访问

压力容器年度检验报告

压力容器年度检验报告_第1页
1/90
压力容器年度检验报告_第2页
2/90
压力容器年度检验报告_第3页
3/90
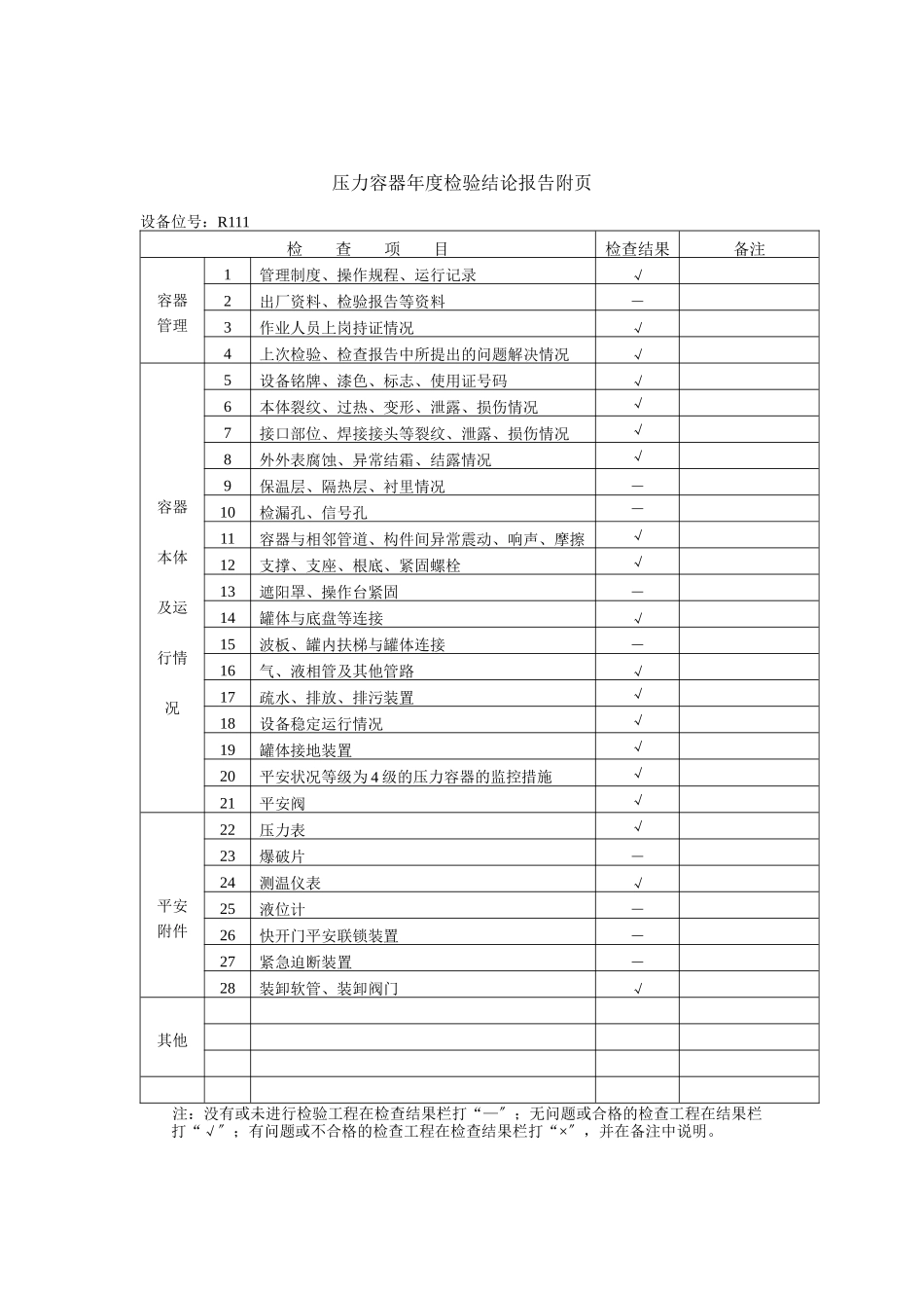
压力容器年度检验报告使 用 单 位: 浸胶二厂空压工段 容 器 名 称: 储气罐 设 备 位 号: R111 使 用 证 号: 检 验 日 期: 2024 年 5 月 神马实业股份帘子布公司压力容器年度检验结论报告使用单位浸胶二厂安装位置浸胶二厂空压站管理人员张志雄联系 3888349容器名称储气罐使用证号设备位号R111平安状态等级1 类容器内径2800mm容器高〔长〕mm公称壁厚14mm工作压力≤Mpa工作温度50℃工作介质空气主要检查依据:?压力容器定期检验规那么?检查发现的缺陷位置、程度、性质及处理意见〔必要时附图或附页〕:检 查结 论〔√ 〕允许运行〔 〕监督运行〔 〕暂停运行〔 〕停止运行允许/监督运行参数压力: ≤1.0 Mpa温度: 50 ℃介质: 空气其他:监督运行需解决的问题及完成期限〔暂停/停止运行说明〕:下次年度检验日期:2024 年 5 月检查: 张志雄 日期:2024 年 5 月 日期: 压力容器年度检验结论报告附页设备位号:R111检 查 项 目检查结果备注容器管理1管理制度、操作规程、运行记录√2出厂资料、检验报告等资料―3作业人员上岗持证情况√4上次检验、检查报告中所提出的问题解决情况√容器本体及运行情况5设备铭牌、漆色、标志、使用证号码√6本体裂纹、过热、变形、泄露、损伤情况√7接口部位、焊接接头等裂纹、泄露、损伤情况√8外外表腐蚀、异常结霜、结露情况√9保温层、隔热层、衬里情况―10检漏孔、信号孔―11容器与相邻管道、构件间异常震动、响声、摩擦√12支撑、支座、根底、紧固螺栓√13遮阳罩、操作台紧固―14罐体与底盘等连接√15波板、罐内扶梯与罐体连接―16气、液相管及其他管路√17疏水、排放、排污装置√18设备稳定运行情况√19罐体接地装置√20平安状况等级为 4 级的压力容器的监控措施√21平安阀√平安附件22压力表√23爆破片―24测温仪表√25液位计―26快开门平安联锁装置―27紧急迫断装置―28装卸软管、装卸阀门√其他注:没有或未进行检验工程在检查结果栏打“—〞;无问题或合格的检查工程在结果栏 打“√〞;有问题或不合格的检查工程在检查结果栏打“×〞,并在备注中说明。压力容器年度检验报告使 用 单 位: 浸胶二厂空压工段 容 器 名 称: 储气罐 设 备 位 号: R112 使 用 证 号: 检 验 日 期: 2024 年 5 月 神马实业股份帘子布公司压力容器年度检验结论报告使用单位浸胶二厂安装位置浸胶二厂空压站管理人员张志雄联系 3888349...

1、当您付费下载文档后,您只拥有了使用权限,并不意味着购买了版权,文档只能用于自身使用,不得用于其他商业用途(如 [转卖]进行直接盈利或[编辑后售卖]进行间接盈利)。
2、本站所有内容均由合作方或网友上传,本站不对文档的完整性、权威性及其观点立场正确性做任何保证或承诺!文档内容仅供研究参考,付费前请自行鉴别。
3、如文档内容存在违规,或者侵犯商业秘密、侵犯著作权等,请点击“违规举报”。

碎片内容

压力容器年度检验报告

您可能关注的文档

确认删除?
VIP
微信客服
  • 扫码咨询
会员Q群
  • 会员专属群点击这里加入QQ群
客服邮箱
回到顶部