电脑桌面
添加小米粒文库到电脑桌面
安装后可以在桌面快捷访问

(完整)30m预应力混凝土简支T梁

(完整)30m预应力混凝土简支T梁_第1页
1/44
(完整)30m预应力混凝土简支T梁_第2页
2/44
(完整)30m预应力混凝土简支T梁_第3页
3/44
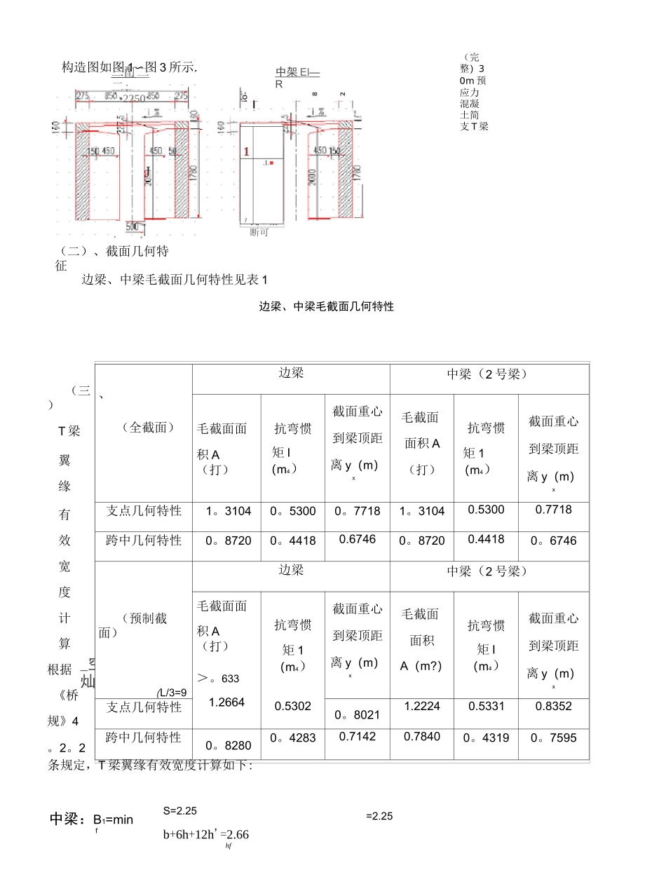
30m 预应力混凝土简支 T 梁一、计算依据与基础资料(一)、设计标准及采用规范1、标准跨径:桥梁标准跨径 30m;计算跨径(正交、简支)28。9m;预知 T 梁长 29。92m。设计荷载:公路 II 级桥面宽度:分离式路基宽 28。0m(高速公路),半幅桥全宽桥梁安全等级为一级,环境条件为 II类2、采用规范:交通部颁布的预应力混凝土简支 T 梁设计通用图;《公路桥涵设计通用规范》JTGD60-2004;《公路钢筋混凝土及预应力混凝土桥涵设计规范》JTGD62—2004;刘效尧等编著,《公路桥涵设计手册—梁桥》,人民交通出版社,2011;强士中,《桥梁工程(上)》,高等教育出版社,2004。(二)、主要材料1、混凝土:预制 T 梁,湿接缝为 C50、现浇铺装层为 C50、护栏为 C30。2、预应力钢绞线:采用钢绞线©s15。2mm,f=1860MPa,E=1.95X105MPapkp3、普通钢筋:采用 HRB335,f=335MPa,E=2。0X105MPasks(三)、设计要点1、简支 T 梁按全预应力构件进行设计,现浇层 80mm 厚的 C40 的混凝土不参与截面组合作用。2、结构重要性系数取 1.1;3、预应力钢束张拉控制应力值 o=0。75f;conpk4、计算混凝土收缩、徐变引起的预应力损失时传力锚固龄期为 7d;5、环境平均相对湿度 RH=55%;6、存梁时间为 90d;7、湿度梯度效应计算的温度基数,T=14°C,T=5。5°C。12二、结构尺寸及结构特征一)、构造图(完整)30m 预应力混凝土简支 T 梁构造图如图 1〜图 3 所示.罠 U 枯断可屮 愆 ; 一。嗖事了 I--&-■--■§.?C.-■I_空|灿7二酊 二 二;•2250J(二)、截面几何特征285O-中架 El — R11.1.■边梁、中梁毛截面几何特性见表 1(三)T 梁翼缘有效宽度计算根据《桥规》4。2。2边梁、中梁毛截面几何特性、(全截面)边梁中梁(2 号梁)毛截面面积 A(打)抗弯惯矩 I(m4)截面重心到梁顶距离 y(m)x毛截面面积 A(打)抗弯惯矩 1(m4)截面重心到梁顶距离 y(m)x支点几何特性1。31040。53000。77181。31040.53000.7718跨中几何特性0。87200。44180.67460。87200.44180。6746(预制截面)(L/3=9边梁中梁(2 号梁)毛截面面积 A(打)>。6331.2664抗弯惯矩 1(m4)截面重心到梁顶距离 y(m)x毛截面面积A(m?)抗弯惯矩 I(m4)截面重心到梁顶距离 y(m)x支点几何特性0.53020。80211.22240.53310.8352跨中几何特性0。82800。42830.71420.78400。43190。7595条规定,T 梁翼缘有效宽度计算如下:中梁:B1=minfS=2.25b+6h+...

1、当您付费下载文档后,您只拥有了使用权限,并不意味着购买了版权,文档只能用于自身使用,不得用于其他商业用途(如 [转卖]进行直接盈利或[编辑后售卖]进行间接盈利)。
2、本站所有内容均由合作方或网友上传,本站不对文档的完整性、权威性及其观点立场正确性做任何保证或承诺!文档内容仅供研究参考,付费前请自行鉴别。
3、如文档内容存在违规,或者侵犯商业秘密、侵犯著作权等,请点击“违规举报”。

碎片内容

(完整)30m预应力混凝土简支T梁

确认删除?
VIP
微信客服
  • 扫码咨询
会员Q群
  • 会员专属群点击这里加入QQ群
客服邮箱
回到顶部