电脑桌面
添加小米粒文库到电脑桌面
安装后可以在桌面快捷访问

山东某施工现场临时用电施工组织设计

山东某施工现场临时用电施工组织设计_第1页
1/11
山东某施工现场临时用电施工组织设计_第2页
2/11
山东某施工现场临时用电施工组织设计_第3页
3/11
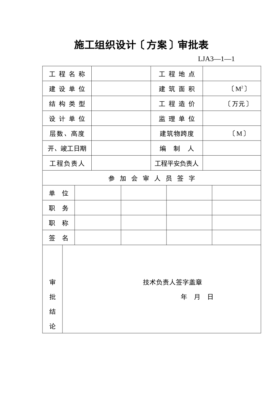
施工组织设计〔方案〕审批表 LJA3—1—1工 程 名 称工 程 地 点建 设 单 位建 筑 面 积 〔M2〕结 构 类 型工 程 造 价 〔万元〕设 计 单 位监 理 单 位层数、高度建筑物跨度 〔M〕开、竣工日期编 制 人工程负责人工程平安负责人参 加 会 审 人 员 签 字单 位职 务职 称 签 名审 批结论 技术负责人签字盖章 年 月 日建设单位审批 签字盖章 年 月 日施工现场临时用电施工组织设计1 施工用电管理工作是临时用电平安技术标准的核心内容根据JGJ46-88?施工现场临时用电平安技术标准?的规定:临时用电设备在 5 台及 5 台以上或设备总容量在 50KW 及 50KW 以上者,应编制临时用电施工组织设计。1.1 工程概况:本工程为 工程,砖混结构,混凝土条形根底,现浇梁、柱和局部楼板,标准层 层,建筑面积 平方米,根据本工程的特点和施工需要,本工程拟用用电设备的数量及用电总容量均满足编制临时用电施工组织设计的要求〔设备台数和用电总容量见表 1〕2 按标准要求编制临时用电施工组织设计。2.1 现场勘探:2.1.1 根据在建工程的施工组织设计和施工进度方案安排,总平面图和拟定的临时用电平面布置图,确定所用机械设备的位置和三级配电的层次及导线架设的布置等。2.1.2 该工程为混凝土条形根底,为此利用在建工程避雷接地分别在总配电箱处,配电线路的中间处和末端处做三处重复接地。每处的重复接地利用 φΩΩΩ,计算重复接地电阻的并联等值为:1/K 总 = 1/25 + 1/16 + 1/24 R 总 Ω<10Ω〔满足要求〕2.2 确定电源进线,总配电箱、分配电箱等的位置及线路走向;2.2.1 该工程施工现场临时用电总电源是由建设单位从村内配电室低压供电系统 380/220V 电压引入,送至施工单位指定的位置〔总配电箱处〕,整个施工现场按三级配电内容形式布置〔示意图表示〕;总配电箱→分配电箱→开关箱→用电设备,配电箱、开关箱按现场顺时针逐一编号,箱内所用开关明显的标志注明,其回路和所控用电设备等所运行的开关箱均有专人负责,整个施工现场有持证电工按时检查和不定期检查,以防发生触电事故。2.2.2 配电线路由建设单位送至总配电箱处的一侧电源线为三相四线制,380/220V 低压供电系统,自总配电箱二次侧开始配电,严格按三相五线制〔TN-S 系统〕覆盖施工现场,做到工作零线和保护零线严格分开,正常情况下不带电的金属外壳必须和保护零线相连接,工作零线仅用于负载 220V...

1、当您付费下载文档后,您只拥有了使用权限,并不意味着购买了版权,文档只能用于自身使用,不得用于其他商业用途(如 [转卖]进行直接盈利或[编辑后售卖]进行间接盈利)。
2、本站所有内容均由合作方或网友上传,本站不对文档的完整性、权威性及其观点立场正确性做任何保证或承诺!文档内容仅供研究参考,付费前请自行鉴别。
3、如文档内容存在违规,或者侵犯商业秘密、侵犯著作权等,请点击“违规举报”。

碎片内容

山东某施工现场临时用电施工组织设计

MY shop+ 关注
实名认证
内容提供者

欢迎挑选适合自己的材料。

确认删除?
VIP
微信客服
  • 扫码咨询
会员Q群
  • 会员专属群点击这里加入QQ群
客服邮箱
回到顶部