电脑桌面
添加小米粒文库到电脑桌面
安装后可以在桌面快捷访问

工程质量管理体系和质量管理制度

工程质量管理体系和质量管理制度_第1页
1/40
工程质量管理体系和质量管理制度_第2页
2/40
工程质量管理体系和质量管理制度_第3页
3/40
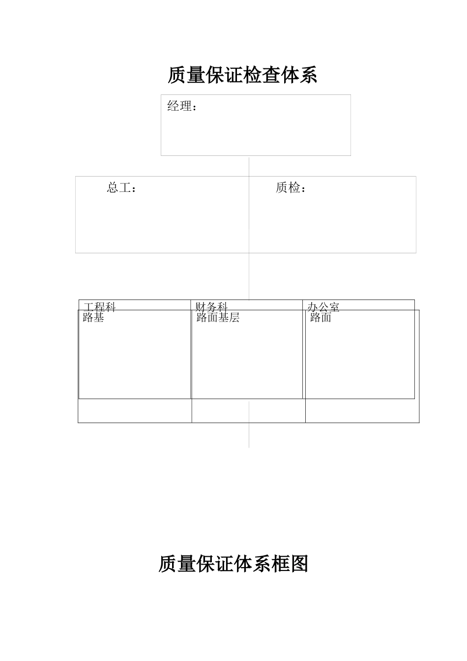
质量保证检查体系质量保证体系框图总工: 质检:经理:工程科财务科办公室路基路面基层路面施工保证体系制度保证体系组织保证体系质量方针:百年大计,质量第一质量目标:单位工程合格率 100%质量领导小组:工程经理任组长,工程总工程师、质量检查工程师为成员组织保证体系质量领导小组做好材料进场试验,选配合比、试件试验、检查、送检。组织技术交底和落实,进行质量教育,施工测量精确,确保按图、按标准施工,组织隐蔽工程检查、预验和验收。安排施工方案。试验员平安质量科施工技术科进行日常质量管理、检查、评比、综合各部门质量活动、信息反响。供应合格的材料及构件,提供质量证明,搞好材料的限额发放、管理。办公室物资科方案财务科根据质量状况监督资金运用。负责环境保护工作。分部工程质量检查。分项工程质量检查。工序交接质量控制。工程质量自检控制。施工技术、质量保证措施交底。施工工艺质量控制中间产品质量控制工程竣工文件的编制。工程竣工验收。施工现场环境质量的检测。编制施工组织设计及工程进度方案。选用技术管理人员及合格技术工人。施工机械设备,试验仪器质量性能的检测。施工用原材料,预制构件半成品质量检验。竣 工 阶 段施 工 准 备 阶 段施 工 阶 段施 工 保 证 体 系竣工质量自检。质量信息管理制度质量事故报告、调查和处理制度成品保护制度检验批隐蔽工程检查制度施工过程质量检查制度技术交底制度施工图现场核对制度施工测量复核制度试验工程师岗位质量责任制机械设备员岗位质量责任制质量检查工程师岗位责任制工程科长岗位质量责任制工程总工程师岗位质量责任制副经理岗位质量责任制工程经理岗位质量责任制岗位责任制质量管理制度岗位责任制生产班组长岗位质量责任制领工员岗位质量责任制开工报告审批制度质量岗位责任制为进一步加强工程质量管理,标准质量行为,明确规定各级领导者、职能部门和生产工人在质量管理过程中应负的责任。做到“管理质量,人人有责〞,是每个职工都认真遵守各项质量管理制度,履行自己的质量职责,杜绝质量事故的发生,努力提高工程质量水平,实现创优目标。特制订以下质量责任制。一、工程经理质量责任制1、 认真宣传、贯彻、执行党和国家质量生产的方针政策及上级有关规定指示,结合施工生产实际情况制定本工程部贯彻实施措施,并检查执行情况。2、 认真贯彻“管生产必须管质量〞的原那么,从组织管理指挥生产方面对质量生产负第一责任,把质量工作...

1、当您付费下载文档后,您只拥有了使用权限,并不意味着购买了版权,文档只能用于自身使用,不得用于其他商业用途(如 [转卖]进行直接盈利或[编辑后售卖]进行间接盈利)。
2、本站所有内容均由合作方或网友上传,本站不对文档的完整性、权威性及其观点立场正确性做任何保证或承诺!文档内容仅供研究参考,付费前请自行鉴别。
3、如文档内容存在违规,或者侵犯商业秘密、侵犯著作权等,请点击“违规举报”。

碎片内容

工程质量管理体系和质量管理制度

您可能关注的文档

MY shop+ 关注
实名认证
内容提供者

欢迎挑选适合自己的材料。

确认删除?
VIP
微信客服
  • 扫码咨询
会员Q群
  • 会员专属群点击这里加入QQ群
客服邮箱
回到顶部