电脑桌面
添加小米粒文库到电脑桌面
安装后可以在桌面快捷访问

工程量现场签证和出厂证明样本

工程量现场签证和出厂证明样本_第1页
1/46
工程量现场签证和出厂证明样本_第2页
2/46
工程量现场签证和出厂证明样本_第3页
3/46
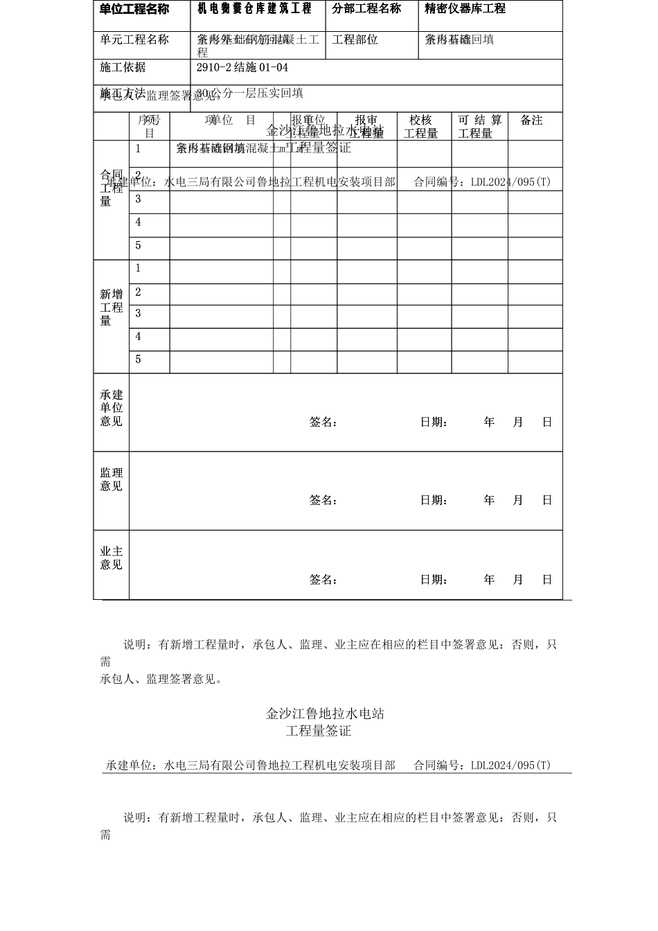
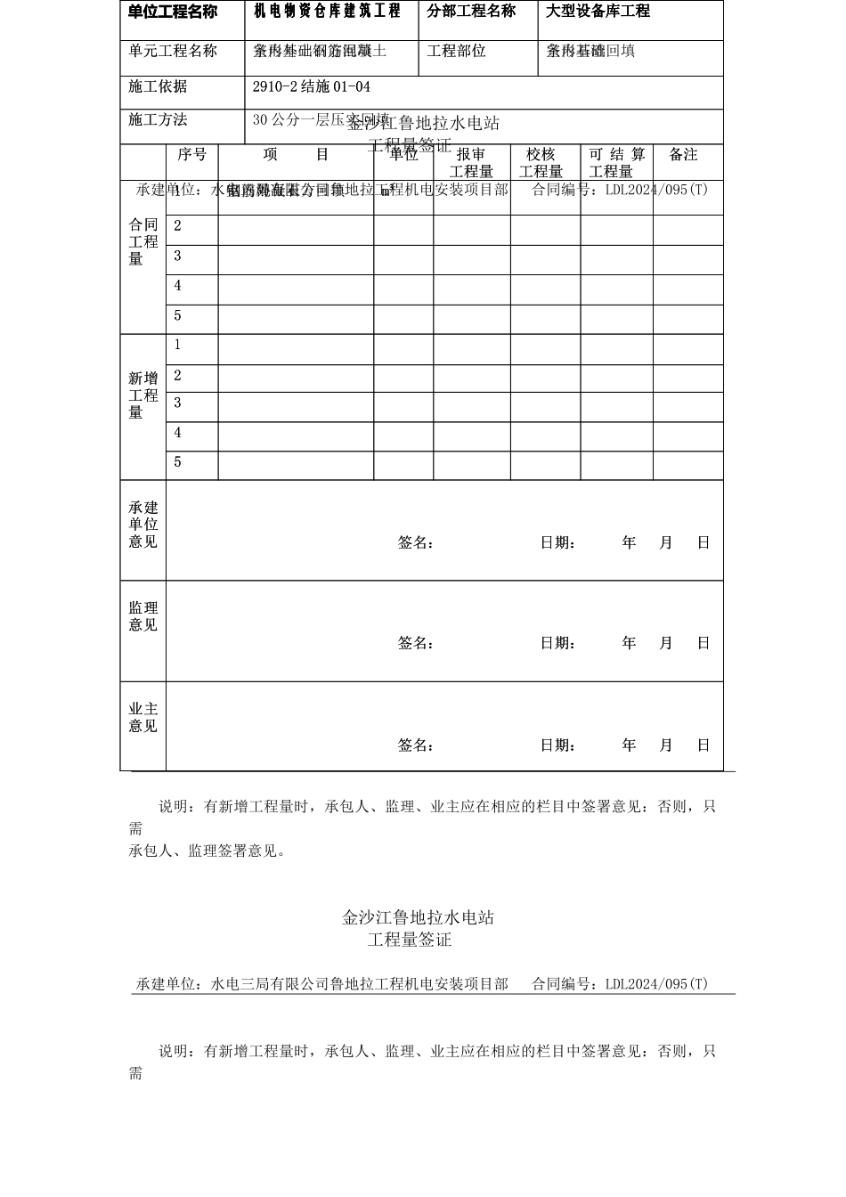
金沙江鲁地拉水电站工程量签证承建单位:水电三局有限公司鲁地拉工程机电安装项目部 合同编号:LDL2024/095(T)说明:有新增工程量时,承包人、监理、业主应在相应的栏目中签署意见:否则,只需承包人、监理签署意见。金沙江鲁地拉水电站工程量签证承建单位:水电三局有限公司鲁地拉工程机电安装项目部 合同编号:LDL2024/095(T)说明:有新增工程量时,承包人、监理、业主应在相应的栏目中签署意见:否则,只需单位工程名称机电物资仓库建筑工程分部工程名称大型设备库工程单元工程名称室内外土石方回填工程部位室内石渣回填施工依据2910-2 结施 01-04施工方法30 公分一层压实回填序号项 目单位报审工程量校核工程量可 结 算工程量备注合同工程量1室内外土石方回填m³2345新增工程量12345承建单位意见 签名: 日期: 年 月 日监理意见 签名: 日期: 年 月 日业主意见 签名: 日期: 年 月 日单位工程名称机电物资仓库建筑工程分部工程名称大型设备库工程单元工程名称条形基础钢筋混凝土工程部位条形基础施工依据2910-2 结施 01-04施工方法序号项 目单位报审工程量校核工程量可 结 算工程量备注合同工程量1钢筋混凝土m³2345新增工程量12345承建单位意见 签名: 日期: 年 月 日监理意见 签名: 日期: 年 月 日业主意见 签名: 日期: 年 月 日承包人、监理签署意见。金沙江鲁地拉水电站工程量签证承建单位:水电三局有限公司鲁地拉工程机电安装项目部 合同编号:LDL2024/095(T)说明:有新增工程量时,承包人、监理、业主应在相应的栏目中签署意见:否则,只需承包人、监理签署意见。金沙江鲁地拉水电站工程量签证承建单位:水电三局有限公司鲁地拉工程机电安装项目部 合同编号:LDL2024/095(T)说明:有新增工程量时,承包人、监理、业主应在相应的栏目中签署意见:否则,只需单位工程名称机电物资仓库建筑工程分部工程名称精密仪器库工程单元工程名称条形基础钢筋混凝土工程工程部位条形基础施工依据2910-2 结施 01-04施工方法序号项 目单位报审工程量校核工程量可 结 算工程量备注合同工程量1条形基础钢筋混凝土m³2345新增工程量12345承建单位意见 签名: 日期: 年 月 日监理意见 签名: 日期: 年 月 日业主意见 签名: 日期: 年 月 日单位工程名称机电安装仓库建筑工程分部工程名称精密仪器库工程单元工程名称室内外土石方回填工程部位室内石渣回填施工依据2910-2 结施...

1、当您付费下载文档后,您只拥有了使用权限,并不意味着购买了版权,文档只能用于自身使用,不得用于其他商业用途(如 [转卖]进行直接盈利或[编辑后售卖]进行间接盈利)。
2、本站所有内容均由合作方或网友上传,本站不对文档的完整性、权威性及其观点立场正确性做任何保证或承诺!文档内容仅供研究参考,付费前请自行鉴别。
3、如文档内容存在违规,或者侵犯商业秘密、侵犯著作权等,请点击“违规举报”。

碎片内容

工程量现场签证和出厂证明样本

范哲铺+ 关注
实名认证
内容提供者

想你所想,急你所急,你需要的都在店铺里可以找到。

确认删除?
VIP
微信客服
  • 扫码咨询
会员Q群
  • 会员专属群点击这里加入QQ群
客服邮箱
回到顶部