电脑桌面
添加小米粒文库到电脑桌面
安装后可以在桌面快捷访问

某印刷包装有限公司一体化体系管理手册

某印刷包装有限公司一体化体系管理手册_第1页
1/52
某印刷包装有限公司一体化体系管理手册_第2页
2/52
某印刷包装有限公司一体化体系管理手册_第3页
3/52
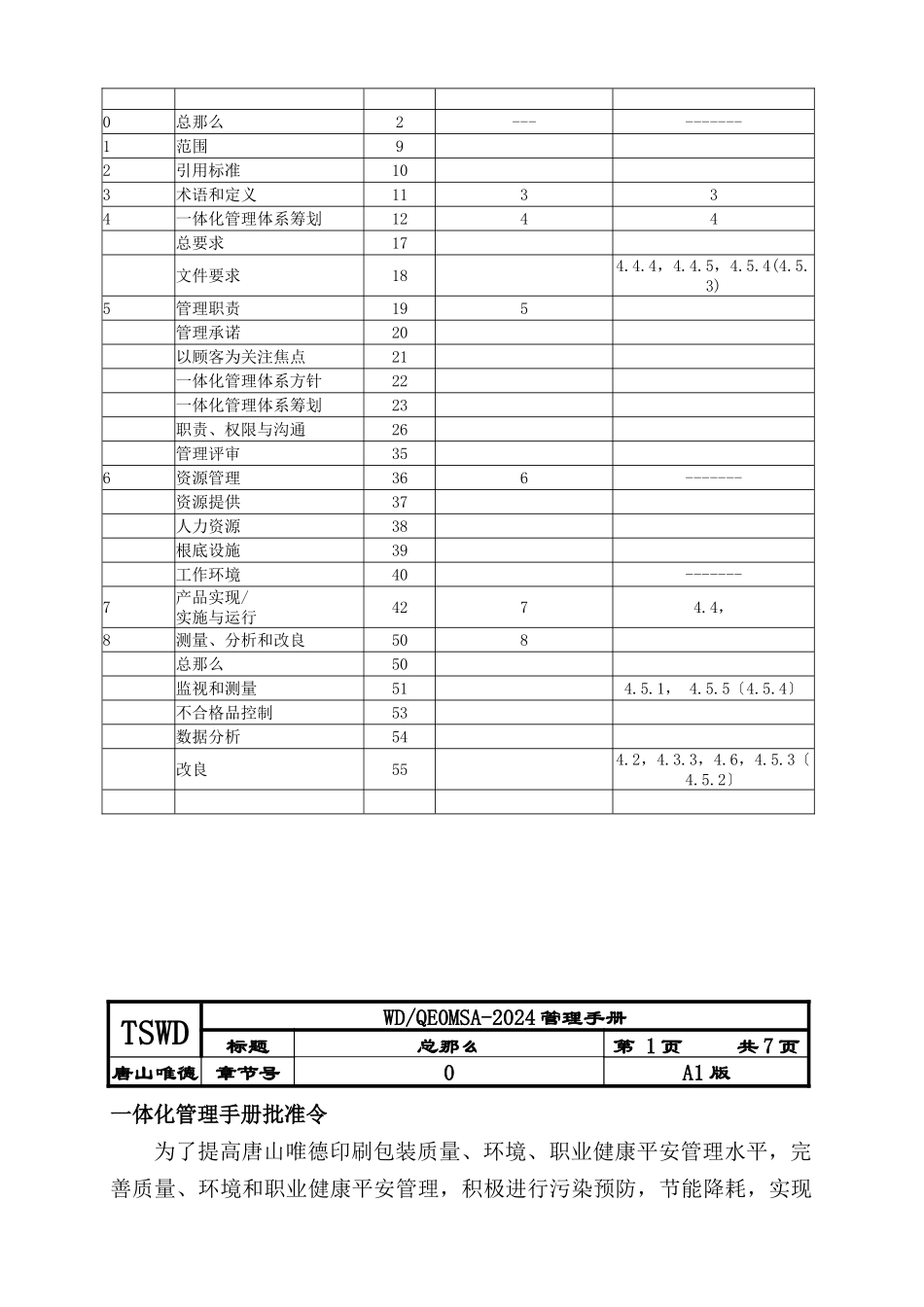
唐山唯德印刷包装 一体化体系管理手册依据 GB/T19001—2024〔IDT ISO9001:2024〕GB/T24001—2024〔IDT ISO14001:2024〕GB/T28001—2001 WD/QEOMSA-2024 A1 版TTSWD 审批: 实施日期:2024 年 1 月 5 日 目 录章次名称页码对应 ISO9000 要素号对应 ISO14001、GB/T28001要素号0总那么2----------1范围92引用标准103术语和定义11334一体化管理体系筹划1244总要求17文件要求184.4.4,4.4.5,4.5.4(4.5.3)5管理职责195管理承诺20以顾客为关注焦点21一体化管理体系方针22一体化管理体系筹划23职责、权限与沟通26管理评审356资源管理366-------资源提供37人力资源38根底设施39工作环境40-------7产品实现/实施与运行4274.4,8测量、分析和改良508总那么50监视和测量514.5.1, 4.5.5〔4.5.4〕不合格品控制53数据分析54改良554.2,4.3.3,4.6,4.5.3〔4.5.2〕一体化管理手册批准令为了提高唐山唯德印刷包装质量、环境、职业健康平安管理水平,完善质量、环境和职业健康平安管理,积极进行污染预防,节能降耗,实现TSWDWD/QE0MSA-2024 管理手册标题总那么第 1 页 共 7 页唐山唯德 章节号0A1 版 满足顾客要求和法律法规要求,内抓质量、环境和职业健康平安管理,外树形象,以到达可持续开展的目的,公司依据 GB/T24001—2024〔IDT ISO14001:2024〕?环境管理体系 要求及使用指南 ?、GB/T19001—2024〔IDT ISO9001:2024〕?质量管理体系 要求?和 GB/T28001—2001?职业健康平安管理体系 标准?,结合公司实际情况编制了本手册。本手册规定了公司一体化管理体系的组织结构、职责、编制的程序、所识别过程的相互关系,说明了对顾客和相关方的质量、环境和职业健康平安承诺,是公司一体化管理的纲领性文件,是公司质量、环境和职业健康平安管理活动的准那么和指南,全体员工应严格遵照执行。本手册自 2024 年 12 月 25 日起实施,特予批准公布。 总经理:陈金峰 2024 年 12 月 25 日 一体化管理方针:精益求精,追求卓越,超越顾客期望关注环境,关爱生命,实现持续开展寓义:1、牢固树立顾客至上的意识,用优质的产品和优良的效劳,不断增强顾客满意度。2、坚持可持续开展的战略和以人为本的经营理念,采纳新技术、新TSWDWD/QE0MSA-2024 管理手册标题总那么第 2 页 共 7 页唐山唯德 章节号0A1 版 材料、新设备,节约能源、减少污染,并为职工营造文明、健康、和谐的工作环境。公司的质量、环境、健康...

1、当您付费下载文档后,您只拥有了使用权限,并不意味着购买了版权,文档只能用于自身使用,不得用于其他商业用途(如 [转卖]进行直接盈利或[编辑后售卖]进行间接盈利)。
2、本站所有内容均由合作方或网友上传,本站不对文档的完整性、权威性及其观点立场正确性做任何保证或承诺!文档内容仅供研究参考,付费前请自行鉴别。
3、如文档内容存在违规,或者侵犯商业秘密、侵犯著作权等,请点击“违规举报”。

碎片内容

某印刷包装有限公司一体化体系管理手册

您可能关注的文档

领读文化+ 关注
实名认证
内容提供者

传播文化,铸就未来

确认删除?
VIP
微信客服
  • 扫码咨询
会员Q群
  • 会员专属群点击这里加入QQ群
客服邮箱
回到顶部