电脑桌面
添加小米粒文库到电脑桌面
安装后可以在桌面快捷访问

LNG加气站选址原则

LNG加气站选址原则_第1页
1/8
LNG加气站选址原则_第2页
2/8
LNG加气站选址原则_第3页
3/8
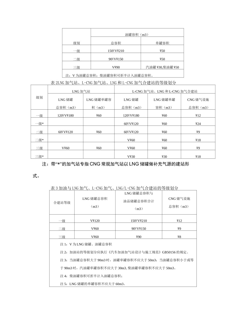
LNG 加气站选址原则为规范公司 LNG 加气站的选址工作,根据《GB50156-2012 汽车加油加气站设计与施工规范》、《液化天然气(LNG)汽车加气站技术规范 NB/T1001-2011》以及我公司 LNG 加气站的市场规划相关要求,结合公司前期在 LNG 加气站选址上的经验,总结了以下几点:一、建站方式LNG 汽车加气站应根据建站场地以及地理位置、车流量等实际情况,选择合适的建站方式目前加气站的建站方式主要有 2 种:① 站房式,②橇装式。① 站房式加气站(固定站、常规站、标准站)这种建站方式占地面积大,土地费用高,设备与基础相连,施工周期长,加气站的土建施工、设备安装费用高。若选址处于 LNG 应用的初期,LNG 汽车的数量少,LNG 消耗量小,则成本回收周期长,这种建站方式适合已经有一定量 LNG 汽车或政府资金支持的市场。② 橇装式加气站(撬装站)这种建站方式占地面积小,土地费用低,设备绝大多数集成在一个或多个橇块上,施工周期短,加气站的土建施工、设备安装费用少,建站整体造价低,易于成本回收。低温泵两种 LNG 加气站总平布置概述:1、常规站:围堰(储罐、集液池)、卸车点、卸车增压器、低温潜液泵、EAG 加热器、消防水池、消防泵房、放散塔、加气罩棚、箱变、控制站房。2、撬装站:围堰(储罐、集液池)、卸车点、加气泵撬、加气机、控制站房。二、加油站、力口气站、加气站和加油站合建站的等级划分:表 1 加油站的等级划分级别油罐容积(m3)总容积单罐容积一级150VVW210W50二级90VVW150W50三级VW90汽油罐 W30,柴油罐 W50注:V 为油罐总容积;柴油罐容积可折半计入油罐总容积。表 2LNG 加气站、L-CNG 加气站、LNG 和 L-CNG 加气合建站的等级划分级别LNG 加气站L-CNG 加气站、LNG 和 L-CNG 加气合建站LNG 储罐总容积(m3)LNG 储罐单罐容积(m3)LNG 储罐总容积(m3)LNG 储罐单罐容积(m3)CNG 储气设施总容积(m3)一级120VVW180W60120VVW180W60W12一级*60VVW120W60W24二级60VVW120W6060VVW120W60W9二级*VW60W60W18三级VW60W60VW60W60W9三级*VW30W30W18注:带“*”的加气站专指 CNG 常规加气站以 LNG 储罐做补充气源的建站形式。表 3 加油与 LNG 加气、L-CNG 加气、LNG/L-CNG 加气合建站的等级划分合建站等级LNG 储罐总容积(m3)LNG 储罐总容积与油品储罐总容积合计(m3)CNG 储气设施总容积(m3)一级VW120150VVW210W12二级VW6090VVW150W9三级VW60W90W8注 1:V 为 LNG 储罐、油...

1、当您付费下载文档后,您只拥有了使用权限,并不意味着购买了版权,文档只能用于自身使用,不得用于其他商业用途(如 [转卖]进行直接盈利或[编辑后售卖]进行间接盈利)。
2、本站所有内容均由合作方或网友上传,本站不对文档的完整性、权威性及其观点立场正确性做任何保证或承诺!文档内容仅供研究参考,付费前请自行鉴别。
3、如文档内容存在违规,或者侵犯商业秘密、侵犯著作权等,请点击“违规举报”。

碎片内容

LNG加气站选址原则

您可能关注的文档

确认删除?
VIP
微信客服
  • 扫码咨询
会员Q群
  • 会员专属群点击这里加入QQ群
客服邮箱
回到顶部