电脑桌面
添加小米粒文库到电脑桌面
安装后可以在桌面快捷访问

磷矿石反浮选试验方案VIP专享

磷矿石反浮选试验方案_第1页
1/7
磷矿石反浮选试验方案_第2页
2/7
磷矿石反浮选试验方案_第3页
3/7
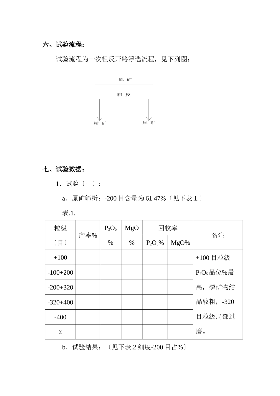
四川会东磷矿石反浮选试验一、原矿性质:该磷矿石为原生矿,矿石主要呈灰黑色,含少量灰白色,原矿氧化镁含量较高。二、原矿样多元素分析:元素P2O5MgOFe2O3Al2O3CaOSiO2 MnOF酸不熔物含量%三、试验方案:将矿石破裂至-2mm 以下,充分混匀,经磨矿分样后进行一次粗反开路浮选流程试验。四、试验药剂及配制浓度:名称2#油H2SO4H3PO4H969浓度%原液1052五、试验条件:1.试验温度:室温 19℃2.试验浓度:33±1%3.试验细度:-200 目占%、73.00%、87.88%4.试验 PH 值:5-65.试验时间:10 分钟6.试验线速度:六、试验流程:试验流程为一次粗反开路浮选流程,见下列图:七、试验数据:1.试验〔一〕:a.原矿筛析:-200 目含量为 61.47%〔见下表.1.〕表.1.粒级〔目〕产率%P2O5%MgO%回收率备注P2O5%MgO%+100+100 目粒级P2O5品位%最高,磷矿物结晶较粗;-320目粒级局部过磨。-100+200-200+320-320+400-400Σb.试验结果:〔见下表.2.细度-200 目占%〕表.2.药剂制度产品 产率%P2O5%MgO%回收率P2O5%MgO%2#油: 4 滴H2SO4: Kg/t.αH3PO4: Kg/t.αH969 : Kg/t.α精矿尾矿原矿2#油: 4 滴H2SO4: Kg/t.αH3PO4: Kg/t.α2XP-64 : Kg/t.α精矿尾矿原矿2#油: 4 滴H2SO4: Kg/t.αH3PO4: Kg/t.αH969 :Kg/t.α精矿尾矿原矿2.试验〔二〕a.原矿筛析:-200 目含量为 73.00%〔见下表.3.〕表.3.粒级〔目〕 产率%P2O5%MgO%回收率P2O5%MgO%+100-100+200-200+320-320+400-400Σb.试验结果:〔见下表.4.〕表.4.药剂制度产品产率%P2O5%MgO%回收率P2O5%MgO%2#油: 4 滴H2SO4:0.5 Kg/t.αH3PO4:3.0 Kg/t.αH969 : 0.5 Kg/t.α精矿尾矿原矿2#油: 4 滴H2SO4: Kg/t.αH3PO4: Kg/t.αH969 : Kg/t.α精矿尾矿原矿12#油: 4 滴H2SO4:0.5 Kg/t.αH3PO4: Kg/t.αH969 : Kg/t.α精矿尾矿原矿2#油: 4 滴H2SO4: Kg/t.αH3PO4: Kg/t.αH969 : Kg/t.α精矿尾矿原矿2#油: 4 滴H2SO4: Kg/t.αH3PO4: Kg/t.αH969 : Kg/t.α精矿尾矿原矿5.423.试验〔三〕:a.原矿筛析:-200 目含量为 87.88%〔见下表.5.〕表.5.粒级〔目〕 产率%P2O5%MgO%回收率P2O5%MgO%+100-100+200-200+320-320+400-400Σb.试验结果:(-200 目占%,见下表.6.)表.6.药剂制度产品 产率%P2O5%MgO%回收率P2O5%MgO%2#油: 4 滴H2SO4: Kg/t.αH3PO4: Kg/t.αH969 : Kg/t.α精矿尾矿原矿2#油: 4 滴H2SO4: Kg/t....

1、当您付费下载文档后,您只拥有了使用权限,并不意味着购买了版权,文档只能用于自身使用,不得用于其他商业用途(如 [转卖]进行直接盈利或[编辑后售卖]进行间接盈利)。
2、本站所有内容均由合作方或网友上传,本站不对文档的完整性、权威性及其观点立场正确性做任何保证或承诺!文档内容仅供研究参考,付费前请自行鉴别。
3、如文档内容存在违规,或者侵犯商业秘密、侵犯著作权等,请点击“违规举报”。

碎片内容

磷矿石反浮选试验方案

确认删除?
VIP
微信客服
  • 扫码咨询
会员Q群
  • 会员专属群点击这里加入QQ群
客服邮箱
回到顶部