电脑桌面
添加小米粒文库到电脑桌面
安装后可以在桌面快捷访问

管道及支架技术规范VIP专享

管道及支架技术规范_第1页
1/16
管道及支架技术规范_第2页
2/16
管道及支架技术规范_第3页
3/16
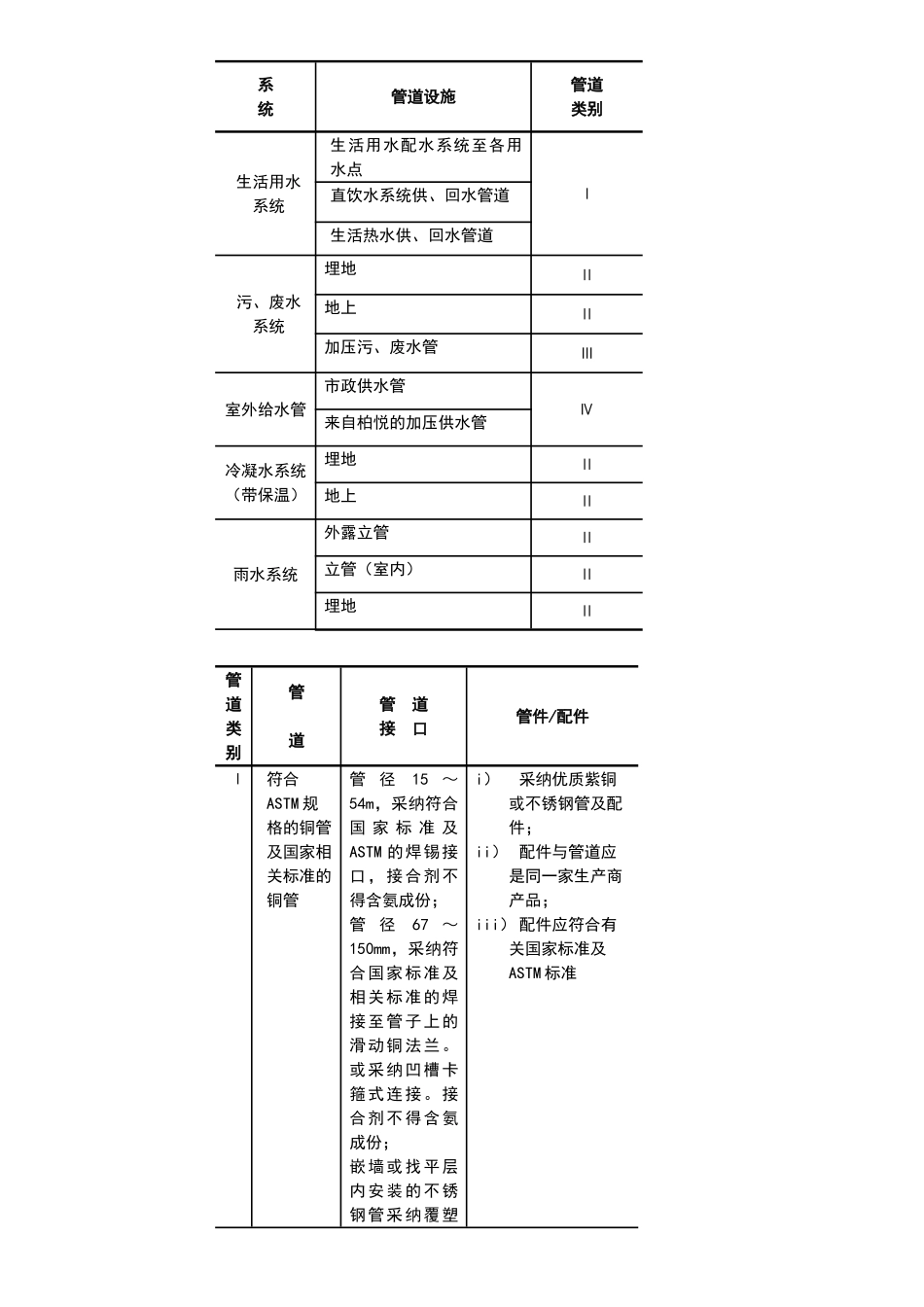
1管道及支架1. 总则 1.1说明 本章说明给水及排水系统的管道及其它设备的规格和安装所需的各项技术要求。1.2一般要求1.2.1 所有送达施工场地的管道均应为全新的,并带有色带、标识以利辩认不同的等级;1.2.2 所有管道应按施工图纸安装;1.2.3 管道接头不应藏在墙身或地板之内;1.2.4 管道应借管套越过墙壁、地台。若管道所穿越之结构需要防水密封时,须用铸铁防水法兰管套接驳;1.2.5 配合施工进度提交所有有关管道的安装资料;1.2.6 所有跨越楼宇伸缩缝的管道必须采纳波纹伸缩器连接;1.2.7 在安装需配合吊顶时,承包单位须负责调整管道的高低使符合吊顶高度,费用由承包单位承担。若管道须早于吊顶安装时,承包单位应预先获得顾问工程师发出预定高度的指令后方可进行;1.2.8 所有管道如装设于室内如有结露的可能,必须提供保温材料;1.2.9 任何情况下,镀锌钢管不得采纳焊接方法。1.3质量保证3.1.1.1 所有管道装配人员和设备安装人员均应具有在本行业中至少三年以上有关的工作经验;3.1.1.2 所有供本工程使用的管道和配件均应符合国标、BS、ASTM、JIS、DIN、ISO及凯悦国际的标准要求;3.1.1.3 所有烧焊技工必须具备由有关政府机关签发的有效上岗证书。1.4资料呈审4.1.1.1 提交管道支架和固定支架详图供审批;4.1.1.2 提交管道测试和清干净化程序供审批;4.1.1.3 在测试和投入运行之后须提交完整的测试报告。2. 产品4.1.2管道工程材料4.1.2.1 除特别的注明外,给水系统管道规格应符合下列的要求,而材料标准见设备材料一览表:系统管道设施管道类别生活用水系统生活用水配水系统至各用水点Ⅰ直饮水系统供、回水管道生活热水供、回水管道污、废水系统埋地Ⅱ地上Ⅱ加压污、废水管Ⅲ室外给水管市政供水管Ⅳ来自柏悦的加压供水管冷凝水系统(带保温)埋地Ⅱ地上Ⅱ雨水系统外露立管Ⅱ立管(室内)Ⅱ埋地Ⅱ管道类别管道管 道接 口管件/配件Ⅰ符合ASTM 规格的铜管及国家相关标准的铜管管径15~54m,采纳符合国 家 标 准 及ASTM 的焊锡接口,接合剂不得含氨成份;管径67~150mm,采纳符合国家标准及相关标准的焊接至管子上的滑动铜法兰。或采纳凹槽卡箍式连接。接合剂不得含氨成份;嵌墙或找平层内安装的不锈钢管采纳覆塑i)采纳优质紫铜或不锈钢管及配件;ii) 配件与管道应是同一家生产商产品;iii) 配件应符合有关国家标准及ASTM 标准管道类别管道管 道接 口管件/配件或符合ASTM 相关标准及国家有关标准或规定的不锈...

1、当您付费下载文档后,您只拥有了使用权限,并不意味着购买了版权,文档只能用于自身使用,不得用于其他商业用途(如 [转卖]进行直接盈利或[编辑后售卖]进行间接盈利)。
2、本站所有内容均由合作方或网友上传,本站不对文档的完整性、权威性及其观点立场正确性做任何保证或承诺!文档内容仅供研究参考,付费前请自行鉴别。
3、如文档内容存在违规,或者侵犯商业秘密、侵犯著作权等,请点击“违规举报”。

碎片内容

管道及支架技术规范

确认删除?
VIP
微信客服
  • 扫码咨询
会员Q群
  • 会员专属群点击这里加入QQ群
客服邮箱
回到顶部