电脑桌面
添加小米粒文库到电脑桌面
安装后可以在桌面快捷访问

绿色施工实施计划表VIP专享

绿色施工实施计划表_第1页
1/3
绿色施工实施计划表_第2页
2/3
绿色施工实施计划表_第3页
3/3
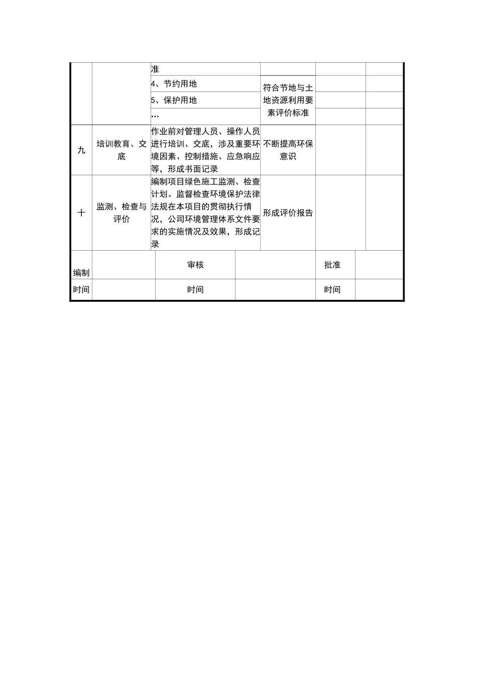
中国建筑 项目管理表格绿色施工计划表表格编号CSCEC8XN-SG-B10219 项目名称及编码项目基本情况序号 重点策划对象实施措施描述目标和指标/控制要求责任人备注一绿色施工目标和控制指标确保工程完美履约的前提下,确定绿色施工创优目标及“四节一环保”符合法律法规要求及项目定位二猎取周边社区、地方要求通过从公司猎取全国性环境法律法规内容,从各种途径猎取地方环境要求和社区要求 择录主要内容,形成记录三绿色施工方案根据相关法律法规、企业制度,结合项目定位及特点,编制绿色施工方案经公司、业主监理审批后交底实施四环境保护1、现场施工标牌应包括环境保护内容措施到位2、施工现场应在醒目位置设环境保护标识3、施工现场的文物古迹和古树名木应实行有效保护措施4、现场食堂应有卫生许可证,炊事员应持有效健康证明5、资源保护符合环境保护要素评价标准6、人员健康保护7、扬尘控制8、废弃排放控制9、建筑垃圾处置10、污水排放11、光污染12、噪音控制13、围挡设置14、土方开挖合理利用…五节材与材料资源利用1、应根据就地取材的原则进行材料选择并有实施记录措施到位,形成制度,保存记录2、应有健全的机械保养、限额领料、建筑垃圾再生利用等制度3、材料选择符合节材与材料资源利用要素评价标准4、材料节约5、资源再生利用…六节水与水资源利用1、签订标段分包或劳务合同时,应将节水指标纳入合同条款措施到位,形成考核记录2、应有计量考核记录3、节约用水符合节水与水资源利用要素评价标准4、水资源再利用…七节能与能源利用1、施工现场生产、生活、办公和主要耗能设备应设有节能的控制措施措施到位,形成核算记录2、对主要耗能施工设备应定期进行耗能计量核算3、国家、行业、地方政府明令淘汰的施工设备、机具和产品不应使用4、临时用电设施符合节能与能源利用要素评价标准5、机械设备6、临时设施7、材料运输与施工…八节地与土地资源利用1、施工场地布置应合理并应实施动态管理措施到位,形成核算记录2、施工临时用地应有审批用地手续3、施工单位应充分了解施工现场及毗邻区域内人文景观保护要求、工程地质情况及基础设施管线分布情况,制订相应保护措施,并应报请相关方核准4、节约用地符合节地与土地资源利用要素评价标准5、保护用地…九培训教育、交底作业前对管理人员、操作人员进行培训、交底,涉及重要环境因素、控制措施、应急响应等,形成书面记录不断提高环保意识十监测、检查与评价编制项目绿色施工监测、检查计划。监...

1、当您付费下载文档后,您只拥有了使用权限,并不意味着购买了版权,文档只能用于自身使用,不得用于其他商业用途(如 [转卖]进行直接盈利或[编辑后售卖]进行间接盈利)。
2、本站所有内容均由合作方或网友上传,本站不对文档的完整性、权威性及其观点立场正确性做任何保证或承诺!文档内容仅供研究参考,付费前请自行鉴别。
3、如文档内容存在违规,或者侵犯商业秘密、侵犯著作权等,请点击“违规举报”。

碎片内容

绿色施工实施计划表

确认删除?
VIP
微信客服
  • 扫码咨询
会员Q群
  • 会员专属群点击这里加入QQ群
客服邮箱
回到顶部