电脑桌面
添加小米粒文库到电脑桌面
安装后可以在桌面快捷访问

膨胀螺栓拉拔力计算

膨胀螺栓拉拔力计算_第1页
1/3
膨胀螺栓拉拔力计算_第2页
2/3
膨胀螺栓拉拔力计算_第3页
3/3
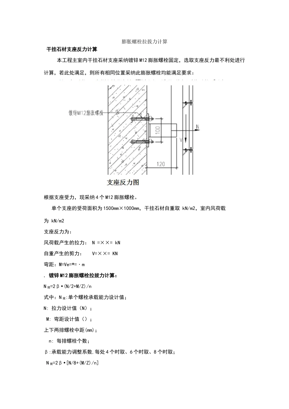
膨胀螺栓拉拔力计算 干挂石材支座反力计算 本工程主室内干挂石材支座采纳镀锌 M12 膨胀螺栓固定,选取支座反力最不利处进行计算,若此处满足,则所有相同位置采纳此膨胀螺栓均能满足要求: 根据支座受力,现采纳 4 个 M12 膨胀螺栓。 单个支座的受荷面积为 1500mm×1000mm,干挂石材自重取 kN/m2,室内风荷载为 kN/m2 支座反力为: 风荷载产生的拉力: N =××= kN 自重产生的剪力: V=××= KN 弯距:M=Ve=*=﹒m . 镀锌 M12 膨胀螺栓拉拔力计算: N 拔=2β (N/2+M/Z)/n• 式中:N 拔:单个螺栓承载能力设计值; N: 拉力设计值(N); M: 弯距设计值();上下两排螺栓中距(mm); n: 每排螺栓个数; β:承载能力调整系数,每处 4 个时取、6 个时取、8 个时取; N 拔=2β [N/8+(M/Z)/n]• =2××[×103/2+×106/100)/2] = kN 即单个 M12 膨胀螺栓抗拉承载能力设计值为. 室内吊顶支座反力计算 本工程室内吊顶支座采纳 M8 膨胀螺栓固定,选取支座反力最不利处进行计算,若此处满足,则所有相同位置采纳此膨胀螺栓均能满足要求:计算简图 (圆表示支座,数字为节点号)根据支座受力,现采纳 4 个 M8 膨胀螺栓。根据计算软件 3D3S 的计算,最大支座反力为: 自重产生的拉力: N = kN . M8 膨胀螺栓拉拔力计算: N 拔=2β (N/2+M/Z)/n• 式中:N 拔:单个螺栓承载能力设计值; N: 拉力设计值(N); M: 弯距设计值(); Z:上下两排螺栓中距(mm); n: 每排螺栓个数; β:承载能力调整系数,每处 4 个时取、6 个时取、8 个时取; N 拔=2β (M/Z)/n• =2×××103/2)/2 = kN 即单个 M8 膨胀螺栓抗拉承载能力设计值为.

1、当您付费下载文档后,您只拥有了使用权限,并不意味着购买了版权,文档只能用于自身使用,不得用于其他商业用途(如 [转卖]进行直接盈利或[编辑后售卖]进行间接盈利)。
2、本站所有内容均由合作方或网友上传,本站不对文档的完整性、权威性及其观点立场正确性做任何保证或承诺!文档内容仅供研究参考,付费前请自行鉴别。
3、如文档内容存在违规,或者侵犯商业秘密、侵犯著作权等,请点击“违规举报”。

碎片内容

膨胀螺栓拉拔力计算

一二三四传媒+ 关注
实名认证
内容提供者

大量资料供您选择,没有合适的可以联系小二。

相关文档

确认删除?
VIP
微信客服
  • 扫码咨询
会员Q群
  • 会员专属群点击这里加入QQ群
客服邮箱
回到顶部