电脑桌面
添加小米粒文库到电脑桌面
安装后可以在桌面快捷访问

预应力锚索支护分项工程质量检验评定表3VIP专享

预应力锚索支护分项工程质量检验评定表3_第1页
1/36
预应力锚索支护分项工程质量检验评定表3_第2页
2/36
预应力锚索支护分项工程质量检验评定表3_第3页
3/36
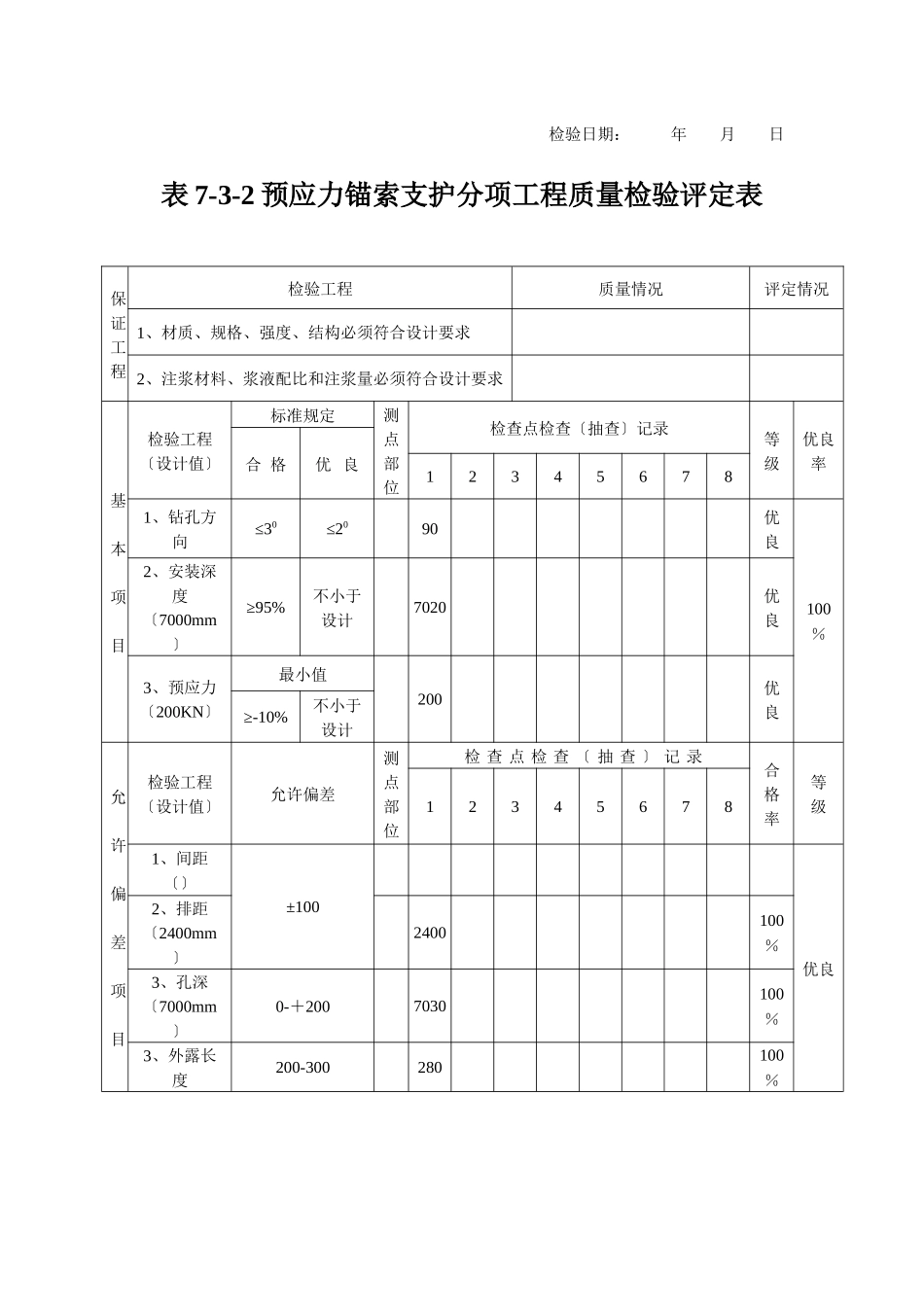
表 7-3-2 预应力锚索支护分项工程质量检验评定表工程名称: 部位: m 工程量: m保证工程检验工程质量情况评定情况1、材质、规格、强度、结构必须符合设计要求2、注浆材料、浆液配比和注浆量必须符合设计要求基本项目检验工程〔设计值〕标准规定测点部位检查点检查〔抽查〕记录等级优良率合 格优 良123456781、钻孔方向≤30≤202、安装深度〔9000mm〕 ≥95%不小于设计3、预应力〔200KN〕最小值≥-10%不小于设计允许偏差项目检验工程〔设计值〕允许偏差测点部位检 查 点 检 查 〔 抽 查 〕 记 录合格率等级123456781、间距〔〕±100 2、排距〔2000mm〕100%3、孔深〔9000mm〕0-+200100%3、外露长度200-300100%评定等级 施工负责人〔区、队长〕: 检查人员:核定等级 监理工程师:检验日期: 年 月 日表 7-3-2 预应力锚索支护分项工程质量检验评定表保证工程检验工程质量情况评定情况1、材质、规格、强度、结构必须符合设计要求2、注浆材料、浆液配比和注浆量必须符合设计要求基本项目检验工程〔设计值〕标准规定测点部位检查点检查〔抽查〕记录等级优良率合 格优 良123456781、钻孔方向≤30≤2090优良100%2、安装深度〔7000mm〕 ≥95%不小于设计7020优良3、预应力〔200KN〕最小值200优良≥-10%不小于设计允许偏差项目检验工程〔设计值〕允许偏差测点部位检 查 点 检 查 〔 抽 查 〕 记 录合格率等级123456781、间距〔〕±100优良2、排距〔2400mm〕2400100%3、孔深〔7000mm〕0-+2007030100%3、外露长度200-300280100%评定等级 施工负责人〔区、队长〕: 检查人员:核定等级 监理工程师:检验日期: 年 月 日表 7-3-2 预应力锚索支护分项工程质量检验评定表保证工程检验工程质量情况评定情况1、材质、规格、强度、结构必须符合设计要求2、注浆材料、浆液配比和注浆量必须符合设计要求基本项目检验工程〔设计值〕标准规定测点部位检查点检查〔抽查〕记录等级优良率合 格优 良123456781、钻孔方向≤30≤2088优良100%2、安装深度〔7000mm〕 ≥95%不小于设计7010优良3、预应力〔200KN〕最小值201优良≥-10%不小于设计允许偏差项检验工程〔设计值〕允许偏差测点部位检 查 点 检 查 〔 抽 查 〕 记 录合格率等级123456781、间距〔〕±100优良2、排距〔2400mm〕2410100%目3、孔深〔7000mm〕0-+2007020100%3、外露长度200-300290100%评定等级 施工负责人〔区、队长〕: 检查人...

1、当您付费下载文档后,您只拥有了使用权限,并不意味着购买了版权,文档只能用于自身使用,不得用于其他商业用途(如 [转卖]进行直接盈利或[编辑后售卖]进行间接盈利)。
2、本站所有内容均由合作方或网友上传,本站不对文档的完整性、权威性及其观点立场正确性做任何保证或承诺!文档内容仅供研究参考,付费前请自行鉴别。
3、如文档内容存在违规,或者侵犯商业秘密、侵犯著作权等,请点击“违规举报”。

碎片内容

预应力锚索支护分项工程质量检验评定表3

确认删除?
VIP
微信客服
  • 扫码咨询
会员Q群
  • 会员专属群点击这里加入QQ群
客服邮箱
回到顶部