电脑桌面
添加小米粒文库到电脑桌面
安装后可以在桌面快捷访问

一般土石方工程作业指导书

一般土石方工程作业指导书_第1页
1/7
一般土石方工程作业指导书_第2页
2/7
一般土石方工程作业指导书_第3页
3/7
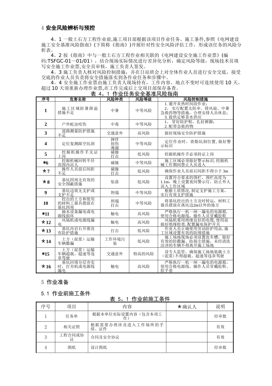
肇庆广宁洲仔供电所 10kV 洲仔线大洲台区改造工程一般土石方工程作业指导书编码:TSFGC—01批准: 审核: 编写: 广宁县恒兴实业有限公司配网工程项目部2024年04月目 次1 适用范围..............................................................................................................32 编写依据..............................................................................................................33 作业流程图.........................................................................................................34 安全风险辨析与预控..........................................................................................35 作业准备.............................................................................................................46 作业方法.............................................................................................................57 质量控制措施及检验标准.................................................................................7附: 《施工作业指导书》差异化分析表 《一般土石方工程作业安全施工作业票》1 适用范围本节适用于35kV 及以下配网工程架空线路工程的一般土石方工程(一般土石方作业、泥水坑及流砂坑开挖作业、岩石开挖作业、掏挖基坑开挖作业)施工。2 编写依据表 2 编 写 依 据序号引用资料名称1GB 50233-2024《110~500kV架空送电线路施工及验收法律规范》2DL/T 5168-2024《110kV~500kV架空电力线路工程施工质量及评定规程》3GB 50202-2024《建筑地基基础工程施工质量验收法律规范》4Q/CSG 11105—2024《南方电网工程施工工艺控制法律规范》5《中国南方电网有限责任公司基建工程质量控制作业标准(WHS)》3 作业流程图 图3 作业流程图 YYYYN施工条件施工基面处理施工准备线路定位复测质量检验下接组立杆、塔工序Y基坑开挖基坑回填YY4 安全风险辨析与预控4。1 一般土石方工程作业前,施工项目部根据该项目作业任务、施工条件,参照《电网建设施工安全基准风险指南》(下简称《指南》)开展针对性安全风险评估工作,形成该任务的风险分析表。4。2 按《指南》中与一般土石方工程作业相关联的《电网建设安全施工作业票》(编码:TSFGC-01—01/01),结合现场实际情况进行差异化分析,确定风...

1、当您付费下载文档后,您只拥有了使用权限,并不意味着购买了版权,文档只能用于自身使用,不得用于其他商业用途(如 [转卖]进行直接盈利或[编辑后售卖]进行间接盈利)。
2、本站所有内容均由合作方或网友上传,本站不对文档的完整性、权威性及其观点立场正确性做任何保证或承诺!文档内容仅供研究参考,付费前请自行鉴别。
3、如文档内容存在违规,或者侵犯商业秘密、侵犯著作权等,请点击“违规举报”。

碎片内容

一般土石方工程作业指导书

您可能关注的文档

确认删除?
VIP
微信客服
  • 扫码咨询
会员Q群
  • 会员专属群点击这里加入QQ群
客服邮箱
回到顶部