电脑桌面
添加小米粒文库到电脑桌面
安装后可以在桌面快捷访问

三级安全教育卡(含隧道、桥梁、路基)

三级安全教育卡(含隧道、桥梁、路基)_第1页
1/5
三级安全教育卡(含隧道、桥梁、路基)_第2页
2/5
三级安全教育卡(含隧道、桥梁、路基)_第3页
3/5
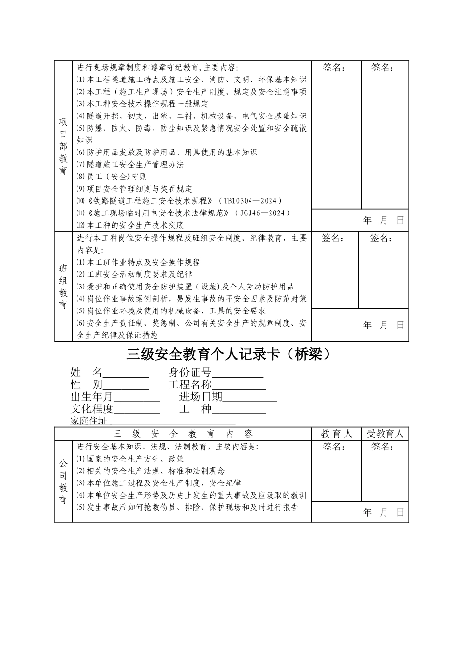
三级安全教育个人记录卡填写要求1、每一个进场的人员必须填写2、每一张卡后面附本人身份证复印件3、红色部分为各工区填写部分4、公司教育、项目部教育、班组教育栏中的日期应互相间隔 3—5 天5、专职安全员在填写自己的教育卡时,教育人签字那栏由现场负责人签字.6、签完后报送至项目部完善并存档.三级安全教育个人记录卡(隧道)姓 名 身份证号 性 别 工程名称 出生年月 进场日期 文化程度 工 种 家庭住址 三 级 安 全 教 育 内 容教 育 人受教育人公司教育进行安全基本知识、法规、法制教育,主要内容是:⑴ 国家的安全生产方针、政策⑵ 相关的安全生产法规、标准和法制观念⑶ 本单位施工过程及安全生产制度、安全纪律⑷ 本单位安全生产形势及历史上发生的重大事故及应汲取的教训⑸ 发生事故后如何抢救伤员、排险、保护现场和及时进行报告签名:(协作队不签)签名:(被教育人签字)年 月 日项目部教育进行现场规章制度和遵章守纪教育,主要内容:⑴ 本工程隧道施工特点及施工安全、消防、文明、环保基本知识⑵ 本工程(施工生产现场)安全生产制度、规定及安全注意事项⑶ 本工种安全技术操作规程一般规定⑷ 隧道开挖、初支、出碴、二衬、机械设备、电气安全基础知识⑸ 防爆、防火、防毒、防尘知识及紧急情况安全处置和安全疏散知识⑹ 防护用品发放及防护用品、用具使用的基本知识⑺ 隧道施工安全生产管理办法⑻ 员工(安全)守则⑼ 项目安全管理细则与奖罚规定⑽《铁路隧道工程施工安全技术规程》(TB10304—2024)⑾《施工现场临时用电安全技术法律规范》(JGJ46-2024)⑿ 本工种的安全生产技术交底签名:(协作队不签)签名:(被教育人签字)年 月 日班组教育进行本工种岗位安全操作规程及班组安全制度、纪律教育,主要内容是:⑴ 本工班作业特点及安全操作规程⑵ 工班安全活动制度要求及纪律⑶ 爱护和正确使用安全防护装置(设施)及个人劳动防护用品⑷ 岗位作业事故案例剖析,易发生事故的不安全因素及防范对策⑸ 岗位作业环境及使用的机械设备、工具的安全要求⑹ 安全生产责任制、奖惩制、公司有关安全生产的规章制度、安全生产纪律及保证措施签名:(现场专职安全员签字)签名:(被教育人签字)年 月 日三级安全教育个人记录卡(隧道)姓 名 身份证号 性 别 工程名称 出生年月 进场日期 文化程度 工 种 家庭住址 三 级 安 全 教 育 内 容教 育 人受教育人公司教育进行安全...

1、当您付费下载文档后,您只拥有了使用权限,并不意味着购买了版权,文档只能用于自身使用,不得用于其他商业用途(如 [转卖]进行直接盈利或[编辑后售卖]进行间接盈利)。
2、本站所有内容均由合作方或网友上传,本站不对文档的完整性、权威性及其观点立场正确性做任何保证或承诺!文档内容仅供研究参考,付费前请自行鉴别。
3、如文档内容存在违规,或者侵犯商业秘密、侵犯著作权等,请点击“违规举报”。

碎片内容

三级安全教育卡(含隧道、桥梁、路基)

确认删除?
VIP
微信客服
  • 扫码咨询
会员Q群
  • 会员专属群点击这里加入QQ群
客服邮箱
回到顶部