电脑桌面
添加小米粒文库到电脑桌面
安装后可以在桌面快捷访问

上海市民用建筑外窗应用暂行规定

上海市民用建筑外窗应用暂行规定_第1页
1/3
上海市民用建筑外窗应用暂行规定_第2页
2/3
上海市民用建筑外窗应用暂行规定_第3页
3/3
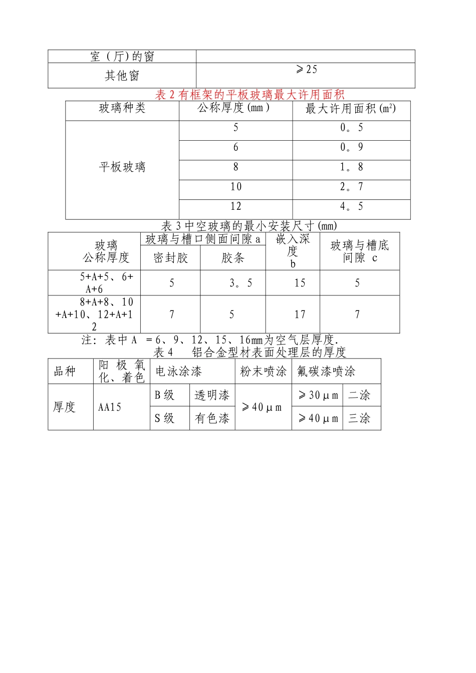
上海市民用建筑外窗应用暂行规定第一条 为提高本市民用建筑外窗技术水平和工程质量,使其具备良好的安全性能、物理性能、保温隔热性能及使用功能,法律规范本市建筑外窗的生产和应用,根据本市的实际情况,制定本暂行规定.第二条 本规定适用于本市新建、改建、扩建和既有建筑节能改造工程中使用的民用建筑外窗(不包括建筑幕墙的开启扇).第三条 建筑外窗应当符合国家和本市的相关标准要求。建筑外窗应优先选用《上海市建筑节能窗技术推广目录》的技术与产品。鼓舞采纳附框安装节能建筑外窗。鼓舞推广应用建筑遮阳一体化窗、标准化窗和系统窗.第四条 鼓舞采纳复合材料等新型材料制作的附框。 工程采纳钢附框的,其钢材壁厚不得小于 2.0mm。钢材表面必须进行镀锌处理,镀锌层厚度不得小于 25μm,并应做好防水措施。第五条 建筑遮阳一体化窗使用的产品,其性能应当符合下列规定:1、使用内置遮阳中空玻璃的建筑遮阳一体化窗,其遮阳产品的机械耐久性能不应低于现行行业标准《内置遮阳中空玻璃制品》(JG/T 255)规定的 5 级;2、其余建筑遮阳一体化窗所使用的遮阳产品,其机械耐久性能不应低于现行国家标准《建筑遮阳通用要求》(GB/T 274)规定的 3 级;3、帘体为金属材料的遮阳产品,其盐雾试验时间不应小于 480 小时;4、帘体为织物面料的遮阳产品,其帘风光料的耐光色牢度不应低于 6 级.第六条 建筑外窗的气密性等级不应低于现行国家标准《建筑外门窗气密、水密、抗风压性能分级及检测方法》(GB/T 7106)规定的q1≤1。5m3/(m·h),q2≤4.5m3/(m2·h).第七条 建筑外窗的空气声隔声性能,应当符合附表 1 的规定。第八条 建筑外窗应使用中空玻璃,单空气层中空玻璃气体层厚度不应小于 9mm,双空气层中空玻璃各气体层厚度不应小于 6mm,室内侧和室外侧玻璃厚度均不应小于 5mm。建筑外窗使用的玻璃,其厚度与最大许用面积应当符合现行行业标准《建筑玻璃应用技术规程》(JGJ113)及附表 2 的规定。中空玻璃的最小装配尺寸应当符合现行行业标准《建筑玻璃应用技术规程》(JGJ113)及附表 3 的规定。第九条 窗框型材截面宽度应当符合下列规定:1、隔热铝合金推拉窗不应小于 80mm,平开窗不应小于 55mm;2、铝木复合推拉窗不应小于 90mm,平开窗不应小于 55mm;3、多腔体塑料、铝塑复合推拉窗不应小于 85mm,平开窗不应小于 60mm。第十条 建筑外窗用未增塑聚氯乙烯(PVC—U)主型材的,平开窗可视面最小壁厚不得小于 2.5mm,推拉窗...

1、当您付费下载文档后,您只拥有了使用权限,并不意味着购买了版权,文档只能用于自身使用,不得用于其他商业用途(如 [转卖]进行直接盈利或[编辑后售卖]进行间接盈利)。
2、本站所有内容均由合作方或网友上传,本站不对文档的完整性、权威性及其观点立场正确性做任何保证或承诺!文档内容仅供研究参考,付费前请自行鉴别。
3、如文档内容存在违规,或者侵犯商业秘密、侵犯著作权等,请点击“违规举报”。

碎片内容

上海市民用建筑外窗应用暂行规定

人从众+ 关注
实名认证
内容提供者

欢迎光临小店,本店以公文和教育为主,希望符合您的需求。

相关文档

确认删除?
VIP
微信客服
  • 扫码咨询
会员Q群
  • 会员专属群点击这里加入QQ群
客服邮箱
回到顶部