电脑桌面
添加小米粒文库到电脑桌面
安装后可以在桌面快捷访问

中压燃气管道工程安全文明施工方案

中压燃气管道工程安全文明施工方案_第1页
1/5
中压燃气管道工程安全文明施工方案_第2页
2/5
中压燃气管道工程安全文明施工方案_第3页
3/5
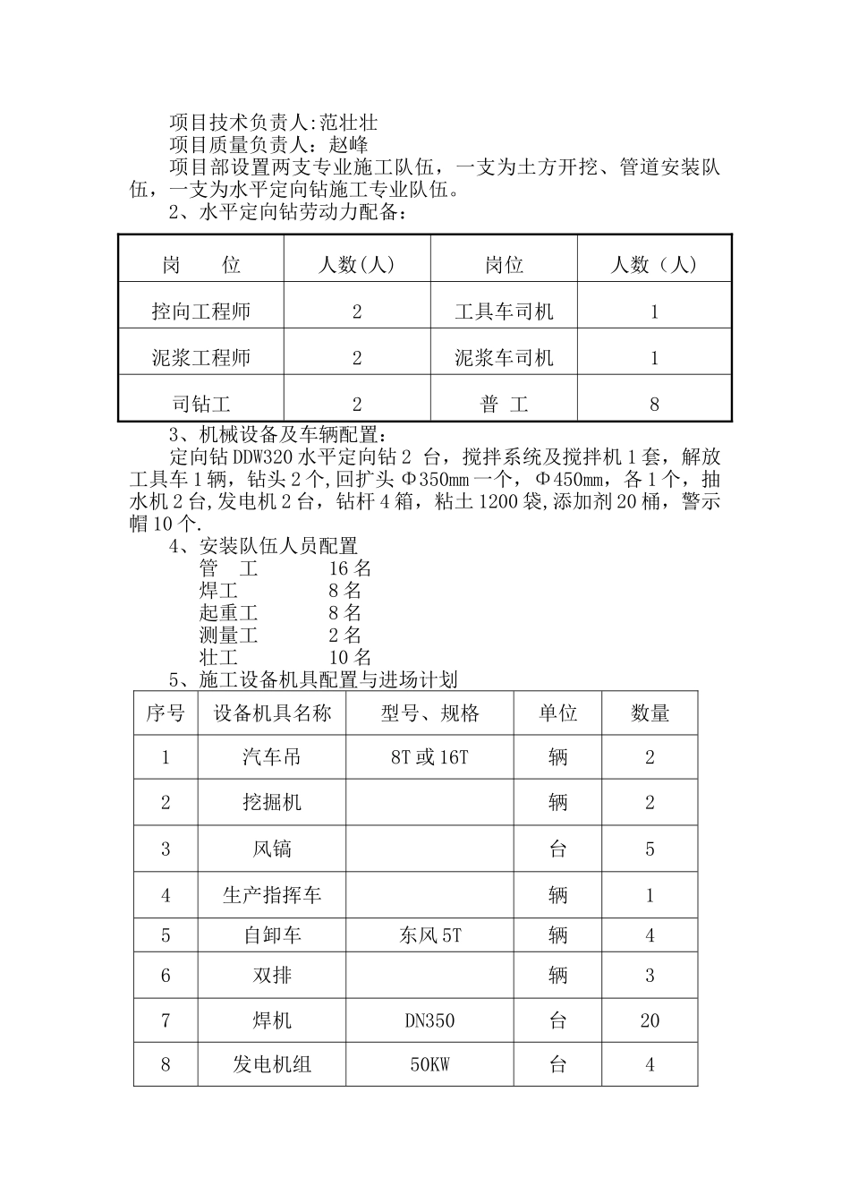
平度市人民路天然气管道工程安全文明施工组织方案建设单位:青岛泰能燃气集团有限公司施工单位:青岛泰能工程股份有限公司二〇一〇年十一月二十二日一、工程概况本工程为平度市人民路中压天然气管道工程,为市区部分居民置换天然气供气而设。工程全长约 1。58km,西起扬州路西侧人民医院(0+000),经扬州路、常州路、苏州路、杭州路,东至平度市环卫园林管理中心(1+580),介质为天然气,采纳 Ф250mmPE 管,管线中心位于人民路南侧路边石 1 米的机动车慢车道.二、施工方案工程主管线长 1580 米,管线位于平度市中心区,因人行道地下无管线位置,经有关部门批准管线位于离路边石 1 米的机动车慢车道。为了最小限度的影响交通,本工程实行非开挖定向穿越方式施工。 该项目由 2 台钻机分 5 段进行施工,每段长约 300 米,具体施工计划如下:1、人民路 1#穿越(0+000-0+300) 300 米施工队伍进场后,首先将钻机(甲)摆放于 1#、2#穿越之间(0+300),先向西进行 1#穿越,钻机摆放需占用非机动车道 3m*9m 位置,出土点(0+000)由于要加装阀门,需开挖工作基坑长 6 米,宽 2 米,深 2。5 米。1#穿越计划 3 天内完成回拖.2、人民路 2#穿越(0+300—0+600) 300 米1#穿越完成后,钻机原地调头,进行 2#穿越,出土点(0+600)由于要与 3#穿越连头,需开挖工作基坑长 10 米,宽 1。5 米,深2。5 米。2#穿越计划 3 天内完成回拖。3、人民路 3#穿越(0+600-0+950) 350 米1#、2#穿越完成后,将钻机(甲)调至 0+600 处,向东进行 3#穿越,出土点(0+950)由于要与 4#穿越连头,需开挖工作基坑长 10 米,宽 1.5 米,深 2.5 米。3#穿越计划 3 天内完成回拖。4、人民路 4#穿越(0+950—1+300) 350 米在钻机(甲)进场同时,钻机(乙)进场,摆放于 4#、5#穿越之间(1+300),需占用非机动车道 3m*9m 位置,先向西进行 4#穿越。4#穿越计划 3 天内完成回拖.5、人民路 5#穿越(1+300—1+580) 280 米钻机(乙)完成 4#穿越后,原地调头,向东进行 5#穿越,出土点(1+580)需开挖工作基坑长 5 米,宽 1.5 米,深 2.5 米。5#穿越计划 3 天内完成回拖。以上穿越施工估计 15 天可完成。在穿越施工完成后,由管道安装单位进行段与段的连头、工作坑回填、路面夯实等后续工作.后续工作可在 1 周内完成.三、安全文明施工:本工程位于平度市老城区,为避开对道路、交通、环境造成影...

1、当您付费下载文档后,您只拥有了使用权限,并不意味着购买了版权,文档只能用于自身使用,不得用于其他商业用途(如 [转卖]进行直接盈利或[编辑后售卖]进行间接盈利)。
2、本站所有内容均由合作方或网友上传,本站不对文档的完整性、权威性及其观点立场正确性做任何保证或承诺!文档内容仅供研究参考,付费前请自行鉴别。
3、如文档内容存在违规,或者侵犯商业秘密、侵犯著作权等,请点击“违规举报”。

碎片内容

中压燃气管道工程安全文明施工方案

您可能关注的文档

确认删除?
VIP
微信客服
  • 扫码咨询
会员Q群
  • 会员专属群点击这里加入QQ群
客服邮箱
回到顶部