电脑桌面
添加小米粒文库到电脑桌面
安装后可以在桌面快捷访问

中央空调水系统安装施工工艺VIP专享

中央空调水系统安装施工工艺_第1页
1/8
中央空调水系统安装施工工艺_第2页
2/8
中央空调水系统安装施工工艺_第3页
3/8
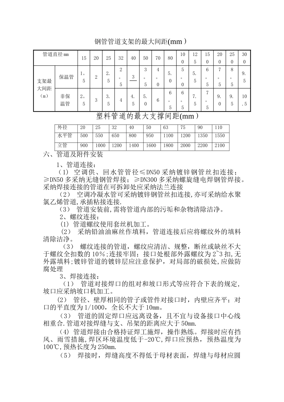
中央空调水系统施工工艺主要施工程序施工准备-→材料的采购、检验-→预制加工-→管道放线-→支吊架制作、安装-→管道及附件安装-→管道试压-→管道清洗及吹扫-→管道保温一、施工前的准备工作:1、施工前需认真熟悉图纸和相关法律规范,认真阅读并理解设计中所有内容。熟悉管道的分布、走向、坡度、标高,并主动与业主、监理及其他兄弟单位沟通,对图纸做好详细的图纸会审记录2、编制有效可行的施工组织设计书、施工进度计划、材料进场计划3、根据施工组织设计,对于进驻现场的施工班组进行书面的施工技术、安全交底,以明确施工任务、工期、质量要求及操作工艺二、材料采购进场、检验1、所有材料规格、型号、材质必须符合图纸设计要求,进场所有材料必须具有质量证明书、合格证等必备资料2、材料进场后必须自检,自检合格后将材料报验单报至监理处,经监理工程师检查合格后,方可使用a、管道验收时需满足外观无裂纹、缩孔、夹渣、无严重机械损伤缺陷b、厚度不得超出标准壁厚所允许的负偏差范围c、阀门的型号、规格符合图纸设计要求,操作机构必须开启灵活,并在安装前每批次中抽取 10%进行强度和严密性试验,对于工作压力大于 1.0MPa 及在主干管上起截断作用的阀门逐个进行试验,并报监理验收.同时阀门的操作机构必须开启灵活。如下图:强度试验时,试验压力为公称压力的 1。5 倍,持续时间不少于5min,阀门的壳体填料无渗漏。严密性试验时,试验压力为工程压力的 1。1 倍;试验压力在试验持续时间内应保持不变,时间应符合下表规定,以阀瓣密封面无渗漏为合格。三、预制加工为提高施工效率,加快施工进度,保证施工质量,在熟悉图纸及现场环境的情况下,可实行集中预制加工的方法对于安装的流水作业进行施工,即集中运输、集中除锈刷油、防腐,然后根据图纸设计画出管道分路、管径、变径、预留管口、阀门位置等施工草图,在实际安装时的机构位置做出明显标记,根据标记分段量出实际安装的准确尺寸,并记录在施工草图中,最终根据施工草图测得的尺寸集中预制加工,加工过程中严格使用专业工具垂直切割管材,确保管口平整光滑,无毛刺,清洁管材与管件连接部位,避开沙土损害接头质量。四、管道放线1、放线程序 2、管道放线由总管到干管再到支管放线定位,放线前逐层进行细部会审,使各管线互不交叉,同时留出保温及其它操作空间。 3、空调水管道在室内安装以建筑轴线定位,同时又以墙柱为依托。定位时,按施工图确定的走向和轴线位置,在...

1、当您付费下载文档后,您只拥有了使用权限,并不意味着购买了版权,文档只能用于自身使用,不得用于其他商业用途(如 [转卖]进行直接盈利或[编辑后售卖]进行间接盈利)。
2、本站所有内容均由合作方或网友上传,本站不对文档的完整性、权威性及其观点立场正确性做任何保证或承诺!文档内容仅供研究参考,付费前请自行鉴别。
3、如文档内容存在违规,或者侵犯商业秘密、侵犯著作权等,请点击“违规举报”。

碎片内容

中央空调水系统安装施工工艺

确认删除?
VIP
微信客服
  • 扫码咨询
会员Q群
  • 会员专属群点击这里加入QQ群
客服邮箱
回到顶部