电脑桌面
添加小米粒文库到电脑桌面
安装后可以在桌面快捷访问

中小型水电站运行规程

中小型水电站运行规程_第1页
1/42
中小型水电站运行规程_第2页
2/42
中小型水电站运行规程_第3页
3/42
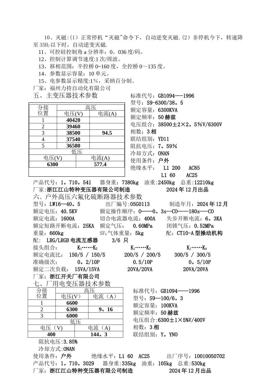
青龙二级电站运行规程第一章 主要设备技术参数一、水轮机技术参数(1# 2#机)型号:HLD46。WJ。71功率:2658KW水头:99 米转速:1000 转/分设计流量:3。15m³/s逸速: 转/分出厂编号:240461 和 240462生产日期:2024 年 5 月厂家:邵阳恒远资江水电设备有限公司二、发电机技术参数(1# 2#机)型号:SFW2500—6/1730额定功率:2500KW额定电压:6300V额定电流:286.4A额定功率因数:0.8额定频率:50HZ额定转速:1000r/min飞逸转速:1800 r/min相数:3 相接法:Y励磁电压:59。5V励磁电流:331A绝缘等级:B/F质量:21800kg出厂编号:24046-1 和 24046——2出厂日期:2024 年 11 月厂家:邵阳恒远资江水电设备有限公司三、调速器技术参数(1# 2#机)型号:YWT—-1000压力:2。5MPa工作容量:10000N.M操作电压:DC220V压力罐容积:0。18m3出厂编号:05033 和 05032出厂日期:2024 年 5 月厂家:天津市科音自控设备有限公司四、阀门电动装置技术参数(1# 2#机)型号规格:DZW350出厂编号:800761 和 800760输出转矩:3500N。M电机功率:7。5KW输出转速:24r/min电压:380V防护等级:IP65电流:19A工作制:短时 10 公钟出厂日期:2024 年 5 月厂家:常州众得利电动成套阀门有限公司五、励磁调节器技术参数 1、型号:SMER-D 2、励磁电压响应时间:上升不大于 0。08 秒。下降不大于 0.15 秒。 3、调压范围:20%~130%。 4、调压精度:优于 0。5%。 5、 频率特性:频率每变化 1%,发电机端电压变化不大于额定值的 0。25%. 6、 动态性能:零起升压:调节时间不大于 5 秒,超调量不大于 15%,振荡次数不大于 3 次。10%阶跃响应:调节时间不大于 5 秒,超调量不大于阶跃量的 50%,振荡次数不大于 3 次。 甩额定无功负荷:调节时间不大于 5 秒,超调量小于 15%,振荡次数不大于 3 次。 7、调差系数整定范围:0~10% 8、给定值调节速度:可编程,满足不大于 1%每秒,不少于 0.3 每秒。 9、起励:在约为空载励磁电流 10%的起励电流下,能可靠起励.当残压满足自激条件时,也可残压起励。 10、灭磁:(1)正常停机“灭磁"命令下,自动逆变灭磁.(2)非停机今下,转速降至 35HZ以下时,自动逆变灭磁. 11、可控硅控制角 a 分辨率:0。036 度/码。 12、控制计算调节速度:1 次/周波。 13、移相范围:半控桥 0~160 度,全控桥 0~135 度。 14、参数显示容量:10 单元。 15、电参数显示精度:1%,采纳...

1、当您付费下载文档后,您只拥有了使用权限,并不意味着购买了版权,文档只能用于自身使用,不得用于其他商业用途(如 [转卖]进行直接盈利或[编辑后售卖]进行间接盈利)。
2、本站所有内容均由合作方或网友上传,本站不对文档的完整性、权威性及其观点立场正确性做任何保证或承诺!文档内容仅供研究参考,付费前请自行鉴别。
3、如文档内容存在违规,或者侵犯商业秘密、侵犯著作权等,请点击“违规举报”。

碎片内容

中小型水电站运行规程

您可能关注的文档

确认删除?
VIP
微信客服
  • 扫码咨询
会员Q群
  • 会员专属群点击这里加入QQ群
客服邮箱
回到顶部