电脑桌面
添加小米粒文库到电脑桌面
安装后可以在桌面快捷访问

中石化仪表施工方案全解

中石化仪表施工方案全解_第1页
1/26
中石化仪表施工方案全解_第2页
2/26
中石化仪表施工方案全解_第3页
3/26
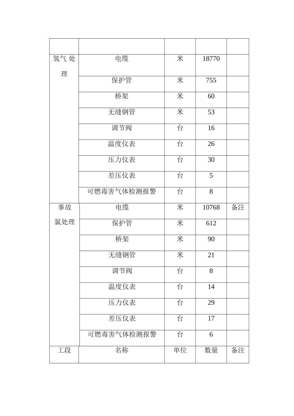
一 工程概况 ……………………………2 二 主要施工工程量 ………………………2三 方案编制依据 ………………………5四 施工准备 ……………………………5五 施工程序 ………………………………6六 施工质量及技术要求 …………………9七 质量保证措施 ………………………19 八 安全文明施工保证措施………………24九 主要施工机具 ………………………34十 劳动力安排……………………………35十一 施工进度计划 ……………………36一 工程概况内蒙古伊东集团东兴氯碱化工综合利用项目。氯化氢合成及高纯盐酸、氯气处理、氢气处理、事故氯处理、液氯及包装五个工段,处于(内蒙古伊东集团东兴氯碱化工综合利用)项目区内,作业区域属于有毒、易燃、易爆环境,仪表安装施工难度大,在施工过程中需要对工作人员进行施工安全和技术交底,严格根据施工作业指导书施工。氯化氢合成及高纯盐酸、氯气处理、氢气处理、事故氯处理、液氯及包装五个工段,仪表主要安装项目包括:现场仪表设备、控制仪表的安装及接线、桥架安装、电缆敷设、管线安装、取压管路安装,接地系统安装,仪表调校和系统联调等.二 主要施工工程量工段名称单位数量备注液氯包装电缆米21774保护管米802桥架米112无缝钢管米19调节阀台4温度仪表台17压力仪表台60差压仪表台6可燃毒害气体检测报警台17工段名称单位数量备注氯化氢 合 成及 高 纯盐 酸 电缆米170755保护管米4023桥架米276无缝钢管米375调节阀台132温度仪表台95压力仪表台161差压仪表台68可燃毒害气体检测报警台17工段名称单位数量备注氢气 处理电缆米18770保护管米755桥架米60无缝钢管米53调节阀台16温度仪表台26压力仪表台30差压仪表台5可燃毒害气体检测报警台8事故氯处理电缆米10768备注保护管米612桥架米90无缝钢管米21调节阀台8温度仪表台14压力仪表台29差压仪表台17可燃毒害气体检测报警台6工段名称单位数量备注氯气 处理电缆米59015保护管米2586桥架米294无缝钢管米115调节阀台37温度仪表台119压力仪表台119差压仪表台16可燃毒害气体检测报警台14三 方案编制依据1. 《自动化仪表施工及验收法律规范》 GB50093—2024.2. 《自控安装标准图册》 HG/T21581—95。3. 根据合同的相关规定施工内容.4. 氯化氢合成及高纯盐酸、氯气处理、氢气处理、事故氯处理、液氯及包装五个工段仪表施工图纸及其他有关设计修改资料.四 施工准备1 由技术负责人组织参加施工的技工仔细熟悉施工图纸...

1、当您付费下载文档后,您只拥有了使用权限,并不意味着购买了版权,文档只能用于自身使用,不得用于其他商业用途(如 [转卖]进行直接盈利或[编辑后售卖]进行间接盈利)。
2、本站所有内容均由合作方或网友上传,本站不对文档的完整性、权威性及其观点立场正确性做任何保证或承诺!文档内容仅供研究参考,付费前请自行鉴别。
3、如文档内容存在违规,或者侵犯商业秘密、侵犯著作权等,请点击“违规举报”。

碎片内容

中石化仪表施工方案全解

您可能关注的文档

确认删除?
VIP
微信客服
  • 扫码咨询
会员Q群
  • 会员专属群点击这里加入QQ群
客服邮箱
回到顶部