电脑桌面
添加小米粒文库到电脑桌面
安装后可以在桌面快捷访问

临港新城两港大道一期工程高架桥桩基静压桩施工方案

临港新城两港大道一期工程高架桥桩基静压桩施工方案_第1页
1/5
临港新城两港大道一期工程高架桥桩基静压桩施工方案_第2页
2/5
临港新城两港大道一期工程高架桥桩基静压桩施工方案_第3页
3/5
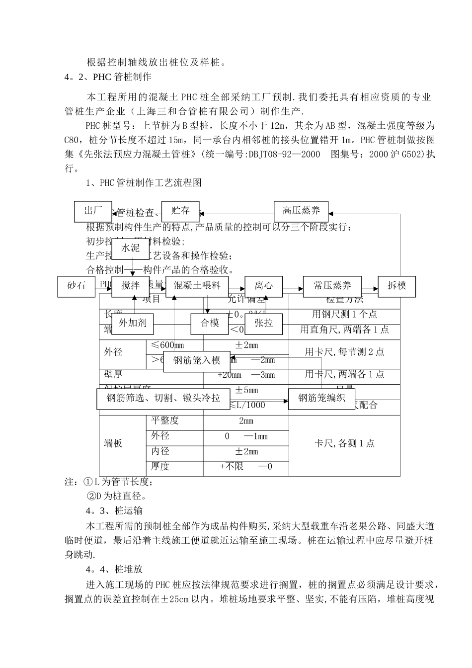
临港新城两港大道一期工程(K3+933。407~K4+468。877)高架桥桩基静压桩施工方案一、工程概况中港三航局负责高架桥施工的起止桩号为 K3+933.407~K4+468。877,高架桥上部结构采纳预应力混凝土连续箱梁结构.桩基根据上海地区处于冲积层软土地基的地质条件,采纳 Φ600PHC 管桩,共有 538 根,单根桩长为 31~33m。其中桥墩桩桩尖标高为—31。4~—29。4m,承台底标高为+1.50m。本工程除上节桩选用Φ600×110 B 型 PHC 桩外,其余均选用 Φ600×110 AB 型 PHC 桩(桩长不计桩脚)。上节桩长度应大于 12m,相邻桩接头位置必须错开 1m 以上,且同一标高处桩的接头个数小于总桩数的 50%.二、施工准备本桥下部结构共有 538 根 PHC 管桩,桩基全部位于陆域。原计划首先进行左幅 42#墩(右幅 41#墩)处 22 根 Φ600mmPHC 管桩施工,然后根据左幅 41#~33#、43#~54#(右幅 40#~32#、42#~53#)顺序向南北两边推动,打入桩已经完成了 28 根,由于打桩时道路红线外居民住宅受到影响,老百姓以振动大而要求改变施工工艺,由打入桩变成静压桩,现场安排两个施工队伍根据施工安排进行管桩的施工,首先进场一台压桩机在 8 月 9 日进行试桩.压桩顺序为先从 PL41(PR40)开始压桩,由南向北推动,压桩成功后,及时再进场一台压桩机从 PL40(PR39)由北向南推动.由于静力压桩机主要依靠自身重量进行压桩,所以对地基要求特别高,在压桩施工前,必须对一些软弱地基进行加固处理,加铺 50cm 建筑垃圾,平整碾压。三、施工安排及方法总说明液压静力压桩机进场后,布置在右幅 41#墩、左幅 40#墩,向南北两边推动,桩基施工必须于 2024 年 11 月底结束。高架桥 Φ600PHC 管桩施工时采纳 YZY—800B 型液压静力压桩机,每一台桩架配 1 台履带式吊机配合压桩,采纳二氧化碳气体保护焊接机接桩。四、施工方案4。1、场地平整空间和地下障碍物要查明并及时实行措施加以保护或清除。桥梁施工前(压桩前)要求对场地进行平整、压实,满足压桩地基要求。遇到河塘或河浜时可以用袋装土做围堰,抽水清淤后用粘土回填至地面线,然后整平压实。压桩区域场地坡度小于 1%,局部高差小于 10cm。对松软的地基需要加铺 50cm建筑垃圾平整碾压。压机操作面有效位置为边桩以外 7m.根据控制轴线放出桩位及样桩。4。2、PHC 管桩制作本工程所用的混凝土 PHC 桩全部采纳工厂预制.我们委托具有相应资质的专业管桩生产企业(上海三和合管桩有...

1、当您付费下载文档后,您只拥有了使用权限,并不意味着购买了版权,文档只能用于自身使用,不得用于其他商业用途(如 [转卖]进行直接盈利或[编辑后售卖]进行间接盈利)。
2、本站所有内容均由合作方或网友上传,本站不对文档的完整性、权威性及其观点立场正确性做任何保证或承诺!文档内容仅供研究参考,付费前请自行鉴别。
3、如文档内容存在违规,或者侵犯商业秘密、侵犯著作权等,请点击“违规举报”。

碎片内容

临港新城两港大道一期工程高架桥桩基静压桩施工方案

您可能关注的文档

文森传品+ 关注
实名认证
内容提供者

一家传播文化教育的小店,资料丰富,随意挑选。

确认删除?
VIP
微信客服
  • 扫码咨询
会员Q群
  • 会员专属群点击这里加入QQ群
客服邮箱
回到顶部