电脑桌面
添加小米粒文库到电脑桌面
安装后可以在桌面快捷访问

主蒸汽、主给水管道施工方案修改版

主蒸汽、主给水管道施工方案修改版_第1页
1/16
主蒸汽、主给水管道施工方案修改版_第2页
2/16
主蒸汽、主给水管道施工方案修改版_第3页
3/16
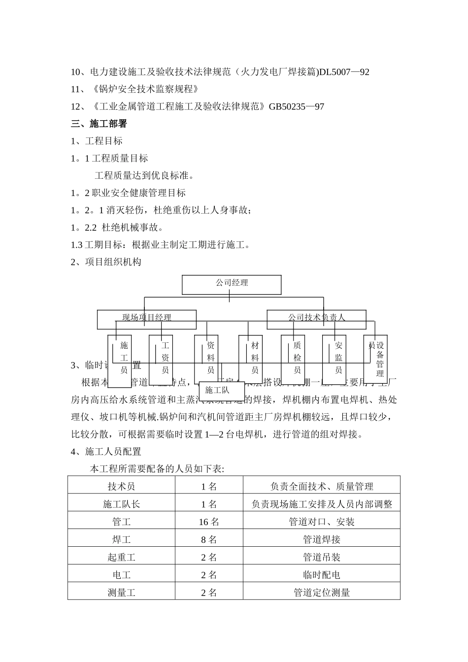
河南天冠企业集团有限公司年产 6 万吨秸秆乙醇扩大示范项目高压蒸汽、高压供水及外管热力管道安装施工方案 编制: 审核: 批准: 中化二建南阳天冠项目部2024.10。20一、工程概况本工程主蒸汽管道规格主要为 Φ273×20、Φ245×18、Φ133×10、Φ108×8、材质为 12Cr1MoVG 钢.高压给水系统管道规格主要为 Φ168×13、Φ133×10、Φ108×9、Φ76×6 材质为 20G 钢。外管网热力管道从两台减温减压设备出来进入厂区热力管网规格主要有 :Φ426×10、Φ377×10、Φ219×6、1、系统简介本工程主蒸汽系统管道是从锅炉汇汽集箱出口引出,引至主厂房 8 米层,分三路管道,其中一路接到汽机间汽机系统主汽门,两路引至减温减压器进汽口到外管网供车间用气.为了维护锅炉的安全、稳定运行及达到稳定的蒸汽压力,在主蒸汽管道上设有高压旁路管道,旁路系统对机组的启动、停机及变负荷运行起重要作用。高压给水系统管道主要包括高压给水管道、减温水及再循环管道,本机组高压给水管道系统设有 2 台电动锅炉给水泵。主给水由除氧器送到主给水泵→高压加热器→给水操作平台→锅炉省煤器进口联箱。为了机组的安全和稳定运行等因素,在给水泵出口的逆止阀上接有再循环管道,由再循环管道回到除氧器。2、主要系统参数 2 。 1 主蒸汽管道设计压力为 P=9.81Mpa,设计温度 t=545℃,系统主材为12Cr1MoV 合金钢管.2。2 高压给水管道设计压力为 17。15Mpa,设计温度为 230℃;系统主材为 20G碳钢管.3、主要工程量 3。1 主蒸汽管道:DN>80:管道共 125 米,阀门共 15 件,支吊架约 31 套.3.2 主给水管道:DN>80:管道共 136 米,阀门共 2 件,支吊架约 44 套。3.3 主要焊口统计序号项目名称规格材质焊口数1主蒸汽Φ273×2012Cr1MoVG102主蒸汽Φ245×1812Cr1MoVG423主蒸汽Φ133×1012Cr1MoVG84主蒸汽Φ108×812Cr1MoVG35高压给水Φ168×1320G376高压给水Φ133×1020G477高压给水Φ108×920G128低压蒸汽Φ377×1020#59低压蒸汽Φ426×1020#1010中压蒸汽Φ219×620#10以上焊口数为估量数量,具体以实际安装焊口为准.二、编制依据1、中国轻工业先设计工程有限责任公司图纸:8655-2024/J0501、8655—2024/J05022、《火力发电厂焊接技术规程》DL/T869-20243、《火力发电厂焊接热处理技术规程》 DL/T819—20244、《管道焊接接头超声波检验技术规程》 DL/T820-20245、《电力建设安全工作规程》(火力发电厂部分) DL5009。1—20246、《电...

1、当您付费下载文档后,您只拥有了使用权限,并不意味着购买了版权,文档只能用于自身使用,不得用于其他商业用途(如 [转卖]进行直接盈利或[编辑后售卖]进行间接盈利)。
2、本站所有内容均由合作方或网友上传,本站不对文档的完整性、权威性及其观点立场正确性做任何保证或承诺!文档内容仅供研究参考,付费前请自行鉴别。
3、如文档内容存在违规,或者侵犯商业秘密、侵犯著作权等,请点击“违规举报”。

碎片内容

主蒸汽、主给水管道施工方案修改版

您可能关注的文档

确认删除?
VIP
微信客服
  • 扫码咨询
会员Q群
  • 会员专属群点击这里加入QQ群
客服邮箱
回到顶部