电脑桌面
添加小米粒文库到电脑桌面
安装后可以在桌面快捷访问

云景非标储罐制作安装施工组织方案

云景非标储罐制作安装施工组织方案_第1页
1/17
云景非标储罐制作安装施工组织方案_第2页
2/17
云景非标储罐制作安装施工组织方案_第3页
3/17
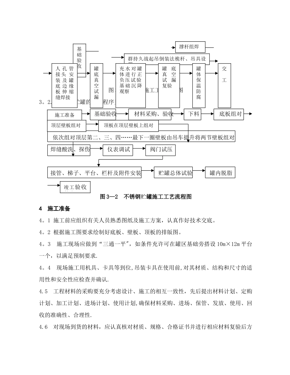
云景非标储罐制作安装施工组织方案目 录1编制说明2编制依据3施工方法及工序4施工准备5贮罐预制和组装6贮罐焊接技术措施及质量标准7酸洗、脱脂及试验8质量控制措施9资源配置10 安全技术措施11 检验、计量器具配备表 12 槽罐进度计划1 编制说明 1。1 3 万吨/年生活用纸非标贮罐的制作、安装工作由长沙设计院提供详细施工图纸为依据施工,因此,本方案着重阐述贮罐制作安装的常规方法和施工手段,未尽之处待日后补充。1。2 根据招标文件提供的资料,此次槽罐的制作大部分在现场室内制安,为一般贮罐.因受场地的限制,给制作、安装工作带来一定难度.2 编制依据2。1 云南云景纸业有限公司 3 万吨/年生活用纸项目招标文件2。2 《立式圆筒形钢制焊接油罐施工及验收法律规范》 GBJ128—902。3 《现场设备、工业管道焊接工程施工及验收法律规范》 GB50236-982。4 我公司以往非标贮罐的施工经验.3 施工方法及施工程序3。1 施工方法非标贮罐的制作安装拟采纳群抱提升倒装法施工,这种方法弥补了传统的正装法及充气顶长倒装法的不足,是一种技术成熟、安全可靠、综合效益好的施工工艺.不锈钢贮罐的制作如在室外的可采纳吊车提升倒装法,由于罐体直径不大,可以在地面分别组对成两节后,用吊车组对。在质量方面,由于这两种方法有利于罐体的对接控制,从而保证了焊接质量,又由于胀圈的作用,也能极好的保证整个贮罐的外形,在安全方面,又减少了大量的高空作业.不锈钢贮罐如在室内的可采纳手拉或电动葫芦提升倒装法施工.3.2 施工程序3.2.1 碳钢贮罐施工程序见下图: 吊装材料验收排板预制罐底铺设放罐体安装基准线顶圈壁板组装底板面防腐包边角钢组装焊接顶板铺设围顶板下第二圈板群抱起升倒装就位组焊仪 次组 装其 余壁 板盘 梯缝 、罐 体同 时安装图 3—1 碳钢施工工艺流程图3。2.2 不锈钢贮罐的施工程序见下图施工准备 基础验收 材料采购、验收 下料 底板组对 顶板在依次组对顶层第二、三、四……最下一圈壁板由吊车提升将两节壁板组对 焊缝酸洗、探伤 仪表调试 阀门试压 接管、梯子、平台、栏杆及附件安装 贮罐总体试验 罐内脱脂 。图 3—2 不锈钢贮罐施工工艺流程图4 施工准备4。1 施工前应组织有关人员熟悉图纸及施工方案,认真作好技术交底。4。2 根据施工图要求绘制好底板、壁板、顶板的排版图。4。3 施工现场应做到“三通一平",如条件充许可在罐区基础旁搭设 10m×12m 平台一个,以满足预制要求.4...

1、当您付费下载文档后,您只拥有了使用权限,并不意味着购买了版权,文档只能用于自身使用,不得用于其他商业用途(如 [转卖]进行直接盈利或[编辑后售卖]进行间接盈利)。
2、本站所有内容均由合作方或网友上传,本站不对文档的完整性、权威性及其观点立场正确性做任何保证或承诺!文档内容仅供研究参考,付费前请自行鉴别。
3、如文档内容存在违规,或者侵犯商业秘密、侵犯著作权等,请点击“违规举报”。

碎片内容

云景非标储罐制作安装施工组织方案

您可能关注的文档

确认删除?
VIP
微信客服
  • 扫码咨询
会员Q群
  • 会员专属群点击这里加入QQ群
客服邮箱
回到顶部