电脑桌面
添加小米粒文库到电脑桌面
安装后可以在桌面快捷访问

地锚笼施工方案

地锚笼施工方案_第1页
1/6
地锚笼施工方案_第2页
2/6
地锚笼施工方案_第3页
3/6
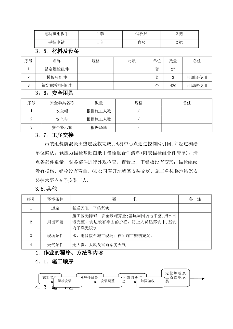
******工程地锚笼施工方案编制人: 审核人: 审批人:施工单位:(章)2024 年 8 月 10 日1。工程概况及工程量1.1。工程概况风机基础预埋的锚定螺栓及型钢支腿由锚定螺栓厂家提供,锚定螺栓采纳人工安装。1。2.工程量序号名称数量单位备注1地锚笼27套图纸内1.3.工期单台风机基础预应力地锚组合架安装工期为 1 个工作日,本工程计划开工日期 2024 年 09 月 5 日,计划完工日期 2024 年 10 月 5 日,计划总工期为 30 天.2.编制依据序号资料名称版本出版单位1《风机基础图》2地锚笼专业技术文件GB50204—20243。作业前的条件和准备3。1.技术准备序号必须具备的条件责任单位备注1施工图纸到位资料室/2设计交底完设计院/3图纸会审完工程部/4开工报告审批完成工程部/5材料预算完工程部/6材料到场齐全并经检验合格物资部/7施工用工机具及计量器具准备完成并经检验合格工程部/8作业指导书编制、审批完工程部/9施工队伍及各种作业人员的确定工程部/10施工人员安全教育、体检已完综合部/11检测施工机械、机具,保证其运转良好工程部/12施工场地、道路、水电、通讯满足要求工程部/13施工记录、验收表格齐全质量部/14工程施工范围设置的测量控制网引回风机坐标点工程部/18职工进行上岗前的培训,增强操作技能综合部/3.2.作业人员的配置、资格序号作业人员工种资格要求人数1生产负责人有整体指挥能力,责任心强,熟悉地锚笼安装工序12技术负责人有施工经验,熟悉技术文件,能现场解决一般问题并了解验收要求,责任心强13施工管理员了解地锚笼抗拉强度及安装工序14安监员有安监证责任心强15质检员有质检证,熟悉法律规范和图纸16技术员有现场施工经验熟悉技术文件及图纸17测量人员要求熟悉导线测量定位测量的方法,能熟练操作各种测量仪器。112焊工有焊工证,熟悉本工种操作113辅助工能辅助各工种作业614吊车司机熟悉机械性能经过培训,有驾驶证,持证上岗。13。3.仪器、仪表序号仪器仪表名称规格型号数量备注1水准仪16215091 台校验合格,且有效期内2钢卷尺50m1 把校验合格,且有效期内3全站仪FTS512N1 台校验合格,且有效期内4地质罗盘仪DQL—12Z1 个校验合格,且有效期内3.4。施工用具统计表施工机械工器具25t 汽车吊1 台拐角尺2 把直流电焊机1 台扳手8 把电动扭矩扳手1 套钢板尺2 把手持电钻1 台直尺2 把3。5。材料及设备序号名称规格材质单位数量备注1锚定螺栓组件套272模板环组件套3可周转使用3锚定螺栓帽-临时个420可周转使...

1、当您付费下载文档后,您只拥有了使用权限,并不意味着购买了版权,文档只能用于自身使用,不得用于其他商业用途(如 [转卖]进行直接盈利或[编辑后售卖]进行间接盈利)。
2、本站所有内容均由合作方或网友上传,本站不对文档的完整性、权威性及其观点立场正确性做任何保证或承诺!文档内容仅供研究参考,付费前请自行鉴别。
3、如文档内容存在违规,或者侵犯商业秘密、侵犯著作权等,请点击“违规举报”。

碎片内容

地锚笼施工方案

您可能关注的文档

确认删除?
VIP
微信客服
  • 扫码咨询
会员Q群
  • 会员专属群点击这里加入QQ群
客服邮箱
回到顶部