电脑桌面
添加小米粒文库到电脑桌面
安装后可以在桌面快捷访问

2025年安全管理人员考核管理办法

2025年安全管理人员考核管理办法_第1页
1/5
2025年安全管理人员考核管理办法_第2页
2/5
2025年安全管理人员考核管理办法_第3页
3/5
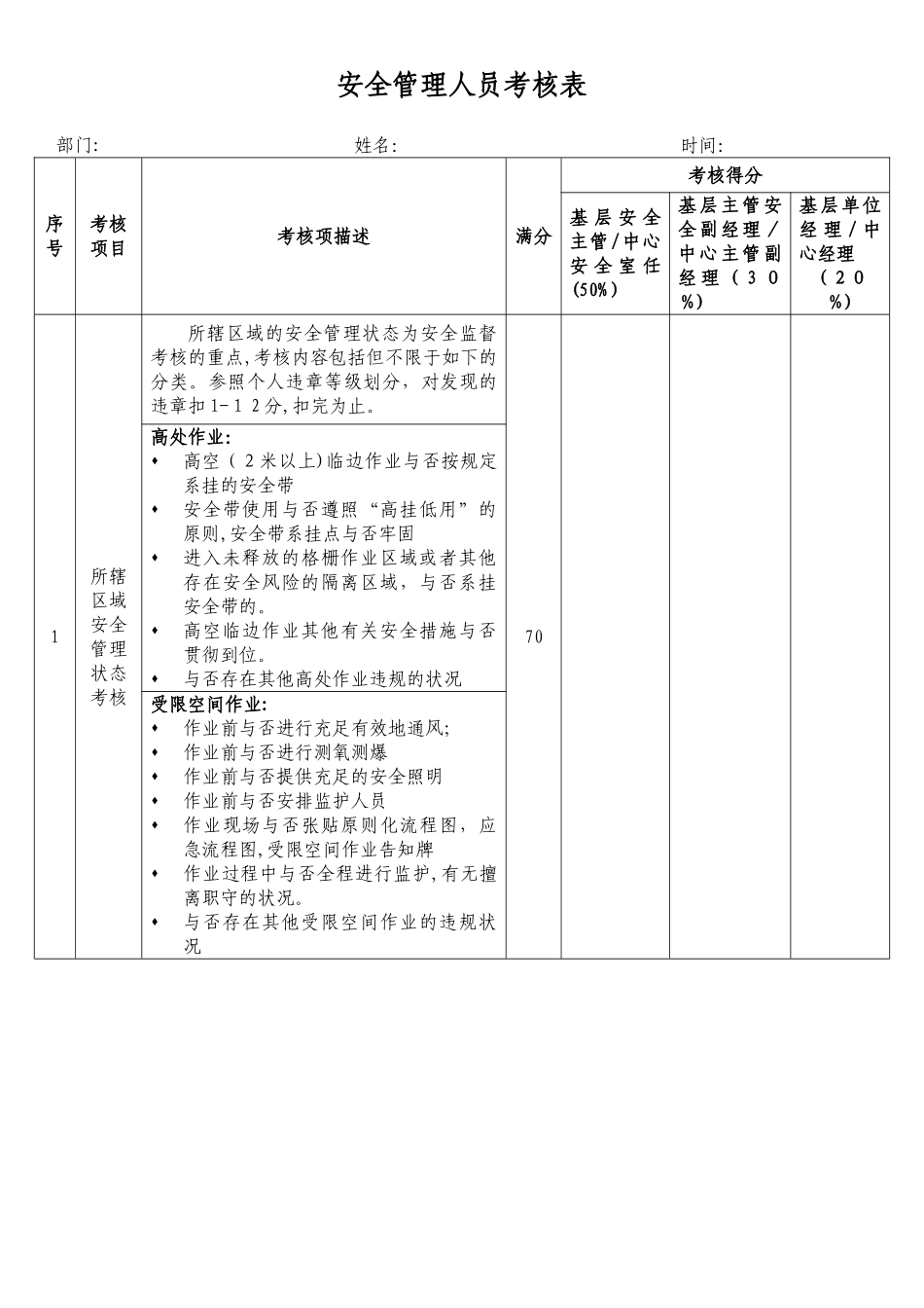
安全管理人员考核管理措施为了强化企业安全管理人员的管理,不停提高安全管理人员业务能力更好地履行岗位职责,充足发挥安全管理人员的作用,推进各项安全管理制度的贯彻和现场安全管理水平的提高,特制订本措施.一、考核范围企业全体安全监督、安全员,包括劳务安全管理人员。二、考核算施措施1。 考核人所占权重如下:序号考核人权重考核周期1基层安全主管/项目管理中心安全室主任50月度2基层主管安全副经理/项目管理中心主管副经理3 0月度3基层部门经理/项目管理中心经理2 0月度2。考核内容及权重如下:见附件安全管理人员考核表.该考核表采用倒扣分的形式,各考核细项均设定满分分值,扣完为止。3。考核总得分:考核总得分=∑(基层安全主管/项目安全经理考核得分*5 0%+基层主管安全副经理/项目副经理考核得分*30%+基层部门经理/项目经理考核得分*20%)三、考核奖惩(一)企业自有安全管理人员1. 当月考核成绩低于8 5 分的,由基层主管单位/项目管理中心负责停工培训一天,考试合格后,方可重新作业。2. 本年度内两次考核成绩低于 85 分的,由基层主管单位/项目管理中心负责停工培训三天,考试合格后,方可重新作业,并减发一种月的绩效奖金.3. 本年度内三次考核成绩低于 85 分的,由基层主管单位/项目管理中心负责停工培训一星期,考试合格后,方可重新作业,并减发一种季度的绩效奖金。4。 本年度内三次以上考核成绩低于 8 5分的,提交人力资源部,提议调换工作岗位。5. 如自有安全管理人员存在滥用职权,谋取私利的状况,根据违规次数,参照上述条款进行处理。累积三次以上,则提交人力资源部,提议调换工作岗位。(二)劳务安全管理人员1。 当月考核成绩低于 85 分的,由基层主管单位/项目管理中心负责停工培训一天,考试合格后,方可重新作业.2。 本年度内两次考核成绩低于 8 5分的,由基层主管单位/项目管理中心负责停工培训三天,考试合格后,方可重新作业。3. 本年度内三次考核成绩低于8 5 分的,予以开除企业的处理.4。 如劳务安全管理人员存在滥用职权,谋取私利的状况,根据违规次数,参照上述条款进行处理。累积达到三次,则予以开除企业的处理.安全管理人员考核表部门: 姓名: 时间:序号考核项目考核项描述满分考核得分基 层 安 全主管/中心安 全 室 任(50%)基层主管安全副经理/中心主管副经 理 ( 3 0%)基层单位经 理 / 中心经理(20%)1所辖区域安全管理状态考核所辖区域的安全管理状态...

1、当您付费下载文档后,您只拥有了使用权限,并不意味着购买了版权,文档只能用于自身使用,不得用于其他商业用途(如 [转卖]进行直接盈利或[编辑后售卖]进行间接盈利)。
2、本站所有内容均由合作方或网友上传,本站不对文档的完整性、权威性及其观点立场正确性做任何保证或承诺!文档内容仅供研究参考,付费前请自行鉴别。
3、如文档内容存在违规,或者侵犯商业秘密、侵犯著作权等,请点击“违规举报”。

碎片内容

2025年安全管理人员考核管理办法

确认删除?
VIP
微信客服
  • 扫码咨询
会员Q群
  • 会员专属群点击这里加入QQ群
客服邮箱
回到顶部