电脑桌面
添加小米粒文库到电脑桌面
安装后可以在桌面快捷访问

2025年二级建造师市政公用工程实务真题及答案

2025年二级建造师市政公用工程实务真题及答案_第1页
1/7
2025年二级建造师市政公用工程实务真题及答案_第2页
2/7
2025年二级建造师市政公用工程实务真题及答案_第3页
3/7
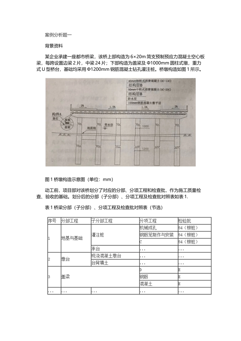
案例分析题一背景资料某企业承建一座都市桥梁,该桥上部构造为 6×20m 简支预制预应力混凝土空心板梁,每跨设置边梁 2 片,中梁 24 片;下部构造为盖梁及 Φ1000mm 圆柱式墩,重力式 U 型桥台,基础均采用 Φ1200mm 钢筋混凝土钻孔灌注桩。桥墩构造如图 1 所示。图 1 桥墩构造示意图(单位:mm)动工前,项目部对该桥划分了对应的分部、分项工程和检查批,作为施工质量检查、验收的基础。划分后的分部(子分部)、分项工程及检查批对照表如表 1.表 1 桥梁分部(子分部)、分项工程及检查批对照表(节选)工程竣工后,项目部立即向当地工程质量监督机构申请工程竣工验收,该申请未被受理,此后,项目部按照工程竣工验收规定对工程进行全面检查和整修,确认工程符合竣工验收条件后,重新申请工程竣工验收。问题:写出图 1 中构件 A 和桥面铺装构造层 B 的名称,并阐明构件 A 在桥梁构造中的作用。2、列式计算图 1 中构件 A 在桥梁中的总数量3、写出表 1 中 C、D 和 E 的内容4、施工单位应向哪个单位申请工程的竣工验收?5、工程竣工后,施工单位在申请工程竣工验收前应做好哪些工作?【参照答案】1、构件 A 为:桥梁支座;构造 B 为:粘层油。支座作用:在桥跨构造与桥墩或桥台的支承处所设置的传力装置。它不仅要传递很大的荷载,并且还要保证桥跨构造能产生一定的变位。2、共 6 跨梁,每跨有 24+2=26 片箱梁,每个箱梁一端有 2 个支座(共 4 个支座),那么总共有 24*4*6=624 个支座。3、C:水下灌注混凝土,D:模板安装,E:7 个4、施工单位向建设单位提交工程竣工汇报,申请工程竣工验收5、工程竣工后,施工单位应自行组织有关人员进行检查评估,总监理工程师应组织专业监理工程师对工程质量进行竣工预验收,对存在的问题,应有施工单位及时整改。整改完毕后,由施工单位向建设单位提交工程竣工汇报,申请工程竣工验收。案例分析题二背景资料某企业中标承污水截流工程,内容有:新建提高泵站一座,位于都市绿地内,地下部分为内径 5m 的圆形混凝土构造,底板高程-9.0m;新敷设 D1200mm 和D1400mm 柔性接口钢筋混凝土管道 546m,管顶覆土深度 4.8m~5.5m,检查并间距 50m~80m;A 段管道从高速铁路桥跨中穿过,B 段管道垂直穿越都市道路,工程纵向剖面如图 2 所示。场地地下水为层间水,赋存于粉质黏土、重分质黏土层,水量较大。设计采用明挖施工,辅以井点降水和局部注浆加固施...

1、当您付费下载文档后,您只拥有了使用权限,并不意味着购买了版权,文档只能用于自身使用,不得用于其他商业用途(如 [转卖]进行直接盈利或[编辑后售卖]进行间接盈利)。
2、本站所有内容均由合作方或网友上传,本站不对文档的完整性、权威性及其观点立场正确性做任何保证或承诺!文档内容仅供研究参考,付费前请自行鉴别。
3、如文档内容存在违规,或者侵犯商业秘密、侵犯著作权等,请点击“违规举报”。

碎片内容

2025年二级建造师市政公用工程实务真题及答案

您可能关注的文档

确认删除?
VIP
微信客服
  • 扫码咨询
会员Q群
  • 会员专属群点击这里加入QQ群
客服邮箱
回到顶部