电脑桌面
添加小米粒文库到电脑桌面
安装后可以在桌面快捷访问

基坑降水与排水工程监理细则

基坑降水与排水工程监理细则_第1页
1/7
基坑降水与排水工程监理细则_第2页
2/7
基坑降水与排水工程监理细则_第3页
3/7
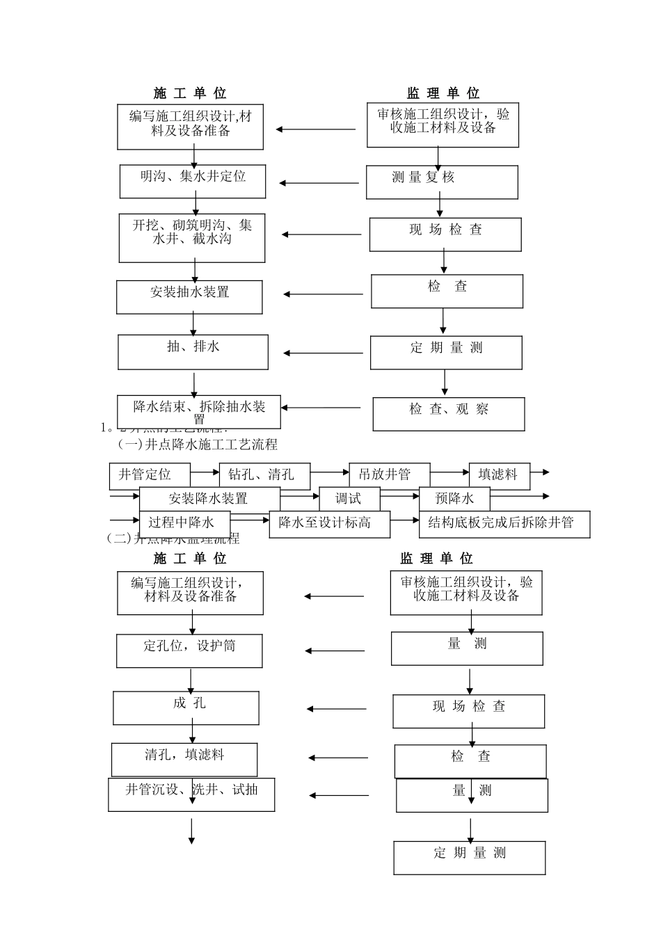
监理实施细则工程名称:厦门大学翔安校区继续教育学院分项工程名称:基坑降水与排水 分项工程 专业监理工程师:总监理工程师:厦门建兴工程管理有限公司厦门大学翔安校区继续教育学院监理部二 0 一五年 月 日一、。适用范围:本细则适用于”厦门大学翔安校区继续教育学院工程"基坑降水与排水施工及验收的监督管理。二、编制依据1、国家有关工程建设的法律、法规,地方的法规、规章和有关的文件规定;2、经建设主管部门批准的工程项目建设文件;3、建设工程委托监理合同、经批准的监理规划;4、与专业工程相关的标准、设计文件和技术资料;5、建设工程合同和施工组织设计。6、《建筑工程施工质量验收统一标准》(GB50300—2001)7、《工程测量法律规范》(GB50026-93)8、《建筑地基基础工程施工质量验收法律规范》(GB50202—2024)9、《建筑机械使用安全技术规程》(JGJ33—2001)10、《施工现场临时用电安全技术法律规范》(JGJ46—2024)三、工程概况、工程的特点及质量目标(降排水方案出来后填写)四、施工工艺及监理工作流程1、施工工艺1.1 集水明排降水施工工艺流程:(一)集水明排降水施工工艺流程(二)集水明排降水监理流程明沟、集水井定位放线开挖明沟、集水井 调试 安装抽水装置基坑土方开挖坡顶或上层土坡 砌筑截水沟抽、排水 循环上述流程挖至基底标高 降水至设计标高 结构底板完成后拆除抽水设备 施 工 单 位 监 理 单 位1。2 井点的工艺流程:(一)井点降水施工工艺流程(二)井点降水监理流程 施 工 单 位 监 理 单 位编写施工组织设计,材料及设备准备审核施工组织设计,验收施工材料及设备定孔位,设护筒量 测 成 孔现 场 检 查清孔,填滤料检 查井管沉设、洗井、试抽量 测定 期 量 测井管定位钻孔、清孔吊放井管填滤料 安装降水装置调试预降水过程中降水降水至设计标高结构底板完成后拆除井管编写施工组织设计,材料及设备准备审核施工组织设计,验收施工材料及设备明沟、集水井定位 测 量 复 核开挖、砌筑明沟、集水井、截水沟现 场 检 查安装抽水装置检 查抽、排水降水结束、拆除抽水装置定 期 量 测检 查、观 察五、监理控制要点和目标值基坑降水与排水的目标是在基坑工程施工过程中,地下水要满足支护结构和挖土施工的要求,并且不因地下水位的变化,对基坑及其周围环境和设施带来危害。(一)、集水明排降水监控要点1、集水明排施工监控要点1。1 排水明沟宜布置在拟建建筑...

1、当您付费下载文档后,您只拥有了使用权限,并不意味着购买了版权,文档只能用于自身使用,不得用于其他商业用途(如 [转卖]进行直接盈利或[编辑后售卖]进行间接盈利)。
2、本站所有内容均由合作方或网友上传,本站不对文档的完整性、权威性及其观点立场正确性做任何保证或承诺!文档内容仅供研究参考,付费前请自行鉴别。
3、如文档内容存在违规,或者侵犯商业秘密、侵犯著作权等,请点击“违规举报”。

碎片内容

基坑降水与排水工程监理细则

您可能关注的文档

确认删除?
VIP
微信客服
  • 扫码咨询
会员Q群
  • 会员专属群点击这里加入QQ群
客服邮箱
回到顶部