电脑桌面
添加小米粒文库到电脑桌面
安装后可以在桌面快捷访问

塔式起重机安装验收表VIP专享

塔式起重机安装验收表_第1页
1/3
塔式起重机安装验收表_第2页
2/3
塔式起重机安装验收表_第3页
3/3
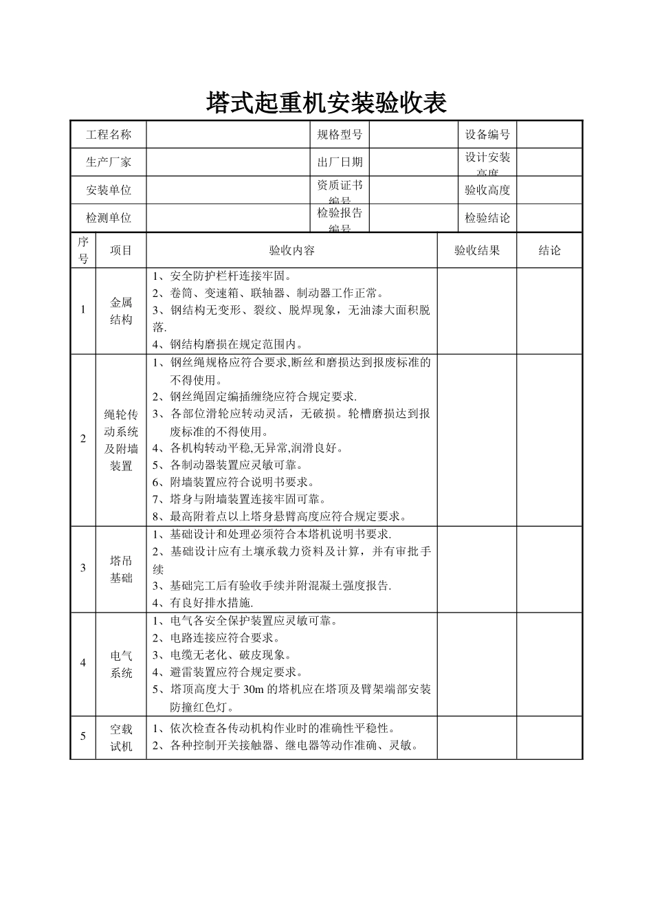
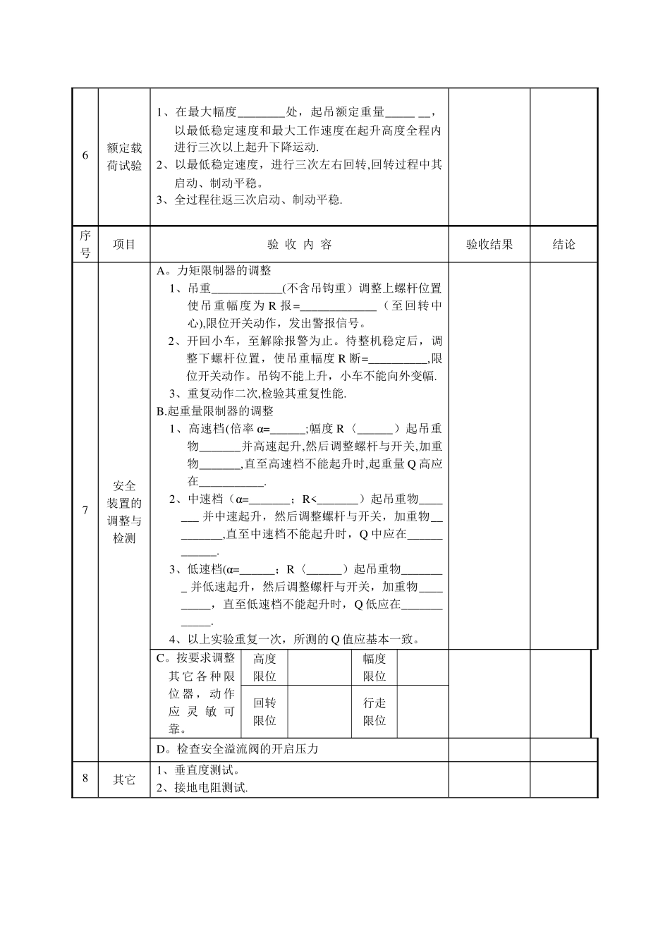
塔式起重机安装验收表工程名称规格型号设备编号生产厂家出厂日期设计安装高度安装单位资质证书编号验收高度检测单位检验报告编号检验结论序号项目验收内容验收结果结论1金属结构1、安全防护栏杆连接牢固。2、卷筒、变速箱、联轴器、制动器工作正常。3、钢结构无变形、裂纹、脱焊现象,无油漆大面积脱落.4、钢结构磨损在规定范围内。2绳轮传动系统及附墙装置1、钢丝绳规格应符合要求,断丝和磨损达到报废标准的不得使用。2、钢丝绳固定编插缠绕应符合规定要求.3、各部位滑轮应转动灵活,无破损。轮槽磨损达到报废标准的不得使用。4、各机构转动平稳,无异常,润滑良好。5、各制动器装置应灵敏可靠。6、附墙装置应符合说明书要求。7、塔身与附墙装置连接牢固可靠。8、最高附着点以上塔身悬臂高度应符合规定要求。3塔吊基础1、基础设计和处理必须符合本塔机说明书要求.2、基础设计应有土壤承载力资料及计算,并有审批手续3、基础完工后有验收手续并附混凝土强度报告.4、有良好排水措施.4电气系统1、电气各安全保护装置应灵敏可靠。2、电路连接应符合要求。3、电缆无老化、破皮现象。4、避雷装置应符合规定要求。5、塔顶高度大于 30m 的塔机应在塔顶及臂架端部安装防撞红色灯。5空载试机1、依次检查各传动机构作业时的准确性平稳性。2、各种控制开关接触器、继电器等动作准确、灵敏。6额定载荷试验1、在最大幅度________处,起吊额定重量_____ __,以最低稳定速度和最大工作速度在起升高度全程内进行三次以上起升下降运动.2、以最低稳定速度,进行三次左右回转,回转过程中其启动、制动平稳。3、全过程往返三次启动、制动平稳.序号项目验 收 内 容验收结果结论7安全装置的调整与检测A。力矩限制器的调整1、吊重____________(不含吊钩重)调整上螺杆位置使吊重幅度为 R 报=_____________(至回转中心),限位开关动作,发出警报信号。2、开回小车,至解除报警为止。待整机稳定后,调整下螺杆位置,使吊重幅度 R 断=__________,限位开关动作。吊钩不能上升,小车不能向外变幅.3、重复动作二次,检验其重复性能.B.起重量限制器的调整1、高速档(倍率 α=______;幅度 R〈______)起吊重物_______并高速起升,然后调整螺杆与开关,加重物_______,直至高速档不能起升时,起重量 Q 高应在___________.2、中速档(α=_______;R<_______)起吊重物_______ 并中速起升,然后调整螺杆与开关,加重物_________,直至中速档不能起升时,Q 中应在____________.3...

1、当您付费下载文档后,您只拥有了使用权限,并不意味着购买了版权,文档只能用于自身使用,不得用于其他商业用途(如 [转卖]进行直接盈利或[编辑后售卖]进行间接盈利)。
2、本站所有内容均由合作方或网友上传,本站不对文档的完整性、权威性及其观点立场正确性做任何保证或承诺!文档内容仅供研究参考,付费前请自行鉴别。
3、如文档内容存在违规,或者侵犯商业秘密、侵犯著作权等,请点击“违规举报”。

碎片内容

塔式起重机安装验收表

确认删除?
VIP
微信客服
  • 扫码咨询
会员Q群
  • 会员专属群点击这里加入QQ群
客服邮箱
回到顶部