电脑桌面
添加小米粒文库到电脑桌面
安装后可以在桌面快捷访问

外墙真石漆饰面分项工程报验申请表

外墙真石漆饰面分项工程报验申请表_第1页
1/12
外墙真石漆饰面分项工程报验申请表_第2页
2/12
外墙真石漆饰面分项工程报验申请表_第3页
3/12
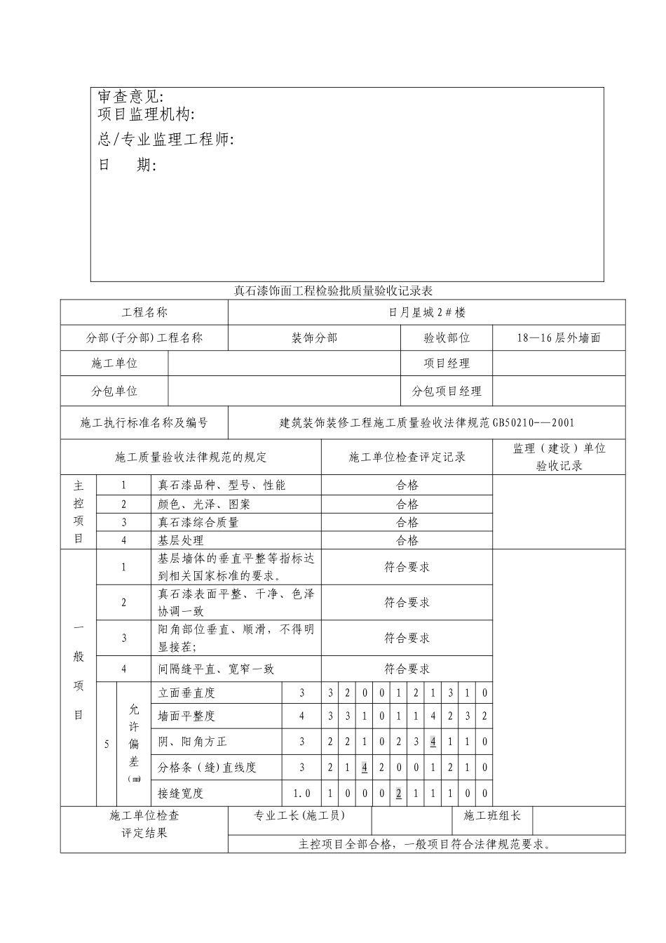
外墙真石漆饰面分项工程报验申请表工程名称:日月星城 2#楼编号:致:铜陵市建设监理有限责任公司:(监理单位)我单位已完成了外墙真石漆饰面分项 工程 工作,现报上该工程报验申请表,请予以审查和验收.附件:外墙真石漆饰面分项工程质量验收记录承包单位(章):项目经理:日 期:审查意见:项目监理机构:总/专业监理工程师:日 期:外墙真石漆饰面分项工程质量验收记录工程名称日月星城 2#楼结构类型框架剪力墙检验批数6施工单位项目经理项目技术负责人序号检验批部位、区段施工单位检验评定结果监理(建设)单位验收结论118—16 层外墙真石漆合格215-13 层外墙真石漆合格312—10 层外墙真石漆合格49—7 层外墙真石漆合格56—4 层外墙真石漆合格63—1 层外墙真石漆合格789101112检查结论合格项目专业技术负责人:日期:验收结论监理工程师:(建设单位项目专业技术负责人)日期:外墙真石漆饰面检验批报验申请表工程名称:日月星城 2#楼编号:致:铜陵市建设监理有限责任公司:(监理单位)我单位已完成了 18—16 层外墙真石漆饰面施工 工作,现报上该工程报验申请表,请予以审查和验收。附件:真石漆饰面工程检验批质量验收记录表承包单位(章):项目经理:日 期:审查意见:项目监理机构:总/专业监理工程师:日 期:真石漆饰面工程检验批质量验收记录表工程名称日月星城 2#楼分部(子分部)工程名称装饰分部验收部位18—16 层外墙面施工单位项目经理分包单位分包项目经理施工执行标准名称及编号建筑装饰装修工程施工质量验收法律规范 GB50210-—2001施工质量验收法律规范的规定施工单位检查评定记录监理(建设)单位验收记录主控项目1真石漆品种、型号、性能合格2颜色、光泽、图案合格3真石漆综合质量合格4基层处理合格一般项目1基层墙体的垂直平整等指标达到相关国家标准的要求。符合要求2真石漆表面平整、干净、色泽协调一致符合要求3阳角部位垂直、顺滑,不得明显接茬;符合要求4间隔缝平直、宽窄一致符合要求5允许偏差(mm)立面垂直度33200121310墙面平整度43310114232阴、阳角方正32210234110分格条(缝)直线度32142001210接缝宽度1.01000211100施工单位检查评定结果专业工长(施工员)施工班组长主控项目全部合格,一般项目符合法律规范要求。项目专业质量检查员: 年 月 日 监理(建设)单位验收结论专业监理工程师:(建设单位项目专业技术负责人): 年 月 日外墙真石漆饰面检验批报验申请表工程名称:日月星城 2#...

1、当您付费下载文档后,您只拥有了使用权限,并不意味着购买了版权,文档只能用于自身使用,不得用于其他商业用途(如 [转卖]进行直接盈利或[编辑后售卖]进行间接盈利)。
2、本站所有内容均由合作方或网友上传,本站不对文档的完整性、权威性及其观点立场正确性做任何保证或承诺!文档内容仅供研究参考,付费前请自行鉴别。
3、如文档内容存在违规,或者侵犯商业秘密、侵犯著作权等,请点击“违规举报”。

碎片内容

外墙真石漆饰面分项工程报验申请表

您可能关注的文档

范哲铺+ 关注
实名认证
内容提供者

想你所想,急你所急,你需要的都在店铺里可以找到。

确认删除?
VIP
微信客服
  • 扫码咨询
会员Q群
  • 会员专属群点击这里加入QQ群
客服邮箱
回到顶部