电脑桌面
添加小米粒文库到电脑桌面
安装后可以在桌面快捷访问

安全月安全教育培训记录内容(范文)

安全月安全教育培训记录内容(范文)_第1页
1/3
安全月安全教育培训记录内容(范文)_第2页
2/3
安全月安全教育培训记录内容(范文)_第3页
3/3
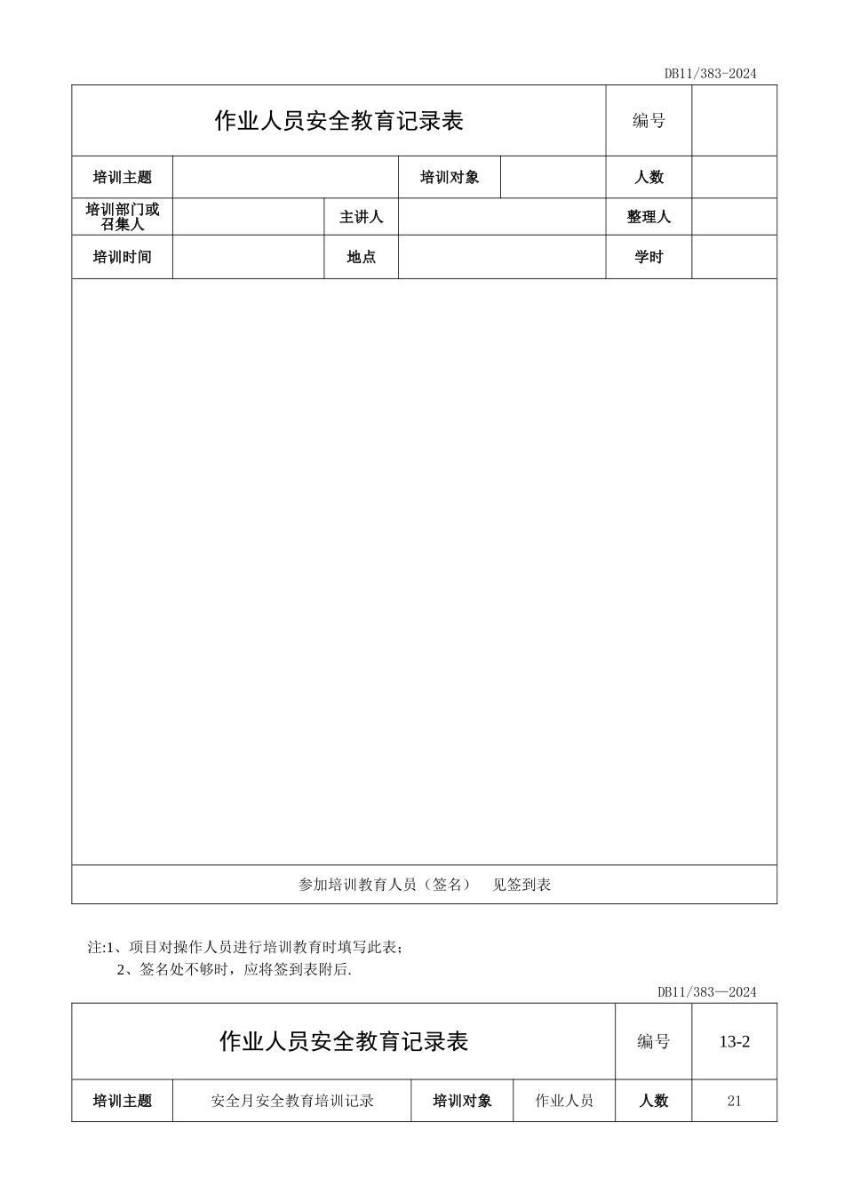
DB11/383-2024注:1、项目对操作人员进行培训教育时填写此表;2、签名处不够时,应将签到表附后.DB11/383—2024作业人员安全教育记录表编号13-2培训主题安全月安全教育培训记录培训对象作业人员人数21作业人员安全教育记录表编号培训主题培训对象人数培训部门或召集人主讲人整理人培训时间地点学时参加培训教育人员(签名) 见签到表 培训部门或召集人项目部主讲人项目经理、安全员整理人安全员培训时间2024—6-24地点广东省第二建筑工程项目部学时2 小时安全事故无大小,给人的是一种警示,更是一种用血泪换来的教训 ,这也让我们对安全的重要性有了更深刻的认识。在“安全生产月"期间,各施工项目组织隐患排查治理,针对性地开展专项检查,结合当前开展的“三项行动”,针对施工安全管理工作存在的主要问题,组织开展有针对性施工安全专项检查,对在建工程施工现场继续开展以预防高处坠落和机械损害和特种作业人员持证情况为重点的隐患排查整治工作 .通过开展排查治理,督促建设工程各方落实安全生产主体责任,加强施工现场的安全生产管理,及时排查治理安全隐患,严防施工安全事故发生,促进各项安全生产监管措施真正落到实处。在检查中发现的安全隐患,根据定方案、定资金、定责任人、定整改期限的“四定"要求,仔细落实,强化隐患整改的跟踪“回头看"工作的落实,及时消除隐患.6 月份是全国“安全生产月",开展“安全生产月",以“强化安全基础,推动安全进展”活动为主题,进一步促进各项安全生产任务和措施的落实,进而推动安全建设,提高安全意识,具有十分重要的意义,项目部对以下方面进行大检查。1.防火:要求各施工施工场地严格执行易燃、易爆危险品安全管理规定,施工现场消防设施配备齐全,并要求重点防火区域、易燃爆物品专人管理。2.防中暑:根据高温预警合理调整作息时间,避开高温天气室外作业,并为施工人员发放防暑降温药品及食品饮料等。3.防触电:做好配电箱等电器设备的防雨工作,要求电器管理人员每天下班拉断电源,并做好设备巡查。电工持证上岗,实行三级配电两级保护系统.4.安全防护:警示标示齐全。5.专项保护:地上、地下物的安全技术保护措施.6.安全交底:执行安全交底制度、签字齐全。7.应急预案:编制项目应急预案及进行应急预案的演练,记录齐全,并做好施工场地的防汛工作。8.安全防护用品的使用:施工现场作业人员按规定穿戴好安全防护用品.参加培训教育人员(签名) 见签到表 附件:作业人员安全教育签到表 下料组: 龙门...

1、当您付费下载文档后,您只拥有了使用权限,并不意味着购买了版权,文档只能用于自身使用,不得用于其他商业用途(如 [转卖]进行直接盈利或[编辑后售卖]进行间接盈利)。
2、本站所有内容均由合作方或网友上传,本站不对文档的完整性、权威性及其观点立场正确性做任何保证或承诺!文档内容仅供研究参考,付费前请自行鉴别。
3、如文档内容存在违规,或者侵犯商业秘密、侵犯著作权等,请点击“违规举报”。

碎片内容

安全月安全教育培训记录内容(范文)

您可能关注的文档

确认删除?
VIP
微信客服
  • 扫码咨询
会员Q群
  • 会员专属群点击这里加入QQ群
客服邮箱
回到顶部