电脑桌面
添加小米粒文库到电脑桌面
安装后可以在桌面快捷访问

安全生产保证体系(最新)VIP专享

安全生产保证体系(最新)_第1页
1/9
安全生产保证体系(最新)_第2页
2/9
安全生产保证体系(最新)_第3页
3/9
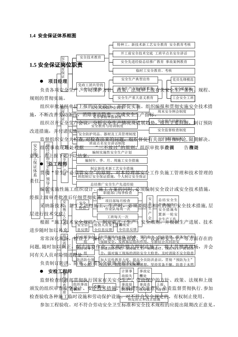
安全生产保证体系目录1.1 安全目标 1 。 2 安全保证原则 1.3 安全管理机构图 1.4 安全保证体系框图 1 。 5 安全保证岗位职责 1.6 安全生产措施 1 。 6 。 1 施工安全保证措施 1.6.2 机械安全保证措施 1 。 6 。 3 交叉施工作业的安全保证措施 1 。 6 。 4 临时用电和机电设备的保护措施 1 。 6 。 5 治安措施 1 。 6.6 消防措施 1.6 。 7 危险品使用措施 项目经理安全总负责作业班长落实安全措施作业班技术员制定安全作业方案作业班安全员作业安全控制作业班材料员提供合格防护用品安质环保部安全措施落实检查物资机械部提供安全装备设施工程技术部制定安全措施项目总工组织制定安全措施公司职能部门1.1 安全目标安全目标为:实现“五无"、“一消灭",确保施工安全,确保交通安全(“五无”:即无重大人身伤亡事故,无重大机械事故,无重大交通事故,无压力容器、锅炉爆炸事故,无火灾事故;“一消灭”:消灭重大责任死亡事故).1.2 安全保证原则根据国家和招标文件关于安全生产的规定,建立完善安全管理体系,成立各职能部门负责人、作业队长参加的工程安全管理小组,实行项目经理负责制,负责本工程的安全管理工作。建立三级安全组织体系,项目经理部设安全质量环保部,配备安全监察工程师,施工作业队设专职安全监察员,班组设兼职安全监察员,在施工过程中自上而下根据“抽检”、“复检”、“跟踪检查”三个监督检查等级分别实施检查任务.制定和完善从项目经理、作业队长到操作工人的岗位安全责任制,明确各级管理职责,建立严格的考核制度,将经济效益与安全生产挂钩.所有施工均在现场设立施工标志,施工结束后立即清理施工现场。派专人配合监理工程师工作,随时接受业主安全监督机构的监督检查。1.3 安全管理机构图事故调查处理组织事故调查小组调查取证上报、存档制定防止和改正措施事故原因分析事故责任分析计算事故损失事故定性处理治安消防安全施工大检查检查人员安全信息反馈调度系统安全信息反馈安全信息反馈安全检查职能部门每季检查项目部每月检查作业队每周一次工班每天一次安全生产会总结安全生产情况修订安全措施布置新一轮安全生产工作制度保证安全事故申报制度安全教育与培训制度安全防护用品、器材及工具管理制度安全风险抵押金制度班前点名安全讲话制度安全操作挂牌制度安全监督检查制度干部盯岗制度周末安全例会制度安全教育保证安全监督岗党员先锋模范工会安全工班安全生产典型...

1、当您付费下载文档后,您只拥有了使用权限,并不意味着购买了版权,文档只能用于自身使用,不得用于其他商业用途(如 [转卖]进行直接盈利或[编辑后售卖]进行间接盈利)。
2、本站所有内容均由合作方或网友上传,本站不对文档的完整性、权威性及其观点立场正确性做任何保证或承诺!文档内容仅供研究参考,付费前请自行鉴别。
3、如文档内容存在违规,或者侵犯商业秘密、侵犯著作权等,请点击“违规举报”。

碎片内容

安全生产保证体系(最新)

确认删除?
VIP
微信客服
  • 扫码咨询
会员Q群
  • 会员专属群点击这里加入QQ群
客服邮箱
回到顶部