电脑桌面
添加小米粒文库到电脑桌面
安装后可以在桌面快捷访问

安全生产监督管理体系

安全生产监督管理体系_第1页
1/5
安全生产监督管理体系_第2页
2/5
安全生产监督管理体系_第3页
3/5
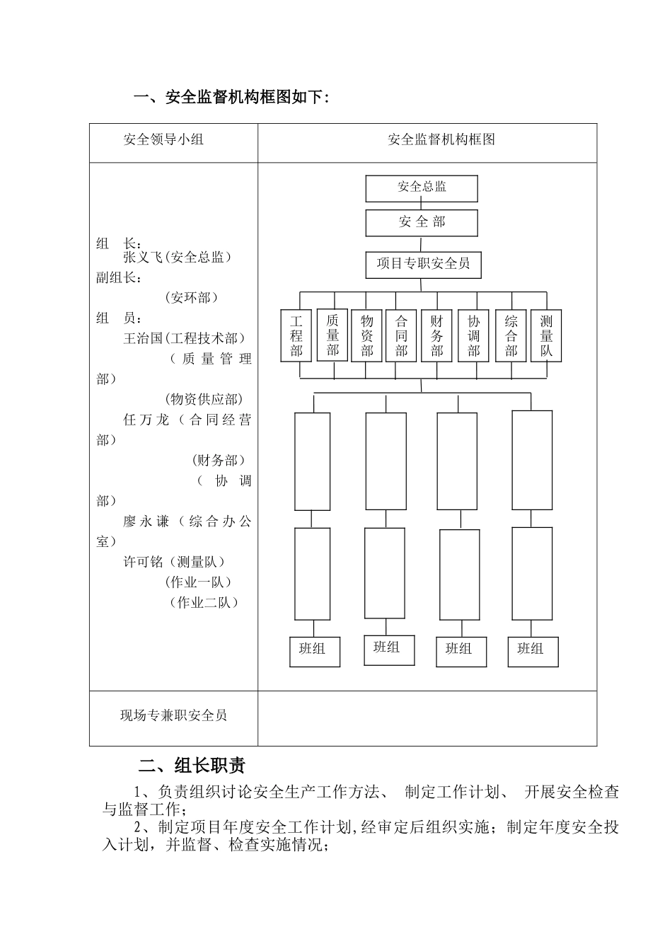
安全生产监督管理体系批准:审核:编制:中国水利水电第十工程局有限公司龙昆沟清污排涝工程一期 EPC 总承包部二 0 一九年八月安全生产监督管理体系一、目的 为保证安全管理制度的执行,根据公司、分局要求建立安全监督体系,以全面贯彻落实“安全第一,预防为主,综合治理”的安全管理方针。“以人为本、一岗双责、谁主管谁负责”的原则,为进一步加强项目安全监督管理工作,充分发挥监督管理对工程安全生产的支撑和保障作用,建立健全健全以项目安全总监为核心的监督管理体系,特制定安全生产监督管理体系. 二、监督管理范围 本体系明确了监督作用,涵盖过程建设责任、技术、实施全过程的监督管理,管理工作的内容、要求、工作程序及办法,适用于本项目安全生产监督管理工作。三、组织机构 为明确本项目安全技术管理职责,提高安全管理效率,保证项目安全施工,项目部成立安全技术管理机构,领导并实施本项目实施过程中的安全技术管理工作。 组 长:张义飞(项目安全总监) 副组长:工程技术部、安全环保部、作业队长、安全员、技术员成 员:一、安全监督机构框图如下:二、组长职责1、负责组织讨论安全生产工作方法、 制定工作计划、 开展安全检查与监督工作;2、制定项目年度安全工作计划,经审定后组织实施;制定年度安全投入计划,并监督、检查实施情况;安全领导小组安全监督机构框图组 长:张义飞(安全总监)副组长:(安环部)组 员:王治国(工程技术部)( 质 量 管 理部)(物资供应部)任 万 龙 ( 合 同 经 营部)(财务部)( 协 调部)廖 永 谦 ( 综 合 办 公室)许可铭(测量队)(作业一队)(作业二队)现场专兼职安全员安全总监项目专职安全员安 全 部工程部质量部物资部合同部财务部协调部综合部测量队班组班组班组班组3、仔细贯彻执行国家有关安全生产的方针、政策、法令、法规和上级有关规定,组织建立与维护本项目安全生产管理规章制度,提出安全生产工作要求;4、负责组织本项目年度职业健康安全与环境管理考核(简称安全生产考核)工作; 5、负责组织编写项目部年度安全生产工作报告,牵头组织召开安全工作会议;6、深化施工现场检查安全施工情况,协助解决问题,负责作业性违章的总体控制;7、参加或组织配合安全生产事故的调查处理工作;8、督促落实监督体系管理人员数量、资格及配备的设备设施等是否满足要求;9、负责组织召开安全生产责任监督体系管理会议,分析讨论当前安全生产存在的问...

1、当您付费下载文档后,您只拥有了使用权限,并不意味着购买了版权,文档只能用于自身使用,不得用于其他商业用途(如 [转卖]进行直接盈利或[编辑后售卖]进行间接盈利)。
2、本站所有内容均由合作方或网友上传,本站不对文档的完整性、权威性及其观点立场正确性做任何保证或承诺!文档内容仅供研究参考,付费前请自行鉴别。
3、如文档内容存在违规,或者侵犯商业秘密、侵犯著作权等,请点击“违规举报”。

碎片内容

安全生产监督管理体系

您可能关注的文档

确认删除?
VIP
微信客服
  • 扫码咨询
会员Q群
  • 会员专属群点击这里加入QQ群
客服邮箱
回到顶部