电脑桌面
添加小米粒文库到电脑桌面
安装后可以在桌面快捷访问

安全生产管理体系与措施

安全生产管理体系与措施_第1页
1/40
安全生产管理体系与措施_第2页
2/40
安全生产管理体系与措施_第3页
3/40
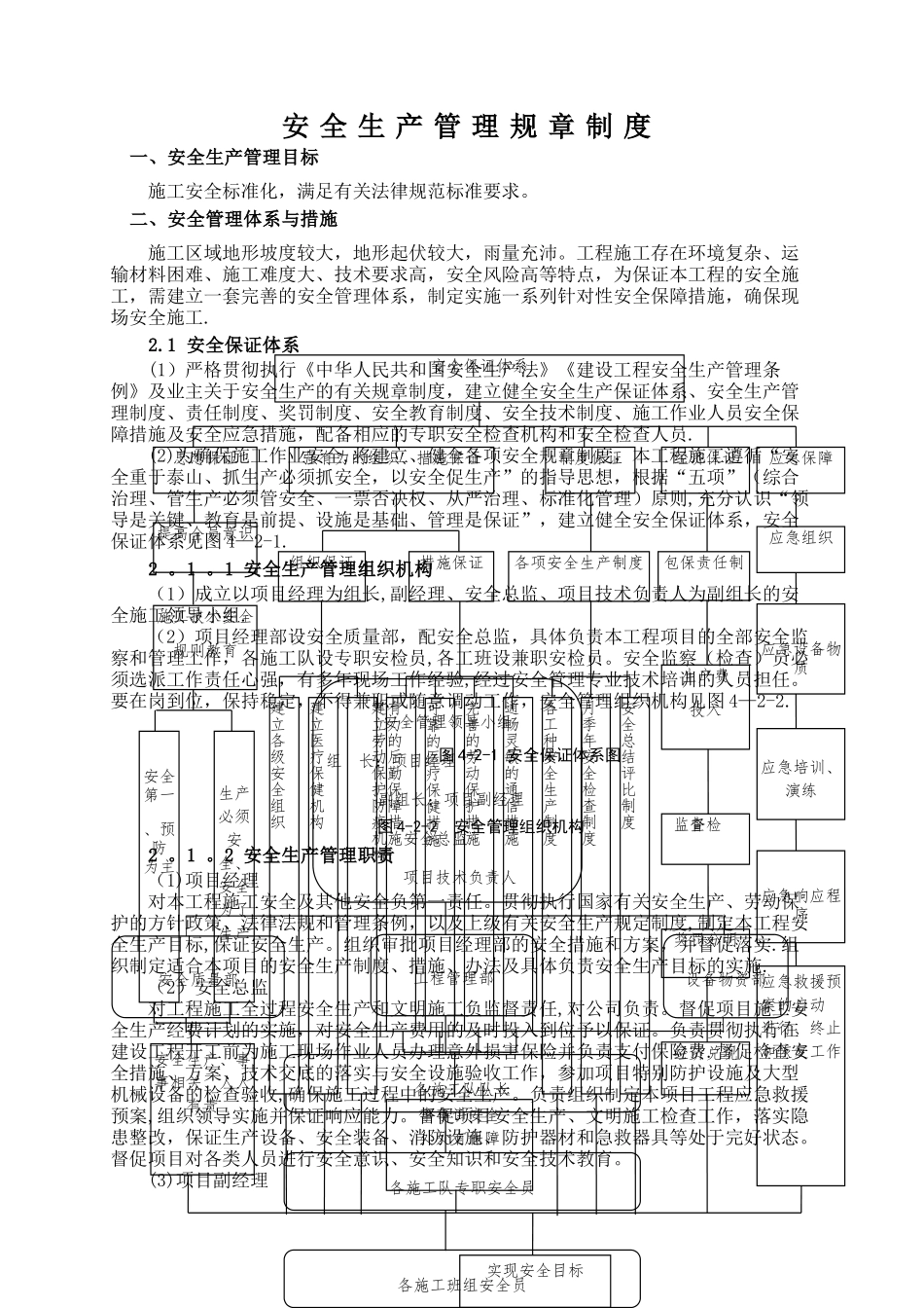
安 全 生 产 管 理 规 章 制 度一、安全生产管理目标施工安全标准化,满足有关法律规范标准要求。二、安全管理体系与措施施工区域地形坡度较大,地形起伏较大,雨量充沛。工程施工存在环境复杂、运输材料困难、施工难度大、技术要求高,安全风险高等特点,为保证本工程的安全施工,需建立一套完善的安全管理体系,制定实施一系列针对性安全保障措施,确保现场安全施工.2.1 安全保证体系(1)严格贯彻执行《中华人民共和国安全生产法》《建设工程安全生产管理条例》及业主关于安全生产的有关规章制度,建立健全安全生产保证体系、安全生产管理制度、责任制度、奖罚制度、安全教育制度、安全技术制度、施工作业人员安全保障措施及安全应急措施,配备相应的专职安全检查机构和安全检查人员.(2)为确保施工作业安全,将建立、健全各项安全规章制度,本工程施工遵循“安全重于泰山、抓生产必须抓安全,以安全促生产”的指导思想,根据“五项”(综合治理、管生产必须管安全、一票否决权、从严治理、标准化管理)原则,充分认识“领导是关键、教育是前提、设施是基础、管理是保证”,建立健全安全保证体系,安全保证体系见图 4—2-1.2 。1 。1 安全生产管理组织机构(1)成立以项目经理为组长,副经理、安全总监、项目技术负责人为副组长的安全施工领导小组.(2)项目经理部设安全质量部,配安全总监,具体负责本工程项目的全部安全监察和管理工作,各施工队设专职安检员,各工班设兼职安检员。安全监察(检查)员必须选派工作责任心强,有多年现场工作经验,经过安全管理专业技术培训的人员担任。要在岗到位,保持稳定,不得兼职或随意调动工作,安全管理组织机构见图 4—2-2. 图 4-2-1 安全保证体系图图 4-2-2 安全管理组织机构2 。1 。2 安全生产管理职责(1)项目经理对本工程施工安全及其他安全负第一责任。贯彻执行国家有关安全生产、劳动保护的方针政策、法律法规和管理条例,以及上级有关安全生产规定制度,制定本工程安全生产目标,保证安全生产。组织审批项目经理部的安全措施和方案,并督促落实.组织制定适合本项目的安全生产制度、措施、办法及具体负责安全生产目标的实施.(2)安全总监对工程施工全过程安全生产和文明施工负监督责任,对公司负责。督促项目施工安全生产经费计划的实施,对安全生产费用的及时投入到位予以保证。负责贯彻执行在建设工程开工前为施工现场作业人员办理意外损害保险并负责支付保险费.督促检查安全措...

1、当您付费下载文档后,您只拥有了使用权限,并不意味着购买了版权,文档只能用于自身使用,不得用于其他商业用途(如 [转卖]进行直接盈利或[编辑后售卖]进行间接盈利)。
2、本站所有内容均由合作方或网友上传,本站不对文档的完整性、权威性及其观点立场正确性做任何保证或承诺!文档内容仅供研究参考,付费前请自行鉴别。
3、如文档内容存在违规,或者侵犯商业秘密、侵犯著作权等,请点击“违规举报”。

碎片内容

安全生产管理体系与措施

您可能关注的文档

确认删除?
VIP
微信客服
  • 扫码咨询
会员Q群
  • 会员专属群点击这里加入QQ群
客服邮箱
回到顶部