电脑桌面
添加小米粒文库到电脑桌面
安装后可以在桌面快捷访问

宏岳汽修危险废物管理计划

宏岳汽修危险废物管理计划_第1页
1/3
宏岳汽修危险废物管理计划_第2页
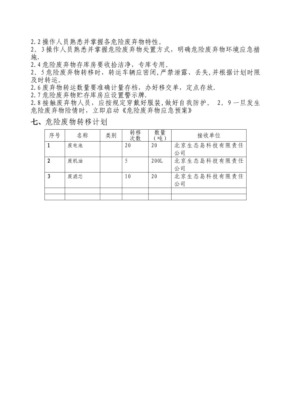
2/3
宏岳汽修危险废物管理计划_第3页
3/3
2024 年危险废物管理计划编制单位(盖章)编制日期 2024 。 1 。 15 一、基本信息单位名称法人代码法定代表人环保主管领导通信地址邮政编码单位联系人联系电话环保管理部门名称负责人联系电话手机传真E-mail二、生产情况公司主要废物为废机油、废机滤、废电瓶等、生活垃圾。2.1 概况 地理位置:北京市大兴区西红门镇团河路五号 占地面积:400 平米 职工人数:员工人数 6 人 主要生产装置情况:油液更换、补胎、四轮定位、动平衡 主要生产设备情况:四轮定位仪 动平衡机 举升机 主要产品及产量计划:机油 滤芯 电瓶2。1 危险废物产生量预测废物名称类别产生量(吨/年)产生工序形态特性含主要有害物质名称及含量名称含量(%)废机油1 吨液态易 燃 易爆性废电池20 块固态毒 性 、腐蚀性废滤芯200固态易 燃 易爆性注:特性是指危险废物的急性毒性、毒性、腐蚀性、感染性、易燃易爆性。2。2 危险废物减量化目标及措施2。2。1 总量削减序号废物名称类别产生量消减目标单位数量浓度数量百分比(%)1废机油桶52废电池块203废滤芯个200三、企业内部危险废物防治设施情况发生危险废物事故报告制度 1、为及时掌握环保事故,加强环境监督管理,特制定本制度. 2、环保事故分为速报和处理结果报告二类。速报从发现环保事故,一小时以内上报;处理结果报告在事故处理完后立即上报。 3、速报可通过电话、传真、派人直接报告等形式报告市环保局。处理结果报告采纳书面报告. 4、速报的内容包括:环保事故发生时间、地点、污染源、主要污染物质、经济损失数额、人员受害情况等初步情况。 5、处理结果报告在速报的基础上,报告有关确切数据、事故发生的原因、过程及实行的应急措施、处理事故的措施、过程和结果,事故潜在或间接的危害、社会影响、处理后的遗留问题、参加处理工作的有关部门和工作内容、出具有关危害与损失的证明文件等详细情况. 四、环境保护岗位责任制 1、贯彻执行国家、上级有关部门及公司安全生产、环境保护工作的方针、法律、法规、政策和制度,负责本单位的安全(环保)监督、管理工作。 2、组织制定、修订并完善本企业职业安全卫生管理制度和安全技术规程、各项环境保护制度,编制安全(环保)技术措施计划,并监督检查执行情况。 3、参加本单位建设项目的安全(环保)“三同时"监督,使其符合职业安全卫生技术要求. 4、深化现场对各种直接作业环节进行监督检查,督促并协助解决有关安全问题,纠...

1、当您付费下载文档后,您只拥有了使用权限,并不意味着购买了版权,文档只能用于自身使用,不得用于其他商业用途(如 [转卖]进行直接盈利或[编辑后售卖]进行间接盈利)。
2、本站所有内容均由合作方或网友上传,本站不对文档的完整性、权威性及其观点立场正确性做任何保证或承诺!文档内容仅供研究参考,付费前请自行鉴别。
3、如文档内容存在违规,或者侵犯商业秘密、侵犯著作权等,请点击“违规举报”。

碎片内容

宏岳汽修危险废物管理计划

确认删除?
VIP
微信客服
  • 扫码咨询
会员Q群
  • 会员专属群点击这里加入QQ群
客服邮箱
回到顶部