电脑桌面
添加小米粒文库到电脑桌面
安装后可以在桌面快捷访问

室内钢平台施工组织设计

室内钢平台施工组织设计_第1页
1/18
室内钢平台施工组织设计_第2页
2/18
室内钢平台施工组织设计_第3页
3/18
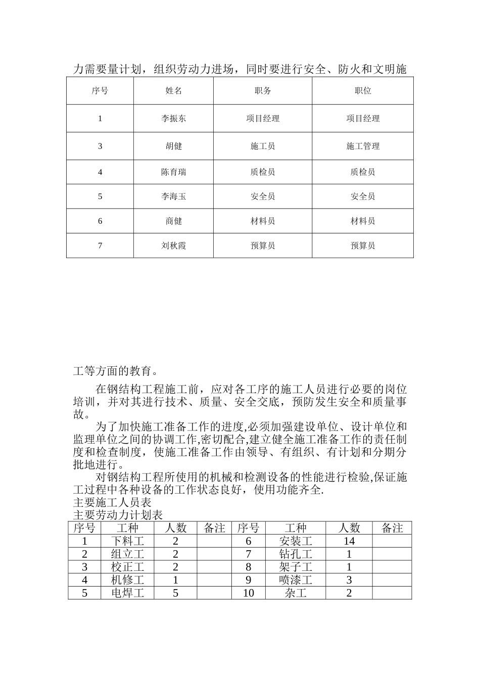
Wind 资讯总部大厦钢框架结构办公用房施工组织设计编制单位:江苏兴厦建设工程集团有限公司编 制:审 核: 责 任 人: 时 间:2024 年 3 月 3 日目录1、编制依据 32 、工程概况 2 3 、施工准备计划 2 4 、施工总体布署 4 5、主要分部分项工程施工方法 5 6 、主要技术措施 11 7 、质量保证体系及其措施 13 8 、工期进度安排及保证措施 14 9 、安全技术保证措施 14 10 、文明施工保证措施 17 1、编制依据本工程施工组织设计编制依据如下:1)、根据下列文件、图纸、工程法规、质量检验评定标准等依据编制而成.(1)工程施工图纸;(2) 施工现场实地踏勘;(3) 国家有关建筑工程法规、法律规范与文件;(4) 建筑施工安全检查标准 JGJ59—2024 ;(5) 本公司 ISO9002 国际质量体系、《质量手册》、《程序文件》、《技术标准》及拥有的技术力量;2)、本施工组织设计遵守的有关法律规范、标准:(1)《工程测量法律规范》GB50026—2024;(2)《钢结构设计法律规范》GBJ50017-2024;(3)《钢结构工程施工及法律规范》GB50755—2024;(4)《建筑钢结构焊接规程》GB50661—2024;(5)《钢焊缝手工超声波探伤方法和探伤结果分级》GB11345-2024;(6)《涂装前钢材表面锈蚀等级和除锈等级》GB8923。1—2024;(7)《低合金钢焊条》GB/T5118—1995;(8)《碳钢焊条》GB/T5117-1995;(9)《建筑施工安全检查评分标准》JGJ59-2024;(10)《建筑施工高处作业安全技术法律规范》JGJ80—2024;(11)《建筑机械使用安全技术规程》JGJ33—2024;(12)《施工现场临时用电安全技术法律规范》JGJ46—2024;(13)门式刚架轻型房屋钢结构技术规程 GB5122-2024。2、工程概况本钢架结构工程为钢框架结构办公用房,抗震设防类别为丙类,抗震设防烈度 7 度,设计地震分组第一组,设计基本地震加速度0。1g,结构安全等级二级,场地类别四类,结构设计使用年限 50年。本工程施工范围:钢结构系统的制作与现场安装施工以及保修。 3、施工准备计划3.1 施工技术准备:积极组织技术人员认真批阅图纸,做好图纸设计交底和技术交底的准备工作,备齐工程所需的资料和标准图集,编制施工图预算和分部工程材料计划以及劳动力需求计划和工机具的需要情况。向施工人员进行施工组织设计和技术交底,把工程的设计内容、施工计划和施工技术要求等,详尽的向施工人员讲解清楚,落实施工计划,制定技术责任制的必要措施.做好现场定位桩的测设工作,完成...

1、当您付费下载文档后,您只拥有了使用权限,并不意味着购买了版权,文档只能用于自身使用,不得用于其他商业用途(如 [转卖]进行直接盈利或[编辑后售卖]进行间接盈利)。
2、本站所有内容均由合作方或网友上传,本站不对文档的完整性、权威性及其观点立场正确性做任何保证或承诺!文档内容仅供研究参考,付费前请自行鉴别。
3、如文档内容存在违规,或者侵犯商业秘密、侵犯著作权等,请点击“违规举报”。

碎片内容

室内钢平台施工组织设计

您可能关注的文档

确认删除?
VIP
微信客服
  • 扫码咨询
会员Q群
  • 会员专属群点击这里加入QQ群
客服邮箱
回到顶部