电脑桌面
添加小米粒文库到电脑桌面
安装后可以在桌面快捷访问

室外埋地聚乙烯给水管道工程技术规程

室外埋地聚乙烯给水管道工程技术规程_第1页
1/13
室外埋地聚乙烯给水管道工程技术规程_第2页
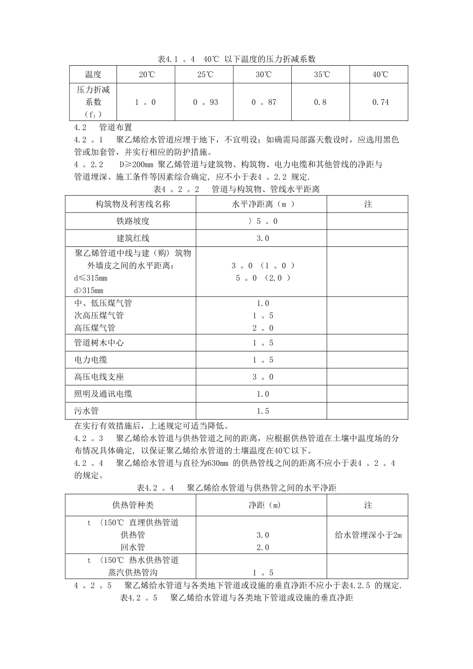
2/13
室外埋地聚乙烯给水管道工程技术规程_第3页
3/13
中 华 人 民 共 和 国 行 业 标 准《 室 外 埋 地 聚 乙 烯 ( PE) 给 水 管 道 工 程 技 术 规程 》1 总则1.0.1 为在室外埋地聚乙烯给水管道工程设计施工及验收规程中合理安装、使用聚乙烯(PE)管材及管件, 做到技术先进、经济合理、施工方便、安全适用、保证水质, 特制定本规程。1 。0 。2 本规程适用于新建、改建或扩建的室外埋地聚乙烯给水管道工程的设计、施工验收。适用范围为管材的公称压力在1 。6Mpa以下,管径小于等于630mm ,输水温度在0℃-40℃之间的室外给水管道。1 。0 。3 给水管材应符合企业标准Q/WCW008--2001,管件应符合ISO (欧洲) 标准.1 。0 。4 承接聚乙烯给水管道工程设计、施工的单位必须具有建设主管部门批准的相应资质,管道工程必须按设计文件和施工图施工,变更设计必须经设计单位同意。1 。0.5 本规程可用于埋设在酸、碱性等腐蚀性土壤,对修建在湿陷性土、膨胀土、永冻土等特别土层地区,尚应遵守相应的行业和国家标准的规定。1 。0.6 聚乙烯给水管道的设计、施工及验收除执行本规程外,尚应符合国家标准《室外给水设计法律规范》、中华人民共和国行业标准《建筑给水聚乙烯类管道工程技术规程》及国家现行的质量、安全、防火和卫生规程中的有关规定.2 术语和符号公称外径(dn):公称压力(PN ):设计应力(бS ):试验压力:标准尺寸比(SDR):应力松驰:热熔对接连接( 对接焊):即将两个配合面紧贴在加热工具上来加热他们的平整的端面直到熔融, 移走加热工具,将两个变软的端面靠在一起,在压力作用下保持一段时间, 然后让接头冷却.3 材料3 。1 一般规定3.1 。1 管材、管件应具有企业质量检验部门的产品质量检验报告和生产厂家的合格证。3 。1 。2 管材存放、搬运和运输时, 应用非金属绳捆扎, 管材端头应封堵.3.1.3 管材、管件存放、搬运和运输时, 不得抛摔和受剧烈撞击.3 。1 。4 管材、管件存放、搬运和运输时,不得暴晒和雨淋,不得与油类、酸、碱、盐等其他化学物质接触。3 。1.5 管材、管件从生产到使用之间的存放期不宜超过一年.3.1 。6 管材管件符合GB/T17219 对卫生性能的要求, 即与饮用水接触的材料不应含有毒性、不应助长滋生微生物、不应产生异味、絮凝物或使水质变质。3 。2 对生产聚乙烯给水管道原材料的要求3 。2 。1 生产聚乙烯给水管材管件的原料应采纳国际上通用的PE80、PE100 专用料,并提供原材料检测报告...

1、当您付费下载文档后,您只拥有了使用权限,并不意味着购买了版权,文档只能用于自身使用,不得用于其他商业用途(如 [转卖]进行直接盈利或[编辑后售卖]进行间接盈利)。
2、本站所有内容均由合作方或网友上传,本站不对文档的完整性、权威性及其观点立场正确性做任何保证或承诺!文档内容仅供研究参考,付费前请自行鉴别。
3、如文档内容存在违规,或者侵犯商业秘密、侵犯著作权等,请点击“违规举报”。

碎片内容

室外埋地聚乙烯给水管道工程技术规程

确认删除?
VIP
微信客服
  • 扫码咨询
会员Q群
  • 会员专属群点击这里加入QQ群
客服邮箱
回到顶部