电脑桌面
添加小米粒文库到电脑桌面
安装后可以在桌面快捷访问

小麦质量标准

小麦质量标准_第1页
1/2
小麦质量标准_第2页
2/2
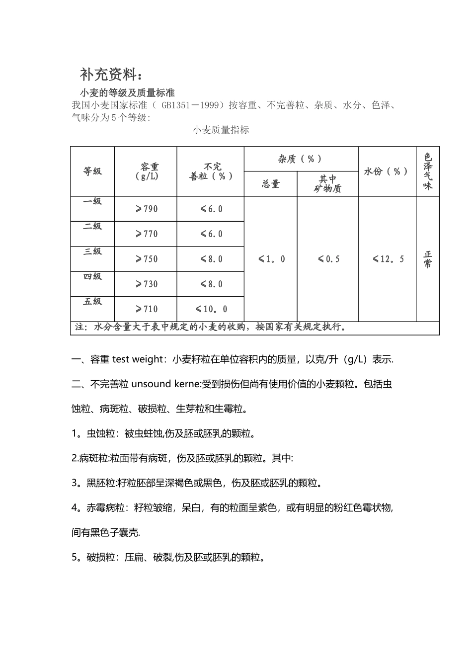
补充资料:小麦的等级及质量标准我国小麦国家标准( GB1351-1999)按容重、不完善粒、杂质、水分、色泽、气味分为 5 个等级:小麦质量指标一、容重 test weight:小麦籽粒在单位容积内的质量,以克/升(g/L)表示.二、不完善粒 unsound kerne:受到损伤但尚有使用价值的小麦颗粒。包括虫蚀粒、病斑粒、破损粒、生芽粒和生霉粒。1。虫蚀粒:被虫蛀蚀,伤及胚或胚乳的颗粒。2.病斑粒:粒面带有病斑,伤及胚或胚乳的颗粒。其中:3。黑胚粒:籽粒胚部呈深褐色或黑色,伤及胚或胚乳的颗粒。4。赤霉病粒:籽粒皱缩,呆白,有的粒面呈紫色,或有明显的粉红色霉状物,间有黑色子囊壳.5。破损粒:压扁、破裂,伤及胚或胚乳的颗粒。等级容重(g/L)不完善粒(%)杂质(%)水份(%)色泽气味总量其中矿物质一级≥790≤6.0≤1。0≤0.5≤12。5正常二级≥770≤6.0三级≥750≤8.0四级≥730≤8.0五级≥710≤10。0注:水分含量大于表中规定的小麦的收购,按国家有关规定执行。6.生芽粒:芽或幼根虽未突破种皮但胚部种皮已破裂或明显隆起且与胚分离的颗粒,或芽或幼根突破种皮不超过本颗粒长度的颗粒。7。生霉粒:粒面生霉的颗粒.三、杂质 foreign material:除小麦粒以外的其他物质,包括筛下物、无机杂质和有机杂质。1。筛下物:通过直径 1.5mm 圆孔筛的物质.2。无机杂质:砂石、煤渣、砖瓦块、泥土等矿物质及其他无机类物质。3.有机杂质:无使用价值的小麦,异种粮粒及其他有机类物质。 虫粮等级标准: 虫粮 害虫密度(头/千克) 等级害虫密度(头/千克)其中主要害虫头数基本无虫粮不超过 5 头不超过 2 头一般虫粮不超过 30 头不超过 10 头严重虫粮超过 30 头超过 10 头危险虫粮 带有对外检疫对象害虫说明:1.本表是指原粮与油料。成品粮不许有虫,粉类成品粮含螨类不得超过 30 头/kg,若超过此标准,即为严重虫粮;带有对外检疫对象害虫的作为危险虫粮。2.主要害虫系指玉米象,米象、谷蠹、大谷盗、绿豆象、豌豆象、蚕豆象、咖啡豆象、麦娥和印度谷蛾.(危害小麦的主要害虫是:玉米象、麦娥、印度谷蛾等)3.表中害虫头数系指活虫.4.表中两项指标中有一项突破的即算作更严重一级的虫粮。

1、当您付费下载文档后,您只拥有了使用权限,并不意味着购买了版权,文档只能用于自身使用,不得用于其他商业用途(如 [转卖]进行直接盈利或[编辑后售卖]进行间接盈利)。
2、本站所有内容均由合作方或网友上传,本站不对文档的完整性、权威性及其观点立场正确性做任何保证或承诺!文档内容仅供研究参考,付费前请自行鉴别。
3、如文档内容存在违规,或者侵犯商业秘密、侵犯著作权等,请点击“违规举报”。

碎片内容

小麦质量标准

您可能关注的文档

确认删除?
VIP
微信客服
  • 扫码咨询
会员Q群
  • 会员专属群点击这里加入QQ群
客服邮箱
回到顶部