电脑桌面
添加小米粒文库到电脑桌面
安装后可以在桌面快捷访问

屋顶空调吊装施工方案

屋顶空调吊装施工方案_第1页
1/5
屋顶空调吊装施工方案_第2页
2/5
屋顶空调吊装施工方案_第3页
3/5
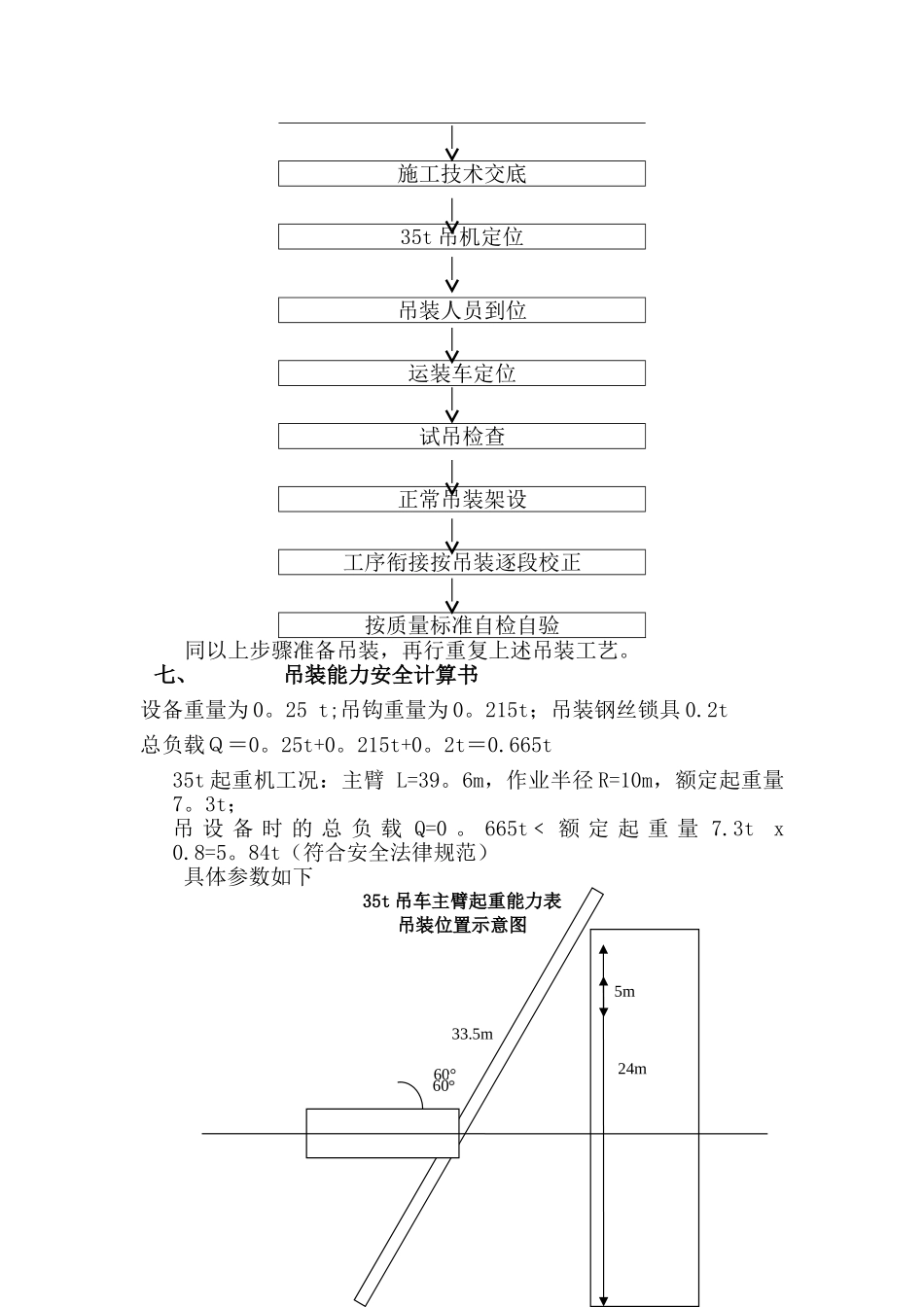
实验楼楼顶四号电站空调吊装施工方案上海 XXXX 有限公司2024 年 11 月 21 日目 录一、 工程概况二、 施工部署三、 编制依据四、 施工方法五、 吊装方式、吊装施工程序(主要部件)六、 施工工艺流程七、 吊装能力安全计算书八、 试吊要求措施九、 安全技术措施十、 设备吊装安全应急预案一、 概况:空调安装位置位于实验楼屋顶四号机房边,屋顶楼面高度为 20m, 女儿墙高度 3。7m.总计高度 23。7m空调外机尺寸为 785mm×949mm×1681mm,共计 1 个;重量 0.25t。二、施工部署 设备吊装高度高,吊装难度较大。因此,设备吊装工艺、步骤的确定,施工的总平面布置,现场道路的处理,吊具的加工制造,大型吊机进场、拼装时间外伸支腿基础的处理和大件设备的运输等都必须进行部署协调,确保吊装工作顺利进行,应在安全、质量、进度等各方面都能达到理想状态,为此作如下部署:1. 组织编制设备的吊装方案,并上报公司和业主审定批准。2. 对审定后的吊装方案,在方案实施的施工准备和吊装过程中,必须严格执行该吊装方案.3. 吊装前必须完成35t吊机的4个支撑脚的基础处理工作。4. 吊装前必须完成35t吊机进场到定机位置的道路铺设的工作.5. 吊装前必须把空调机箱运至起吊位置。6. 吊装前准备好各类吊索具,并确认符合方案规定的要求。三、编制依据1、 设备的相关图纸.2、 现场实地勘察情况.3、 现行相关的国家、行业、企业标准:①建筑施工安全检查标准《JGJ59-99》。②起重机安全技术操作规程《ZZ-0。6(91)》。4、 以往同类工程的施工和管理经验。四、施工方法A、空调的平移:卡车直接运至吊装点B、空调吊装就位:用 35T 吊车直接吊装就位五、吊装方式、吊装施工程序空调运送至本方案中最终吊装位置,然后用吊机直接吊装。吊装时,采纳吊机吊装,由吊机将设备吊装至指定位置。1) 吊机挂钩2) 将设备提空距地面 200mm3) 检查钢丝绳、设备安全情况4) 在各方检查确认安全前提下,进入正常吊装程序。5) 吊机 35t 钓钩慢慢提升、在钢构件慢慢稳定时,35t 吊机回转半径在 10m。6) 由 35t 单机吊装将设备就位,进行设备安装。7) 由起重人员拆除主吊机钢丝绳.六、施工工艺流程吊机机械设备检查及试运转吊机道路及停机位置地基检查吊机进场并停放施工技术准备施工技术交底 35t 吊机定位吊装人员到位 运装车定位试吊检查正常吊装架设工序衔接按吊装逐段校正按质量标准自检自验同以上步骤准备吊装,再行重复上述吊装...

1、当您付费下载文档后,您只拥有了使用权限,并不意味着购买了版权,文档只能用于自身使用,不得用于其他商业用途(如 [转卖]进行直接盈利或[编辑后售卖]进行间接盈利)。
2、本站所有内容均由合作方或网友上传,本站不对文档的完整性、权威性及其观点立场正确性做任何保证或承诺!文档内容仅供研究参考,付费前请自行鉴别。
3、如文档内容存在违规,或者侵犯商业秘密、侵犯著作权等,请点击“违规举报”。

碎片内容

屋顶空调吊装施工方案

确认删除?
VIP
微信客服
  • 扫码咨询
会员Q群
  • 会员专属群点击这里加入QQ群
客服邮箱
回到顶部