电脑桌面
添加小米粒文库到电脑桌面
安装后可以在桌面快捷访问

2025年建筑工程安全资料表格全套65张

2025年建筑工程安全资料表格全套65张_第1页
1/76
2025年建筑工程安全资料表格全套65张_第2页
2/76
2025年建筑工程安全资料表格全套65张_第3页
3/76
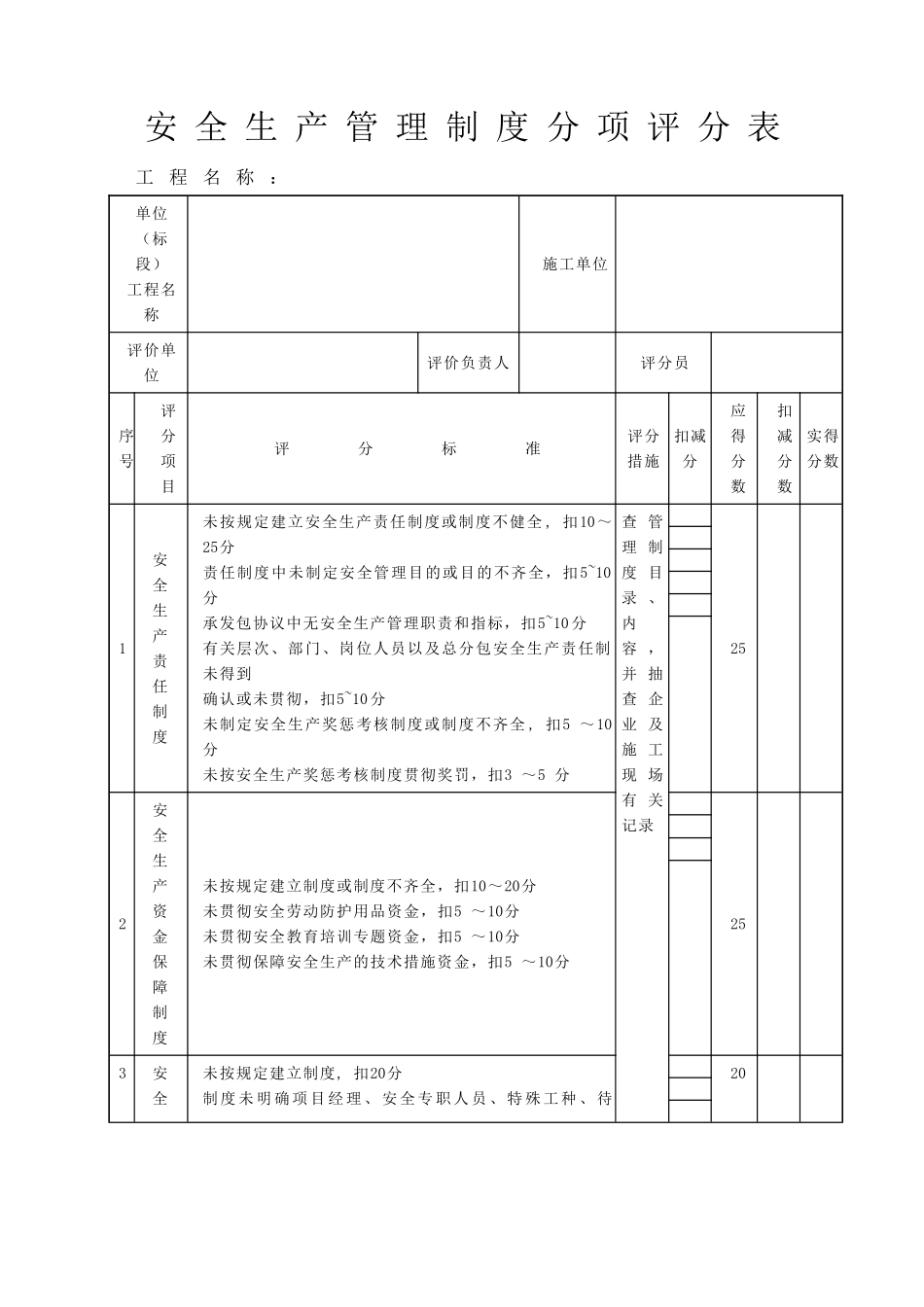
安全资料表格第一节 安评表 NO.1 安全生产管理制度分项评分表 NO。2 资质机构与人员管理分项评分表 NO。3 安全技术管理分项评分表 NO。4 设备与设施管理分项评分表 NO。5 安全生产业绩单项评分表NO.6 施工企业安全生产评价汇总表 NO.7 工程项目安全生产评价表 第二节 安管表 NO。1 工程项目安全生产保证体系报审表 NO.2 特种作业人员操作资格报审表NO.3 安全生产管理制度报审表 NO。4 安全生产责任制度报审表 NO。5 安全生产管理目的实行考核表 NO.6 安全防护、文明施工措施费用使用状况考核表NO。7 安全生产教育培训计划实行考核表 NO。8 安全生产检查制度实行考核表 NO.9 生产安全事故汇报处理制度实行考核表 NO.10 施工伤亡事故快报表 NO.11 安全物质进场查验制度考核表 NO。12 危险源识别与控制措施考核表 NO.13 施工组织设计安全专题施工方案编制审批制度考核表 NO。14 安全技术交底抽查项目考核表 NO。15 安全技术原则、规范和操作规程抽查考核表 NO。16 设备安全管理制度实行考核表 NO。17 大型设备装、拆安全控制验收报审表 NO。18 施工现场环境与卫生原则实行报审表 NO。19 施工现场作业人员意外伤害保险办理状况考核表 NO.20 施工现场安全警示标志考核表 NO。21 安全技术交底 NO。22 安全生产状况月报表 第三节 安教表 NO.1 新工人入场三级安全教育汇总表 NO.2 新工人三级安全教育汇总表NO.3 变换工种安全教育培训登记表 NO。4 (特种)作业人员安全教育培训登记表 NO。5 管理人员安全教育培训登记表 NO。6 员工安全教育培训计划 第四节 安检表 NO。1 建筑施工安全检查评分汇总表 NO.2 安全管理检查评分表NO。3 文明施工检查评分表 NO。4 基坑支护安全检查评分表 NO。5 模板工程安全检查评分表 NO.6 “三宝”、“四口”防护检查评分表 NO。7 施工用电检查评分表 NO。8 起重吊装安全检查评分表 NO。9 施工机具检查评分表 NO。10 施工现场环境与卫生:一般规定NO。11 施工现场环境保护:防治大气污染检查 NO。12 施工现场环境保护:防治水土污染检查 NO.13 施工现场环境保护:防治施工噪声污染检查NO。14 施工现场环境卫生:临时设施检查NO.15 施工现场环境卫生:卫生与防疫检查第五节 安验表 NO。1 施工机具及配件安装验收表 NO。2 施工现场临时用电检查验收表 NO.3 扣件式钢管脚手架搭设验收表 NO。4 施工现场消防设施检查验收...

1、当您付费下载文档后,您只拥有了使用权限,并不意味着购买了版权,文档只能用于自身使用,不得用于其他商业用途(如 [转卖]进行直接盈利或[编辑后售卖]进行间接盈利)。
2、本站所有内容均由合作方或网友上传,本站不对文档的完整性、权威性及其观点立场正确性做任何保证或承诺!文档内容仅供研究参考,付费前请自行鉴别。
3、如文档内容存在违规,或者侵犯商业秘密、侵犯著作权等,请点击“违规举报”。

碎片内容

2025年建筑工程安全资料表格全套65张

您可能关注的文档

确认删除?
VIP
微信客服
  • 扫码咨询
会员Q群
  • 会员专属群点击这里加入QQ群
客服邮箱
回到顶部