电脑桌面
添加小米粒文库到电脑桌面
安装后可以在桌面快捷访问

工程制图规范

工程制图规范_第1页
1/10
工程制图规范_第2页
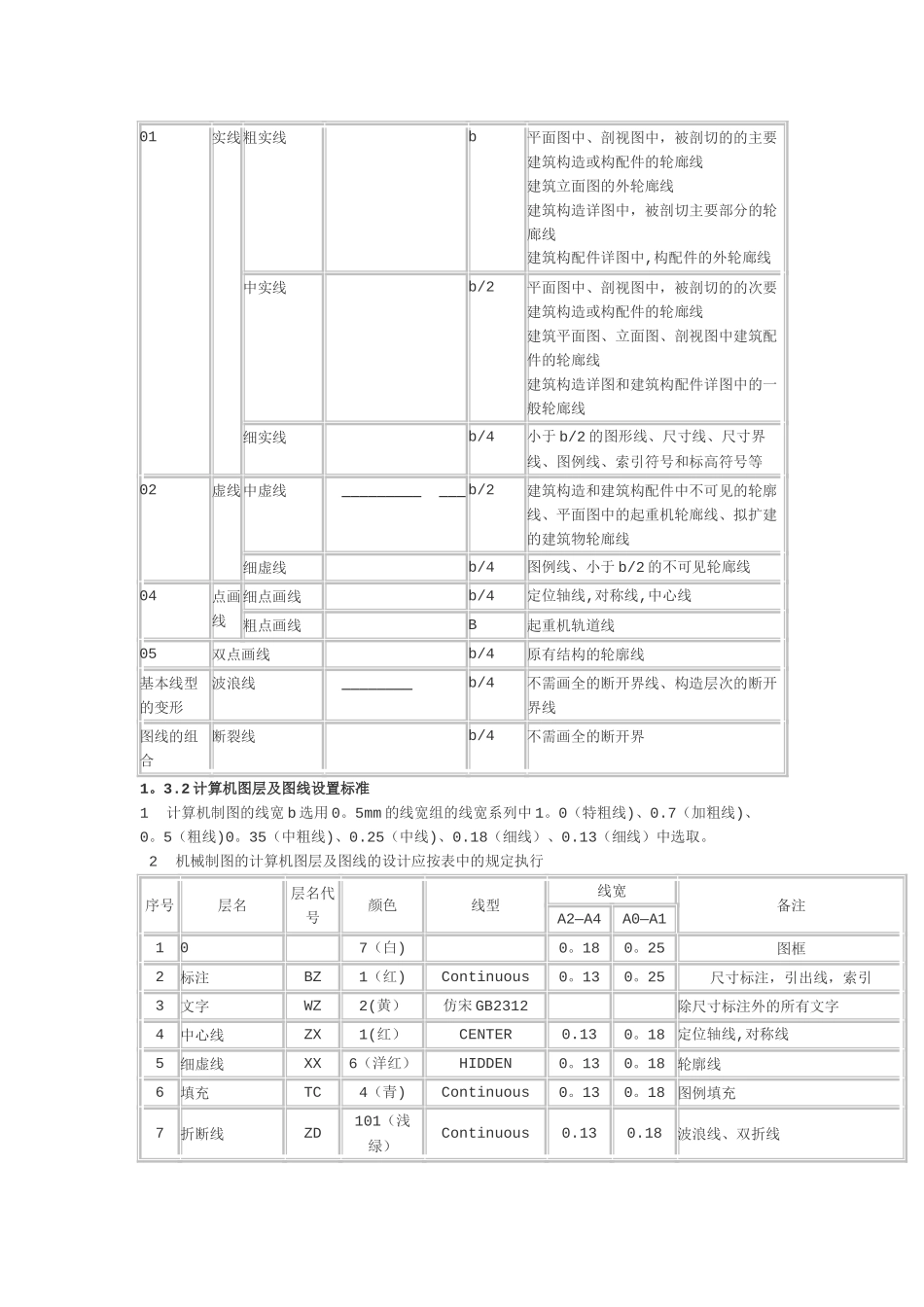
2/10
工程制图规范_第3页
3/10
工程图纸制图标准1.1。1 以实际尺寸绘制按正投影法(顶棚平面图宜用镜像投影法)并用第一角画法绘制所有实体;1.1。2 以规定的适当比例放大或缩小图框;1。1。3 修改图框中部分文本;1.1.4 进行尺寸标注和文字说明。1。2 图框、图纸幅面及比例1.2。1 图框1 图框分为两种,一种用于方案图、施工图或竣工图的施工图框,另一种用于加工图的加工图框。设计时必须采纳本标准指定的最新标准图框,除投标时招标文件有特别要求除外,不得另行使用其它图框,并将图框中待补充内容填充完整,每个工程项目的同种图框必须完全一致.2 施工图框中所表达的内容包括设计变更、备注、建筑设计、业主、工程监理、总承包、公司名称及徽记、工程名称、工程编号、图名、设计、审核、批准、比例、页码、图纸编号、修改序号等17 项。3 加工图框中公司名称及徽记、工程名称、图名、设计、审核、批准、日期、图号、比例、页号等 14 项.4 图框一般应采纳“索引"引用。5 采纳“插入”方式引用图框,不可以将图框炸开。6 图框的比例应与图的比例一致,并采纳整数比例。7 不得改变图框中各部分的颜色及线型。8 标准方案图和施工图图框有 A0、A1、A2、A3 横式幅面四种,加工图图框有 A3、A4 横式幅面和 A4 竖式幅面三种。1.2。2 图纸幅面1 各种图纸的幅面尺寸(高×宽)标准为:A0—841×1189,图框尺寸距边尺寸 10,装订线尺寸 25;A1-594×841, 图框尺寸距边尺寸 10,装订线尺寸 25;;A2—420×594, 图框尺寸距边尺寸 10,装订线尺寸 25;A3-297×420, 图框尺寸距边尺寸 5,装订线尺寸 25;A4-210×297, 图框尺寸距边尺寸 5,装订线尺寸 25。2 图纸的短边不得加长,A3-A0 的长边可以加长,其中 A3 和 A1 以 210 的倍数加长,A2 和 A0 以149 的倍数加长.3 一般 A3—A0 图纸采纳横式幅面装订,A4 图纸采纳竖式幅面装订,投标的方案图和施工时的施工图采纳 A3 横式幅面装订,加工图和存档图采纳 A4 竖式幅面装订。4 方案图、施工图建议以 A1、A2、A3 幅面打印输出,其中封页、目录、设计说明以 A3 幅面打印输出,加工图建议以 A4 幅面打印输出,必须使用设计部统一的标准图框.1.2。3 图样比例1 常用比例缩小比例:1:1、1:2、1:5、1:10、1:20、1:50、1:100、1:150、1:200、1:500、1:1000放大比例:5:1、4:1、2。5:1、2:12 可用比例1:3、1:4、1:6、1:15、1:25、1:30、1:40、1:60、1:80、1:250、1:...

1、当您付费下载文档后,您只拥有了使用权限,并不意味着购买了版权,文档只能用于自身使用,不得用于其他商业用途(如 [转卖]进行直接盈利或[编辑后售卖]进行间接盈利)。
2、本站所有内容均由合作方或网友上传,本站不对文档的完整性、权威性及其观点立场正确性做任何保证或承诺!文档内容仅供研究参考,付费前请自行鉴别。
3、如文档内容存在违规,或者侵犯商业秘密、侵犯著作权等,请点击“违规举报”。

碎片内容

工程制图规范

您可能关注的文档

一二三四传媒+ 关注
实名认证
内容提供者

大量资料供您选择,没有合适的可以联系小二。

确认删除?
VIP
微信客服
  • 扫码咨询
会员Q群
  • 会员专属群点击这里加入QQ群
客服邮箱
回到顶部